
Устройства импульсного электропитания для альтернативных энергоисточников

Андрей Кашкаров
Устройства импульсного электропитания для альтернативных энергоисточников
Материал, изложенный в данной книге, многократно проверен. Но, поскольку вероятность технических ошибок все равно существует, издательство не может гарантировать абсолютную точность и правильность приводимых сведений. В связи с этим издательство не несет ответственности за возможные ошибки, связанные с использованием книги.
Список сокращении
ABИ – автогенераторный вспомогательный источник
БП – бестрансформаторный преобразователь
ВЧ – высокая частота, высокочастотный
ИБП – импульсный блок питания
ИИП – импульсный источник питания
ИОН – источник опорного напряжения
КЗ – короткое замыкание
КПД- коэффициент полезного действия
КС – каскад сопряжения
НЧ – низкая частота, низкочастотный
ПК – персональный компьютер
ПН – преобразователь напряжения
СИП – схема измерения перенапряжения
СК – согласующий каскад
УМ – усилитель мощности
ФПН – формирователь пилообразного напряжения
ЧИМ – частотно-импульсная модуляция
ШИМ – широтно-импульсная модуляция
ЭДС – электродвижущая сила
Меры безопасности
Выполняя работы по конструированию или ремонту электронной техники, вы должны всегда помнить несложные правила безопасности.
Знание основных правил позволяет организовать свою работу так, чтобы исключить либо свести к минимуму воздействие неблагоприятных факторов на себя и окружающих.
Работа с электричеством опасна тем, что оно не действует на органы чувств до момента соприкосновения с токоведущими проводниками и контактами. Это затрудняет дистанционное обнаружение опасности.
Прежде всего нужно соблюдать особую осторожность при работе с электричеством, горючими и легковоспламеняющимися жидкостями, кислотами и щелочами, иными токсичными веществами. Эти правила, по сути, знает любой школьник и, конечно же, специалист, обслуживающий импульсные источники электропитания. Но поскольку время от времени происходят трагедии из-за пренебрежения этими правилами, считаю нелишним напомнить основные требования техники безопасности.
Электрическое напряжение свыше 40 В опасно для жизни. Степень поражения зависит от пути прохождения электрического тока через тело человека и от силы тока, особенно той его части, которая проходит через сердце. Наиболее опасны пути тока «рука – нога» и «рука – рука». Поэтому при настройке радиоаппаратуры и поиске неисправностей старайтесь работать одной рукой во избежание прикосновения к токоведущим частям обеими руками. Особую осторожность необходимо соблюдать, когда электронное устройство преобразователя напряжения конструктивно собрано и эксплуатируется по бестрансформаторной схеме, с помощью импульсного преобразователя или через автотрансформатор. В этом случае выход даже низковольтного источника вторичного питания может оказаться под напряжением сети относительно «земли». Важно изолировать себя от «земли», чтобы исключить поражение электрическим током при случайном прикосновении к элементам устройства или его общей шине (общему проводу).
Монтажные работы следует производить вдали от заземляющих конструкций (водопроводных труб, радиаторов отопления) или принять необходимые меры, чтобы исключить случайное прикосновение к ним.
Заменять вышедшие из строя или «подозрительные» детали следует только после полного верифицируемого отключения устройства от сети.
Нельзя проверять исправность предохранителей в устройстве импульсного преобразователя напряжения, включенного в сеть, путем их замыкания.
Следует помнить, что переутомление, опьянение, повышенная потливость, сердечные и нервные заболевания при прочих равных условиях создают повышенную опасность тяжелого поражения электрическим током. Поэтому занимайтесь любимым делом, отдохнув, с воодушевлением (на то оно и любимое), и в хорошем настроении.
И все у вас получится.
Предостережение о мерах личной безопасности
Перед выполнением регулировочных операций под напряжением необходимо принять следующие меры предосторожности:
1. Установить разделительный трансформатор в цепи питания переменного тока.
2. Убедиться, что сетевое напряжение в пределах -230 В ± 10 %, 50 Гц.
3. Перед подключением сетевой вилки убедиться, что кнопка включения устройства находится в положении «выключено».
Категорически запрещается во время проведения регулировочных и ремонтных работ непосредственно на печатных или монтажных платах «разрывать» или «замыкать» какие-либо элементы в электрической цепи при включенном в сеть источнике питания, а также работать в состоянии алкогольного или иного опьянения.
Всегда помните, что вы еще нужны вашим детям!
Глава 1
Импульсные источники питания бытовой и специальной радиоаппаратуры
1.1. Принципы схемотехники импульсных источников питания
Каждое электронное устройство оснащено источником электропитания. Специфика исполнения источника и его технические параметры определяются общесистемными требованиями к устройству в целом и условиями его эксплуатации. В общем случае источники вторичного электропитания – это преобразователи первичной энергии в энергию, пригодную для работы устройства, наделенного определенными пользовательскими функциями. Дополнительной, часто, безусловно, необходимой функцией источника электропитания может быть обеспечение гальванической развязки между источником первичного напряжения и нагрузочными цепями.
Тип приборов под общим названием «источники питания» объединяет множество устройств. К их числу относятся как простые, на первый взгляд, электрохимические элементы с заданными характеристиками для переносных приборов, так и достаточно сложные, стационарные преобразователи энергии. Последние выполнены на основе узлов, способных осуществлять различные виды подстроек и регулировок для защиты от внешних и внутренних дестабилизирующих факторов.
Качество работы и временная стабильность параметров источника питания зачастую являются определяющими факторами работоспособности прибора в целом; в данной книге этому важному вопросу посвящен специальный раздел. Именно поэтому при проверке технических характеристик того или иного устройства источнику питания следует уделять особое внимание.
В XXI веке уже произошла замена традиционных источников питания стационарного оборудования на основе силовых трансформаторов, функционирующих на частоте питающей сети, импульсных источников питания, или так называемых бестрансформаторных преобразователей первичного сетевого напряжения. Принцип их действия основан на преобразовании исходного первичного напряжения низкой частоты (десятки герц) питающей промышленной сети в более высокочастотные колебания (несколько десятков килогерц) с последующей трансформацией. Сегодня преобразователи подобного типа составляют большинство источников вторичного электропитания устройств как бытового, так и промышленного назначения.
1.1.1. Схемотехника цепей ИИП
Переход на использование преимущественно импульсных источников питания обусловлен рядом технических и экономических факторов, наиболее важными из которых являются следующие:
• источники бестрансформаторного питания мощностью до 1000 Вт имеют существенно более высокие массогабаритные характеристики по сравнению с аналогами, изготовленными на основе сетевых трансформаторов;
• обмотки трансформаторов ВЧ-колебаний ИБП имеют более высокую плотность тока, при их изготовлении используется гораздо меньше цветного металла, что приводит к снижению затрат на производство и на исходные материалы;
• высокая индукция насыщения и малые удельные потери материалов сердечников ВЧ-трансформаторов позволяют создавать ИБП с общим КПД, превышающим 80 %, что в обычных источниках почти недостижимо;
• широкие возможности по автоматической регулировке номиналов выходных вторичных напряжений посредством воздействия на первичные цепи ВЧ-преобразователя.
Рассмотрим несколько примеров структурных схем построения ИИП в сети 220 В, 50 Гц.
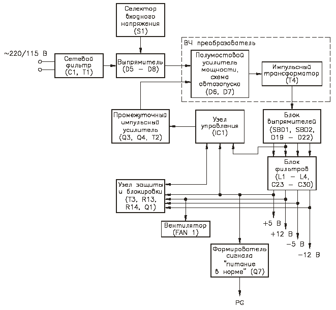
Блок-схема электронных узлов импульсного источника питания с несколькими выходными напряжениями представлена на рис. 1.1.
Выпрямленное, отфильтрованное и стабилизированное напряжение подается в нагрузку с выхода вторичных цепей источника питания. В импульсных источниках для бытовой радиоаппаратуры во вторичной цепи формируются четыре номинала постоянных напряжений и особый служебный сигнал «питание в норме». Мы рассмотрим его в следующих разделах. Оригинальное наименование этого сигнала – POWERGOOD, или сокращенно PG.
Значения вторичных напряжений и допустимые уровни их возможных отклонений от номиналов приведены выше. Вторичные каналы обладают различной токовой нагрузочной способностью. Самая большая нагрузка падает на вторичный канал напряжения +5 В. При этом максимально возможный ток по каналу зависит от общей мощности источника питания.

Рис. 1.1. Блок-схема электронных узлов ИИП
1.1.2. Варианты схемотехники вторичных цепей ИИП
В предельных режимах эксплуатации источника питания токовая нагрузка по каналу «+5 В» имеет значение, когда ток измеряется в десятках ампер. На выпрямительных элементах в этом случае происходит выделение значительной тепловой мощности.
Для повышения общего КПД источника и улучшения работы его теплового режима в импульсных преобразователях применяются матрицы на основе диодов Шоттки.
Эти диоды обладают улучшенными импульсными рабочими характеристиками, что способствует снижению временного интервала нахождения обоих выпрямительных диодов в проводящем состоянии во время изменения полярности импульсного напряжения. Прямое падение напряжения на них не выше 0,6 В.
Параллельно каждому из диодов в сборке SBD1 подключены демпфирующие RC-цепочки, снижающие уровень паразитных колебаний, возникающих на фронтах импульсов. К выводам обмоток W4 и W5 трансформатора подключен пропорционально интегрирующий фильтр на элементах R33 и С21. В схеме выпрямителей каналов +12 и -12 В применяются обычные диоды с улучшенными импульсными характеристиками. С помощью пропорционально интегрирующего фильтра R33, С21 происходит «затягивание» фронтов импульсов и создаются более благоприятные условия для переключения диодов как в сборке SBD2, так и диодов D21 и D22. В течение увеличенного фронта импульса происходит восстановление полного обратного сопротивления диодов.
К выходу стабилизированного напряжения +12 В подключен вентилятор блока питания, используемый для охлаждения металлических радиаторов, на которых установлены силовые транзисторы Q5, Q6 и диодные сборки выпрямителей SBD1 и SBD2. На общем теплоотводе-радиаторе могут устанавливаться элементы с различными напряжениями на корпусе. Поэтому все компоненты крепятся на радиаторах через электроизолирующие теплопроводящие прокладки.
Для улучшения теплового контакта с радиатором дополнительно применяется теплопроводящая паста, изготовленная на основе кремнийорганических соединений.
С точки соединения катодов диодов сборки SBD2, выхода выпрямителя канала +12 В, снимается импульсное напряжение, и через диод D18 подается на емкостный фильтр на элементах С17, С18 и R31. Выход этого фильтра соединяется с выводом IC 1/12 внутреннего питания микросхемы ШИМ-преобразователя.
Представленное схемотехническое решение (см. рис. 1.2) реализации вторичных цепей импульсных источников питания не является единственным.
Разнообразие наблюдается в выполнении схем выпрямителей и в использовании дополнительных интегральных стабилизаторов для поддержания постоянного уровня напряжения в каналах с наименьшей токовой нагрузкой. Дополнительные стабилизаторы устанавливаются в канале -5 В.
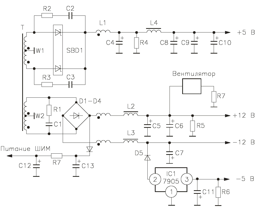
На рис. 1.2 представлен вариант принципиальной схемы вторичной цепи импульсного источника питания.

Рис. 1.2. Другой вариант электрической схемы вторичной цепи ИИП
Схема имеет ряд особенностей, по сравнению с рассмотренной выше. Вторичная цепь также содержит две вторичные обмотки W1 и W2 трансформатора Т. Средняя точка каждой из них соединена с общим проводом вторичной цепи. Обмотка W1 полностью используется только для формирования напряжения +5 В. Остальные вторичные напряжения получают после выпрямления и преобразования исходного импульсного напряжения обмотки W2. Причем фильтрация отрицательных напряжений производится общей цепью Г-образного индуктивно-емкостного фильтра на элементах LI, L3, С7.
Для обеспечения групповой стабилизации вторичных напряжений в схему фильтра введен дроссель L1, который содержит три обмотки, намотанные в одном направлении на общем магнитопроводе.
Две обмотки дросселя L1 включены в цепи фильтрации напряжений +5 и +12 В, третья – в цепь сглаживающего фильтра отрицательных напряжений.
В канале фильтрации напряжения +5 В использованы два последовательно соединенных Г-образных фильтра. Первый включает в себя обмотку дросселя L1 и конденсатор С4, параллельно которому установлен балансный резистор R4.
Второй фильтр образован дискретным дросселем L4 и группой электролитических конденсаторов С8, С9 и СЮ. Стабилизация напряжений вторичной цепи производится слежением за состоянием выходного уровня канала +5 В.
1.1.3. Особенности двухполупериодных схем выпрямителей
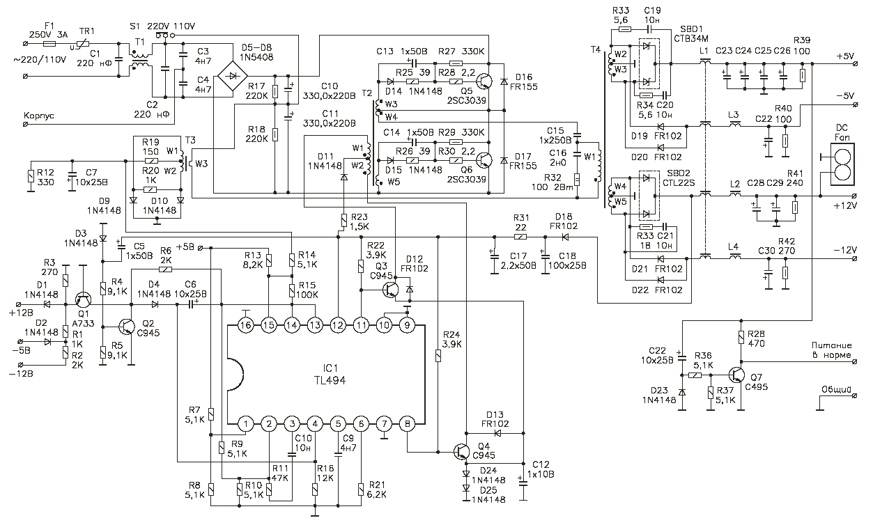
Силовой трансформатор Т4 источника, выполненного по принципиальной схеме (см. рис. 1.3), имеет две вторичные обмотки.
По определению, принцип работы трансформатора основан на законе электромагнитной индукции. В первичной обмотке под действием напряжения в сердечнике наводится магнитный поток, пропорциональный этому напряжению, который, в свою очередь, наводит электродвижущую силу (ЭДС) самоиндукции во вторичных обмотках. ЭДС, наводимая во вторичных обмотках, прямо пропорциональна количеству витков этих обмоток. Трансформатор служит для преобразования переменного тока одного напряжения в переменный ток другого напряжения с преобразованием мощности и при неизменной частоте.
Каждая полная вторичная обмотка состоит из двух полуобмоток. Точка их соединения подключена к общему проводу вторичной цепи питания. Одна вторичная обмотка используется для получения напряжений +5 и -5 В, вторая является источником напряжения для каналов +12 и -12 В.
Вторичные обмотки силового трансформатора Т4 нагружены на двухполупериодные диодные выпрямители.
Импульсные источники питания компьютеров всех модификаций во вторичных цепях используют двухполупериодные выпрямительные схемы.
Такое инженерное решение обеспечивает симметричное распределение нагрузки обоих транзисторов усилителя мощности. Работа транзисторов в идентичных режимах исключает развитие неконтролируемых процессов, возникающих вследствие разбалансирования нагрузки с постепенным разрушением структуры сначала одного транзистора, а затем и другого.
Каждый выпрямитель выполнен по однотипной схеме на основе пары диодов, соединенных с выводами вторичных обмоток.

Рис. 1.3. Принципиальная схема ИИП
Диоды выпрямительных схем с положительными выходными напряжениями подключены к обмоткам своими анодами, а диоды выпрямительных схем для каналов с отрицательными уровнями напряжений – к выводам обмоток катодными выводами.
Двухполупериодные схемы выпрямления на своем выходе формируют импульсные последовательности, в которых частота импульсов равна удвоенной частоте коммутации каждого из силовых транзисторов Q5 и Q6.
Такой метод построения выпрямителя облегчает задачу фильтрации вторичных напряжений, а также способствует более равномерной подаче энергии в цепи нагрузки.
Схема фильтрации импульсного напряжения каждого канала в данном варианте исполнения источника питания содержит только пассивные индуктивные и емкостные элементы.
Обмотки дросселя L1 намотаны на общем магнитопроводе. Этим обеспечивается магнитная связь электромагнитных потоков, вызываемых токами, протекающими по каждой цепи вторичных напряжений.
Обмотка дросселя L1 в цепи фильтрации напряжения +5 В является единственным индуктивным элементом в канале. В остальных цепях вторичных каналов напряжений включено по отдельному дополнительному дросселю.
Канал +5 В также содержит наибольшее количество оксидных конденсаторов, установленных на выходе этой цепи.
Резисторы R39-R41, подключенные по выходам каждого вторичного канала, обеспечивают возможность работы импульсного преобразователя без обязательного подключения внешней нагрузки. Резисторы создают контур разряда выходных фильтрующих конденсаторов, исключая увеличение выходных напряжений до амплитудных уровней импульсов, поступающих от выпрямительных элементов.
Максимальное рабочее напряжение конденсаторов, установленных в фильтрах вторичных каналов, не превышает 25 В. Амплитуда импульсов может быть выше этого предельного уровня.
В отсутствие резисторов может происходить заряд выходных конденсаторов до уровня, превышающего предельный, что на практике приведет к их повреждению. Эти вопросы мы подробно разберем во второй главе книги.
Номиналы балансных резисторов, устанавливаемых параллельно выходным фильтрующим конденсаторам, выбираются так, чтобы обеспечивать нагрузочный ток по каналу на уровне 50 мА.
1.1.4. Выпрямитель и фильтр напряжения
Вернемся к схеме, приведенной на рис. 1.3. Вентилятор подключается к выходу источника стабилизированного напряжения. Последовательно с вентилятором включен токоограничивающий резистор R7. Типовое значение номинала этого резистора составляет 10 Ом при максимальной рассеиваемой мощности 0,5 Вт.
Наибольшее отличие от других схемотехнических решений наблюдается в построении каналов с отрицательными номиналами выходных напряжений. Общий фильтр для двух отрицательных напряжений также выполнен в виде двух Г-образных индуктивно-емкостных фильтров.
К выходу стабилизированного напряжения -12 В через диод D5 подключен интегральный стабилизатор на микросхеме IC1 типа 7905. Схема интегрального стабилизатора для канала -12 В одновременно выполняет роль балансного резистора, обеспечивающего частичный разряд конденсатора С7. Выходное напряжение -5 В параметрического стабилизатора на IC1 дополнительно сглаживается конденсатором СИ.
В схемах, где средняя точка обмотки напряжения +12 В соединена с выходом канала +5 В (такое решение довольно популярно и используется и в схемотехнике многих ИИП), есть некоторые особенности.
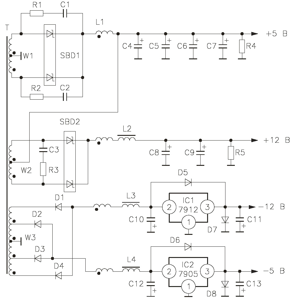
Такой вариант включения обмотки (см. рис. 1.4) позволяет применить в выпрямительной схеме канала +12 В диоды Шоттки.
В этих диодах при работе с импульсными напряжениями 50 В происходит возрастание обратных токов, что и диктует необходимость снижения импульсного напряжения на них. При включении выпрямителя согласно схеме, приведенной на рис. 2.4, снижается амплитуда импульсов, воздействующих на выпрямительную схему, до уровня, при котором диоды сборки работают уже достаточно эффективно.
Источниками вторичных импульсных напряжений являются три обмотки Wl, W2 и W3 трансформатора Т. Обмотка W1 используется для получения только напряжения +5 В.
С обмотки W2 снимается импульсное напряжение, из которого после фильтрации получают стабилизированное постоянное напряжение + 12 В. Обе обмотки W1 и W2 нагружены на выпрямительные сборки, состоящие из диодов Шоттки.
Цепи фильтрации импульсного входного напряжения во всех каналах построены на основе индуктивно-емкостных Г-образных фильтров. В канале напряжения +5 В единственным индуктивным элементом в фильтре является одна из обмоток дросселя L1. Все остальные каналы дополнены отдельными дросселями, включенными последовательно с обмотками дросселя групповой стабилизации L1.

Рис. 1.4. Вариант включения обмотки импульсного трансформатора
Выводы комбинированной обмотки W3 присоединяются к катодам обычных импульсных выпрямительных диодов D1-D4. Средняя точка обмотки W3 подключена к общему проводу вторичной цепи питания. Диоды D1 и D4 образуют двухполупериодный выпрямитель канала напряжения -12 В.
Аналогичная выпрямительная схема для канала -5 В выполнена на диодах D2 и D3. Во вторичную цепь введен дроссель L1 групповой стабилизации вторичных напряжений по взаимным магнитным потокам. Несмотря на это, в каждом канале напряжений с отрицательными значениями включены интегральные стабилизаторы на IC1 и IC2. Между входом и выходом каждого интегрального стабилизатора подключаются демпфирующие диоды.
В схемах, где возбуждение популярной микросхемы управления TL494 производится первичным импульсом, напряжение питания этой микросхемы и промежуточного усилителя снимается с выхода выпрямительной схемы канала +12 В. Каскады фильтрации данного напряжения аналогичны приведенным ранее.
Амплитуда импульсов на выходе выпрямителя составляет 60 В. Уровень отфильтрованного постоянного напряжения непосредственно на ШИМ-преобразователе зависит от длительности выпрямленного импульса и промежутка между импульсами так называемой «мертвой зоны». Диапазон изменения постоянного напряжения в данном случае составляет примерно от +25 до +30 В.
1.2. Схемотехника защиты и формирования служебных сигналов
Энергетические характеристики силовых элементов импульсного преобразователя были выбраны, исходя из предположения, что в установившемся режиме работы на предельной мощности они не превысят предельно допустимых норм для данного прибора.
Наиболее критичными являются режимы работы силовых транзисторов.
Полумостовые импульсные преобразователи характеризуются тем, что максимальное напряжение на силовых транзисторах этой схемы равно напряжению питания каскада. Броски напряжения, возникающие в моменты коммутации транзисторов, устраняются включением защитных диодов между коллектором и эмиттером каждого силового транзистора. Такими диодами на принципиальной схеме, приведенной на рис. 1.3, являются D6 и D7.
Существующие нормы рекомендуют применять полупроводниковые приборы в цепях, предельные режимы эксплуатации которых имеют уровень 0,8 от максимального значения тока или напряжения. При выполнении этого требования, как правило, изготовители элементной базы гарантируют надежную работу приборов.
Конец ознакомительного фрагмента.
Текст предоставлен ООО «ЛитРес».
Прочитайте эту книгу целиком, купив полную легальную версию на ЛитРес.
Безопасно оплатить книгу можно банковской картой Visa, MasterCard, Maestro, со счета мобильного телефона, с платежного терминала, в салоне МТС или Связной, через PayPal, WebMoney, Яндекс.Деньги, QIWI Кошелек, бонусными картами или другим удобным Вам способом.
Приобретайте полный текст книги у нашего партнера:

