
Грохочение угля

Рис. 2.17. Грохот ГИТ51А в опорном (а) и подвесном (б) исполнениях
Короб грохота изготовляется из двух высоких боковин 1 толщиной 12 мм с накладными листами в местах крепления вибратора 2, поперечных связей швеллерного профиля, подситных рам и защитных листов, предохраняющих боковин от истирания. Короб имеет одну просеивающую поверхность 3 из двух карт, закрепленных в коробе болтами. В середине короба часть просеивающей поверхности отверстий не имеет. Под этой частью расположен вибратор, и благодаря отсутствию отверстий он не подвергается абразивному износу. Просеивающая поверхность представляет собой листовое решето толщиной 25 мм с квадратными отверстиями. Для предохранения от интенсивного износа на лист наварены продольные брусья сечением 40×40 мм, которые по мере износа заменяются.
Конструкция короба предусматривает возможность установки колосниковой просеивающей поверхности из отдельных секций, устанавливаемых каскадом. При этом щель расширяется к концу секции.
Грохоты самобалансные типа ГСЛПо принципу действия самобалансный грохот является инерционным, но благодаря особому вибратору обладает преимуществом резонансного грохота – горизонтальным расположением просеивающей поверхности. Самобалансный грохот имеет преимущества как инерционных (простота конструкции и отсутствие необходимости в периодической настройке), так и резонансных (удобство компоновки, пригодность для процессов обезвоживания) грохотов. Угол подбрасывания материала у этого грохота больше, чем у резонансного, что обеспечивает более эффективное отделение воды. Самобалансный грохот передает на опору меньшие динамические нагрузки, чем резонансный.
Промышленностью выпускается три типоразмера самобалансных грохотов: ГСЛ42, ГСЛ62 и ГСЛ72.
Грохоты типа ГСЛ предназначены для мокрой классификации углей, антрацитов и горючих сланцев, обезвоживания продуктов обогащения, отделения шлама, отмывки утяжелителя.
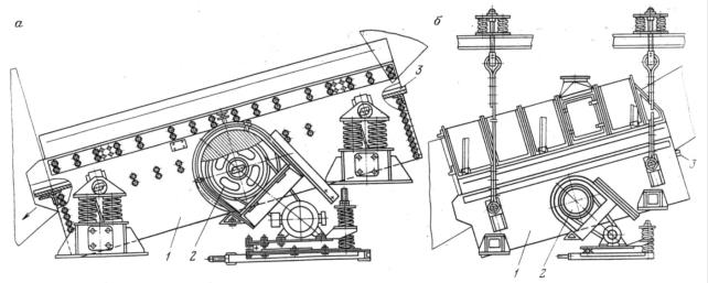
Самобалансный грохот ГСЛ62 (рис. 2.18) состоит из короба 5 с просеивающими поверхностями, инерционного вибратора 1, пружинных опор или подвесок 4, электродвигателя 3 и клиноременной передачи 2.

Рис. 2.18. Грохот ГСЛ62
В отличие от инерционного наклонного грохота здесь применяется самобалансный вибратор, в корпусе которого на параллельных валах размещены два цилиндрических зубчатых колеса и одинаковые дебалансы. Колеса имеют равное число зубьев, благодаря чему валы вращаются с одной угловой скоростью в противоположные стороны. Дебалансы расположены по отношению друг к другу так, что при вращении валов результирующая их центробежных сил изменяется по синусоиде и всегда действует по оси, проходящей через центр тяжести короба, вызывая его колебания.
Короб движется практически поступательно: все его точки колеблются в вертикальных плоскостях, перпендикулярных осям валов вибратора, по прямолинейным траекториям под углом к плоскости просеивающей поверхности. При этом материал, находящийся на просеивающей поверхности, подбрасывается и просеивается.
Конструкция грохота ГСЛ72 (рис. 2.19) в основном не отличается от конструкции грохотов ГСЛ42 и ГСЛ62. Разница лишь в том, что в связи с большими размерами он имеет шесть пружинных опор и два спаренных самобалансных вибратора, установленных на специальных площадках над боковинами короба. Вибраторы приводятся в действие соответственно двумя электродвигателями, помещенными на отдельных рамах.

Рис. 2.19. Грохот ГСЛ72
Самобалансные вибраторы грохота такие, как и у грохотов ГСЛ42 и ГСЛ62, соединены между собой промежуточным валом с муфтами.
Грохот ГСЛ72 выпускается только в опорном исполнении.
На базе грохотов ГСЛ42, ГСЛ62 и ГСЛ72 с использованием их основных узлов и элементов созданы грохоты ГСЛ82 и ГСЛ91 с полезной площадью просеивающей поверхности, соответственно, 21 м2 и 33,2 м2.
Грохоты резонансные типа ГРЛ, ГРДГрохоты типа ГРЛ и ГРД предназначены для подготовительной и окончательной сухой и мокрой классификации углей, обезвоживания продуктов обогащения, отделения циркуляционной суспензии, обесшламливания, отмывки утяжелителя. В зависимости от назначения грохот комплектуется просеивающей поверхностью соответствующей конструкции с отверстиями необходимых размеров и формы.
По принципу действия и конструкции грохоты представляют собой двухмассные динамические колебательные системы с упругими связями между массами и эффективной виброизоляцией. Нелинейная характеристика жесткости упругих связей благодаря применению резиновых буферов на 30 % повышает ускорение короба (и просеивающей поверхности) по сравнению с качающимися грохотами. При одинаковом с качающимися грохотами характере колебаний короба интенсивность грохочения у резонансных выше благодаря как нелинейности упругих связей, так и большей частоте колебаний. Работа в режиме, близком к резонансному, обеспечивает возможность колебаний коробов больших размера и массы при минимальных затратах энергии и минимальных нагрузках на детали привода. Эти грохоты наиболее производительны и универсальны по назначению. Однако им присущи недостатки, основные из которых – сравнительная сложность в эксплуатации и большая масса.
Промышленностью выпускаются два типа резонансных грохотов – ГРЛ и ГРД. Принципиальные конструктивные схемы этих грохотов различны. ГРЛ – грохот резонансный легкого типа с одним коробом и уравновешивающей подвижной рамой. ГРД – грохот резонансный двухкоробный без уравновешивающей рамы.
Грохот ГРЛ (рис. 2.20) представляет собой колебательную систему двух масс (короба 4 с просеивающими поверхностями и подвижной рамы 1), связанных между собой системой упругих связей: плоскими рессорами 5, пружинными опорами 6, буферами 7, укрепленными как на коробе, так и на раме. Рама установлена на амортизаторах 8. При наклонном расположении грохота применяются поддерживающие пружины 9. Привод 2 кривошипно-шатунного типа установлен на раме с загрузочной стороны короба. Вал приводится во вращение от электродвигателя 10 посредством клиноременной передачи 11. Шатун привода с помощью резиновых элементов 3 упруго соединяется с коробом, благодаря чему привод не нагружается большими инерционными силами движущихся масс и большие пусковые нагрузки устраняются. Буфера установлены с зазором суммарной амплитуды колебаний короба и рамы. Это определяет нелинейный характер упругих связей между коробом и рамой. Плоские рессоры обеспечивают направленные колебания короба и рамы под углом α к плоскости просеивающей поверхности. Амортизаторы 8 и 9 обеспечивают возможность колебаний рамы и при этом передают на опору грохота динамические нагрузки, намного меньшие сил инерции подвижных частей грохота. Расположение центров тяжести короба и рамы на прямой АВ, параллельной осям буферов и перпендикулярной рессорам, позволяет осуществлять при колебаниях возвратно-поступательное движение короба и рамы.

Рис. 2.20. Принципиальная схема двухмассного резонансного грохота типа ГРЛ
При вращении вала привода, имеющего эксцентриситет, происходит деформация приводных упругих связей по закону, близкому к гармоническому. Периодически изменяющаяся сила упругости резиновых элементов привода представляет собой возмущающую силу, вызывающую вынужденные колебания короба и рамы. Рабочая частота вынужденных колебаний системы принимается близкой к резонансной.
Колебания короба и рамы происходят навстречу друг другу поэтому сила инерции от движения массы короба гасится противоположно направленной силой инерции массы рамы. Масса рамы грохота в 1,5–3 раза тяжелее короба, соответственно и амплитуда ее колебаний во столько же меньше амплитуды колебаний короба.
Грохоты типа ГРД (рис. 2.21) отличаются от грохотов с уравновешивающей рамой наличием короба вместо рамы. Коробы (верхний 1 и нижний 2), имея одинаковую массу, колеблются с одинаковой амплитудой. Центры тяжести коробов, как и в грохотах типа ГРЛ, находятся на одной прямой, параллельной оси нелинейной упругой связи. Благодаря замене уравновешивающей рамы коробом грохот имеет почти в два раза меньшую массу и меньшие габаритные размеры при тех же площадях просеивающей поверхности, а наличие равноплечих рычагов 3 с центральными осями исключает необходимость применения пружинных опор короба и продольных опор грохота. Наклон коробов достигается более высоким расположением оси рычагов с загрузочной стороны грохота, чем ось рычагов с разгрузочной стороны.
Отсутствие линейных упругих связей между коробами в грохоте ГРД (пружин и рессор) при прочих одинаковых условиях обеспечивает большую нелинейность системы, но вместе с тем обусловливает большие боковые колебания, чем в грохоте типа ГРЛ.

Рис. 2.21. Грохот типа ГРД
Резонансные грохоты по сравнению с грохотами других типов, в частности с инерционными, имеют ряд преимуществ:
горизонтальное расположение, обусловливающее минимальные габаритные размеры здания;
наличие упругой связи привода, благодаря которой нагрузки на узлы привода при запуске грохота минимальны;
нелинейность упругих связей между коробами, что создает интенсивный режим встряхивания грохотимого материала на просеивающей поверхности и, следовательно, высокую эффективность грохочения;
режим колебаний масс грохота, близкий к резонансному, в силу чего расход мощности на приведение в колебание сравнительно больших масс грохота и грохотимого материала минимален;
универсальность применения (как на сухих, так и на мокрых операциях грохочения);
малая чувствительность к перегрузкам при установившемся режиме колебаний;
малые динамические нагрузки на опоры (у грохотов типа ГРД).
Наряду с перечисленными преимуществами резонансные грохоты имеют и существенные недостатки, которые в настоящее время ограничивают область их применения. К таким недостаткам относятся, в первую очередь, сложность изготовления (особенно грохотов типа ГРД) и значительные трудности при эксплуатации. Наличие в грохотах упругих связей, пружинных опор и рессорных подвесок требует квалифицированного монтажа и обслуживания, своевременного профилактического ремонта, что редко обеспечивается при эксплуатации грохотов. Другой недостаток грохотов – сравнительно большая масса, особенно у грохотов типа ГРЛ. Попытка использования грохотов типа ГРД для мокрой классификации показала их крайне низкую эксплуатационную надежность и, следовательно, нецелесообразность применения на этой операции.
Грохоты самобалансные с самосинхронизирующимися вибровозбудителями типа ГИСЛВ настоящее время в угольной и горнорудной промышленности наибольшее применение находят инерционные (самобалансные) грохоты с прямолинейными колебаниями короба, как наиболее простые в изготовлении, эксплуатации и ремонте.
Существенным недостатком самобалансного грохота с двухвальным вибровозбудителем является наличие зубчатой передачи, создающей сильный шум и требующий частого ремонта. Он устранен в самосинхронизирующемся грохоте, имеющем два независимых дебалансовых вибровозбудителя, непосредственно не связанных между собой какой-либо передачей. Их валы вращаются отдельными электродвигателями в противоположном направлении с одной и той же угловой скоростью (+w и – w) и с одной и той же фазой, благодаря автоматической самосинхронизации и самофазировке, достигаемой путем соответствующего подбора движущихся масс, их моментов инерции и взаимного расположения. Такого рода вибровозбудители являются самосинхронизирующимися. Их валы с дебалансными грузами, закрепленные в бортовых стенках короба, вращаются навстречу друг другу, поэтому результирующая центробежных сил инерции направлена по прямой АА и проходит через центр массы короба. В результате достигаются прямолинейные синусоидальные колебания под заданным углом к плоскости сита.
Грохот типа ГИСЛ обладает преимуществами как резонансного грохота (горизонтальное расположение просеивающей поверхности, колеблющейся возвратно-поступательно под углом 45° к горизонту), так и инерционного (прост в изготовлении и удобен в эксплуатации, так как не требует никаких регулировок). В отношении конструктивного исполнения и кинематической схемы грохот типа ГИСЛ аналогичен самобалансному грохоту типа ГСЛ.
Вся практика проектирования и разработки грохотов до настоящего времени характеризовалась попыткой внедрения универсальных грохотов. Однако накопленный опыт показывает, что сухое грохочение большинства сыпучих материалов более эффективно при круговых или близких к круговым колебаниям рабочих поверхностей грохотов, мокрое же грохочение (классификация, обесшламливание, отделение суспензий, обезвоживание и т. п.) более эффективно при направленных колебаниях, создаваемых инерционными силами вибровозбудителей под определенными углами относительно рабочей поверхности.
Поэтому на углеобогатительных фабриках на операции сухого рассева рядовых углей использование самобалансовых грохотов типа ГИСЛ малоэффективно. Вместе с тем при разделении рядовых углей по граничной крупности свыше 13 мм эти грохоты могут работать удовлетворительно.
Общий вид грохота ГИСЛ 62 показан на рис. 2.22.

Рис. 2.22. Общий вид грохота ГИСЛ-62
Короб грохота 1, установленный на четырех пружинных опорах 2, совершает направленные колебательные движения в вертикальной плоскости под действием центробежной силы инерции, возникающей при вращении в противоположные стороны дебалансовых грузов, установленных на двух параллельных валах вибровозбудителя 3. Траектория движения точки короба представляет собой прямую линию, наклоненную в данном случае под углом 45 градусов к плоскости сита 4. Вращение валам вибровозбудителя передается двумя двигателями 5 через эластичные лепестковые муфты 6.
Короб состоит из двух боковых листов (боковин) толщиной 8 мм, поперечных связь-балок, изготовленных из труб круглого сечения, и балки в загрузочной части короба. Поперечные связь-балки закрыты резиной, которая предохраняет их от абразивного изнашивания. Боковые короба усилены листами, угольниками и швеллерами в продольном и вертикальном направлениях. Для установки короба на опорах к боковинам прикреплены цапфы 7. Внутри короба вдоль боковых листов прикреплены угольники, на полки которых устанавливаются рамки верхнего сита. Нижние поперечные связь-балки связывают посредством высокопрочных болтов боковины, образуя пространственную форму короба, и служат также опорами для нижнего сита.
На коробе грохота установлен самосинхронизирующийся вибровозбудитель, состоящий из корпуса, внутри которого на подшипниках качения размещены параллельно друг к другу валы с неуравновешенными дебалансами.
Грохоты высокочастотныеОсновным направлением интенсификации и повышения точности разделения при сухом и мокром грохочении, обезвоживании, обезшламливании и отмыве суспензии от продуктов обогащения при создании современных грохотов является повышение их вибродинамических характеристик.
Конец ознакомительного фрагмента.
Текст предоставлен ООО «ЛитРес».
Прочитайте эту книгу целиком, купив полную легальную версию на ЛитРес.
Безопасно оплатить книгу можно банковской картой Visa, MasterCard, Maestro, со счета мобильного телефона, с платежного терминала, в салоне МТС или Связной, через PayPal, WebMoney, Яндекс.Деньги, QIWI Кошелек, бонусными картами или другим удобным Вам способом.
Приобретайте полный текст книги у нашего партнера:

