
Ремонт и отделка загородного дома
На влажных и заболоченных участках, где применение монолитного бетона затруднено из-за высоких грунтовых вод либо вообще невозможно, выполняют сборные столбчатые фундаменты в виде столба с опорной плитой. Изготавливают их заранее в горизонтальной опалубке, а если позволяют условия, возможно и вертикальное бетонирование.
При горизонтальном бетонировании в опалубку сначала укладывают арматурный каркас, который должен иметь выпуск с торцевой стороны для последующего крепления с обвязкой каркаса домика. С противоположной торцевой стороны устанавливают сетку опорной плиты. Габариты арматурного каркаса следует принимать меньше основного изделия на 30–40 мм с каждой стороны. Бетон укладывают слоями по 10–15 см со штыковкой и трамбованием каждого слоя. Чтобы поверхность уложенного бетона преждевременно не высохла, ее накрывают мокрой ветошью либо газетами, а затем полиэтиленовой пленкой или кровельным пергамином. При температуре воздуха 10–15 °C через 5–7 суток железобетонные столбы достигают прочности, достаточной, чтобы вынуть их из опалубки, а через 20–25 дней – для устройства фундамента. Размеры опорной плиты в плане обычно принимают 50х50 см высоту – 30 см, сечение столба 25х25 см. При допустимом давлении на грунт 150–200 кПа (1,5–2 кгс/см) несущая способность фундаментного столба составляет 35–50 кН (3,5–5 тс).
При маловлажных грунтах (в отрываемых ямах отсутствует грунтовая вода) столбчатые фундаменты выполняют из монолитного железобетона вертикальным бетонированием. Сначала в отрытой яме устраивают подушку толщиной 10 см из щебня или гравия с песком. После уплотнения на нее устанавливают последовательно арматурную сетку, соблюдая защитный слой бетона 70 мм при помощи бетонных либо стальных фиксаторов и арматурный каркас. По окончании бетонирования опорной плиты на верхнюю часть ее каркаса ставят опалубку, как правило, деревянную и продолжают бетонирование столба слоями 10–15 см со штыковкой и трамбованием каждого слоя. Располагают фундаментные столбы на расстоянии 1,5–2 м друг от друга с таким расчетом, чтобы они совпали с углами здания и местами пересечения внутренних и наружных стен.
Сборные ленточные фундаменты из блоков стен подвала заводского изготовления – индустриальная конструкция. Их сооружают из блоков, образующих соответственно подошву и стену фундамента. Фундаментные блоки укладывают на выровненную поверхность основания (при песчаных грунтах) или на слой утрамбованного песка толщиной 80-100 мм (при прочих грунтах). В целях экономии материалов под подошвой фундаментов устраивают песчаную из крупнозернистого песка или песчано-щебеночную подушку. Ширина ее должна быть на 300–400 мм больше ширины подошвы фундамента. Подушку выполняют, насыпая в траншею слоями по 1520 см крупнозернистый песок, щебень либо гравий, поливая водой и плотно утрамбовывая каждый слой.
Стеновые блоки устанавливаются с перевязкой швов по каждому ряду не менее чем на высоту блока. Для увеличения пространственной жесткости сборной конструкции в швы между рядами закладываются два арматурных стержня диаметром 10 мм по всему периметру фундамента, при этом длина нахлестки стержней должна быть не менее 500 мм. Круглые стержни оканчиваются крюками или лапками, а для стержней периодического профиля в этом нет необходимости. Блоки монтируют на цементном растворе состава 1:6 (на 1 ведро цемента 6 ведер песка). При применении портландцемента марки 300 необходимо учитывать, что при длительном его хранении даже в сухом месте прочность его снижается: за 6 мес. – на 40 %, за год – на 40–50 %, за два года – примерно на 60 %.
Бетонную смесь можно готовить в бетономешалке объемом 0,15 м3 либо вручную. Смесь перелопачивают до получения однородной по цвету массы. Если бетонная смесь получилась густая, в нее доливают воду. Густота готовой смеси должна быть такой, чтобы на лопате она оседала, но не растекалась. Необходимо учитывать, что песок, щебень и гравий должны быть чистыми, без примеси глины и почвы, иначе бетон хорошего качества не получится. При необходимости эти компоненты бетона тщательно промывают вручную: в наклонный ящик с открытым шибером ставят сетку, помещают туда песок, щебень и перемещают эти компоненты тяпкой либо скребком навстречу подаваемой из шланга воде.
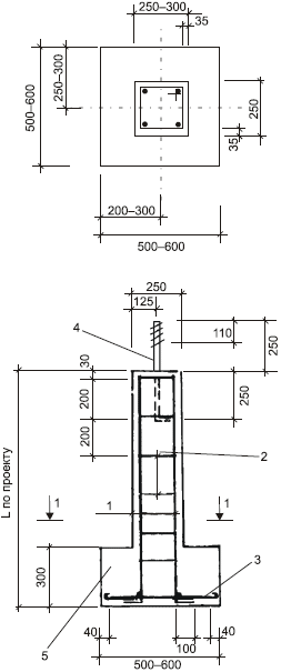
Детали фундаментов показаны на рис. 3.1–3.4.

Рис. 3.1. Мелко заглубленные ленточные фундаменты: а – мелко заглубленный фундамент из блоков стен подвалов; б – мелко заглубленный фундамент из бетона марки В7,5 (М100); 1 – блок; 2 – брусчатая стена; 3 – подушка из среднезернистого песка; 4 – отмостка; 5 – слой уплотненного песчаного грунта; 6 – глинопесчаное основание; 7 – кирпичный столб размером 250x250 мм; 8 – дощатый пол; 9 – цементно-песчаный раствор марки В3,5 (М50); 10 – бетон марки В15 (М200)

Рис. 3.2. Столбчатый железобетонный фундамент: 1 – железобетонный монолитный столбчатый фундамент; 2 – подушка из среднезернистого песка; 3 – отмостка; 4 – слой уплотненного песчаного грунта; 5 – каркасная стена; 6 – цокольное перекрытие с дощатым полом

Рис. 3.3. Конструкция железобетонного столбчатого фундамента: 1 – стержень из арматуры диаметром 10 мм; 2 – хомуты (арматура диаметром 6 мм); 3 – сетка арматурная с ячейками 150x150 мм из проволоки диаметром 6 мм; 4 – анкерный болт М16; 5 – бетон В15 (М200)

Рис. 3.4. Деталь булыжной отмостки: 1 – булыжник; 2 – подсыпка из среднезернистого песка; 3 – жирная мятая глина; 4 – уплотненный грунт; 5 – фундамент ленточный либо забирка из бетона, кирпича
Устройство плитного фундамента
Плитный фундамент – монолитная железобетонная плита, располагающаяся под всей площадью фундамента дома. Это довольно затратный тип фундамента за счет больших расходов на строительные материалы (бетона и металла). Его использование целесообразно при строительстве небольших домов, в которых плита фундамента выступает в качестве основания пола. Плитный фундамент можно использовать в строительстве домов на всех видах грунтов и при любой глубине залегания грунтовых вод. Это хороший вариант и в случае, если строительство ведется на неравномерно и сильно сжимаемых либо пучинистых грунтах, а также песчаных подушках, устроенных на месте вырезанных слабых грунтов. Благодаря прочной конструкции – монолитной плите, которая выполняется под всей площадью здания, – такой фундамент не боится никаких смещений грунтов. На нем можно строить кирпичный, бревенчатый или каркасный дом в один или несколько этажей. Постройка фундамента начинается с котлована, который сначала отрывают, а затем утрамбовывают его дно и на нем устраивают подушку из песка и слоя гравия. Сверху укладывается гидроизоляционный материал, а поверх наливается тонкий слой бетона. Затем укладывается арматура, и котлован заливают бетоном. В результате получается монолитная плита, которая в дальнейшем может стать полом цокольного этажа.
Укрепление и ремонт фундаментов
Укрепление и ремонт фундаментов проводятся обычно в летнее время. Сначала фундамент тщательно изучают, выясняются причины и размеры повреждений. При появлении косвенных признаков – трещин в стенах, искривления рядов кладки или горизонтальных стыков, отрывов наружных стен от внутренних, мокрых пятен на поверхностях стен подвала или цоколе, – указывающих на возможные повреждения фундаментов или оснований, необходимо тщательно осмотреть дом. О необходимости укрепления ленточного фундамента скажут трещины на стенах дома. Особенно надо обратить внимание на трещины, которые расширяются книзу: это сигнал тревоги от фундамента дома. При появлении признаков неравномерной осадки следует установить маяки из гипса или полосок бумаги с рисками-отметками на трещинах и понаблюдать в течение месяца. Если трещины будут увеличиваться, значит осадка продолжается. Производить ремонтные работы можно лишь после стабилизации осадки фундамента. Если на маяках в течение двух-трех недель не появятся трещины, значит деформация дома прекратилась и фундамент можно ремонтировать. При небольших трещинах можно ограничиться лишь их заделкой цементным раствором состава 1:4 (цемент: песок). При незначительных деформациях напротив участка проседания отрывают яму до подошвы фундамента, подкапывают грунт под подошвой и, если он окажется твердым, просто заливают образовавшуюся полость бетоном. Если грунт под фундаментом окажется рыхлым или с признаками грунтовых вод, то необходимо еще углубить яму, вставить под подошву трубу диаметром 30–40 мм и заливать жидкий цементно-песчаный раствор. Раствор начнет постепенно впитываться в грунт. Заливку прекращают, если раствор не убывает в течение 1–2 часов. Затем трубу заглубляют в другом месте на расстоянии 0,5 м и повторяют заливку. Процесс повторяют в нескольких местах, чтобы укрепить цементом максимально большую площадь. После этого необходимо выполнить работы по отводу грунтовых вод с участка и снова установить наблюдение за просадкой фундамента. Если просадка остановилась, то восстанавливают отмостку. Если выполненные работы не дали положительного результата, придется углублять или заменять фундамент.
Конец ознакомительного фрагмента.
Текст предоставлен ООО «ЛитРес».
Прочитайте эту книгу целиком, купив полную легальную версию на ЛитРес.
Безопасно оплатить книгу можно банковской картой Visa, MasterCard, Maestro, со счета мобильного телефона, с платежного терминала, в салоне МТС или Связной, через PayPal, WebMoney, Яндекс.Деньги, QIWI Кошелек, бонусными картами или другим удобным Вам способом.
Приобретайте полный текст книги у нашего партнера:

