
Современные технологии строительства и реконструкции зданий
Эти элементы внешнего армирования обычно либо приклеиваются к поверхности, либо вклеиваются в предварительно подготовленные пропилы. Второй вариант предпочтителен, когда необходимо сохранить первоначальный вид балок и сделать незаметным само усиление. Незаметность наряду с технологической простотой и высокой скоростью монтажа относят к основным преимуществам армирования деревянных конструкций углеволоконными элементами.
Прозрачные наногели (аэрогели) и термопена для теплоизоляции стен и крыш зданий
Наногелъ (или наноаэрогелъ) – это новаторское решение для теплоизоляции стен и крыш зданий, дающее беспрецендентную естественную инсоляцию помещений с рассеивающим световым эффектом и высококачественными теплоизоляционными, а также акустическими свойствами.
Достоинства наногеля состоят в его энергосберегающих свойствах и абсолютной безвредности для человека и окружающей среды.
Наногель является светопроницаемым теплоизоляционным материалом нового поколения, который обладает комплексом полезных функций.
Уникальность пористых гранул, из которых состоит наногель, заключается в том, что они способны регулировать теплопотери, обеспечивать естественную инсоляцию зданий. В конечном итоге, все это влияет на расход электричества, а значит, и на снижение объема выбросов С02, создает защиту от внешних шумов. Светопроводящие частицы аэрогеля пропускают свет и в то же время являются высокоэффективным теплоизоляционным материалом.
Материал можно применять при создании или реконструкции зданий: школы и музеи, музыкальные холлы, театры, частные дома, спортивные центры и бассейны, вокзалы, станции, аэропорты. Это могут быть световые окна-крыши и стены объектов, таких как склады, производственные комплексы, теплицы, фасады зданий.
Пористая структура материала существенно замедляет скорость звука в пространстве, тем самым существенно (в 2–3,5 раза) снижает шум.
Размер частиц наногеля в среднем от 0,5 до 4 мм; диаметр пор – 20 нмм; пористость составляет более 90 %; высокая теплопроводность – 0,018 Вт/мК; светопроводимость более 80 % на 1 см2; малый вес материала, 60–80 кг/м3.
Материал водоотталкивающий: высокая сопротивляемость конденсату сводит на нет развитие грибка в закрытой полости между стеклами.
Наногель позволяет существенно снизить затраты на потребление энергии на отопление, вентиляцию, кондиционирование воздуха.
Если сравнить теплоизоляционную панель толщиной 25 мм, наполненную наногелем, с другими материалами такой же толщины, то она будет эффективнее изолировать тепло, чем минеральная вата той же толщины в 1,5 раза, стекловата, роквул, перлит – в 2 раза.
Термопена – превосходный теплоизоляционный материал из пеноизола. Для получения пеноизола могут использоваться различные карбамидные смолы, пенообразователи и кислоты. Эти компоненты при помощи специальной установки перемешиваются, превращаясь в густую пену, которой и заполняются полости и пустоты зданий, сооружений.
Теплая, белая, негорючая гелеобразная масса выходит из заливочного рукава установки в готовом объеме, которой на 100 % заполняется воздушный зазор конструкции. Термопена останавливает конвекцию воздуха, но при этом позволяет стене «дышать», не накапливая при этом влагу. Что делает абсолютно безопасным использование пеноизола не только в кирпичных, но и деревянных конструкциях.
Теплоизоляционная эффективность заливочного пенопласта (рис. 1.6) выше, чем при использовании готовых плит, т. к. сокращаются тепловые потери через многочисленные мостики холода (пустоты, раковины, воздушные прослойки, возникающие, например, из-за неплотного прилегания плит друг к другу и к несущему каркасу).

Рис. 1.6. Использование заливочного пенопласта
Более того, если суммировать все расходы на покупку, транспортировку, погрузку, складирование, монтаж, то заполнение воздушного зазора пеноизолом обойдется в 2 раза дешевле. Помимо того позволит сэкономить время, избежать многих хлопот и получить качественную теплоизоляцию с гарантией на 25 лет.
Эта технология применима и к старым домам, где ранее заложенный утеплитель уже сгнил, осыпался и превратился в труху. Технология заливки пеноизола в этом случае удобна еще и тем, что не приходится разрушать кирпичную кладку, при этом благодаря низкой плотности материала дополнительная нагрузка на обветшалые несущие конструкции старых зданий минимальна.
Для заполнения таких пустот в наружной кирпичной стене, в швах кладки, так, чтобы не повредить сами кирпичи, в шахматном порядке высверливаются отверстия. Затем пеномасса подается через нижние отверстия, поднимаясь выше. Заполнив весь объем внизу, термопена появляется в отверстиях второго ряда. После этого начинается заливка уже со следующего яруса. Если заказчик сомневается, не осталось ли пустот, то после завершения работы в нескольких местах аккуратно выбиваются кирпичи, чтобы убедиться, что пеноизол заполнил все пространство.
Работы проводятся быстро, утепление двухэтажного дома средних размеров занимает, как правило, 1 день. При этом не остается никаких следов на фасаде.
Пеноизол является одним из полимерных теплоизоляционных материалов, который не способен самостоятельно гореть, плиты сертифицируются по группе горючести Г2, пеноизол, залитый в полость, рассматривается как элемент конструкции и относится к Г1. Для сравнения пенополистирол (пенопласт) – это материал уже горючей группы Г4.
Структура материала способна обеспечивать высокие звукоизоляционные свойства. Также пеноизол не допускает распространение насекомых и грызунов. Стена с пеноизолом – прекрасная защита от сырости, т. к. этот материал «дышит», он не накапливает в себе влагу, а легко ее отдает в атмосферу.
Жидкая резина – гидроизоляция будущего
Жидкая резина является новым материалом, который используется при гидроизоляции различных поверхностей и служит для выравнивания поверхностей и заполнения пустот при герметизации швов и стыков. Материал может герметизировать и заполнить повреждения любого размера (рис. 1.7). Жидкая резина – это защитный материал, имеющий неограниченный срок службы, который сопоставим со сроком эксплуатации поверхности. Данный материал представляет собой жидкий однокомпонентный полиуретан без запаха, отвердевающий однородно по всему объему поверхности в течение приблизительно 4 часов, независимо от применяемой толщины покрытия. Жидкая резина в твердом состоянии является очень прочным материалом с постоянной эластичной упругостью.

Рис. 1.7. Напыление жидкой резины
Наносится жидкая резина вручную или при помощи специальных механических приспособлений на слой П-Флекса и им же покрывается сверху. Отвердевание материала при холодной погоде и высокой влажности происходит за ночь, во всех остальных случаях – за 4 часа. По окончании отвердевания жидкая резина похожа на промышленную краску.
Материал отличается великолепной эластичностью и одновременно высоким пределом прочности, что позволяет предотвратить его отслаивание от поверхности в результате неблагоприятных воздействий давления воды, цикличных изменений температуры, резких ударов и вибрации. С течением времени становится тверже, сохраняя при этом свою эластичность.
Важные особенности жидкой резины:
♦ устойчивость к саморазрушению под воздействием УФ-лучей;
♦ отсутствие растворителей и запаха;
♦ низкое содержание органических летучих соединений и веществ;
♦ простота использования;
♦ материал не трескается, не вздувается, не расслаивается и не шелушится даже при регулярном нахождении под водой. Это же можно отметить о его поведении в условиях пониженной температуры (-43 °С) или повышенной (+100 °С);
♦ способность не растворяться в воде, отвердевать и быстро связываться при нанесении каждого последующего слоя поверх предыдущего (старого).
Область применения жидкой резины:
♦ в местах расходящихся стыков;
♦ в качестве водоотталкивающей пленки под черепицей;
♦ для заделки трещин и щелей;
♦ для покрытия полов на автостоянках и в гаражах;
♦ в качестве облицовки поверхностей люков;
♦ как долговечное покрытие плоских стен;
♦ для долговечной защиты изнутри подполий и подвалов;
♦ для коммерческого использования крыш (корты, висячие сады и др.).
Вакуумная теплоизоляция строительных конструкций
Вакуумная изоляционная плита (ВИП) обладает хорошей теплоизоляцией, применяется при индустриальных методах теплоизоляционных работ. Сборные плиты ВИП широко применяются в холодильной промышленности и в строительной отрасли. ВИП состоит из заполнителя, диафрагмы и газопоглотителя. Вакуумная теплоизоляционная плита обладает следующими преимуществами: малой массой, повышенной надежностью, огнестойкостью, экологичностью, длительным сроком службы.
Инновационная стеклопластиковая арматура в технологии строительных работ
Стеклопластиковая арматура занимает все более прочные позиции в современном строительстве. Это обусловлено, с одной стороны, ее высокой удельной проч-ностью (отношением прочности к удельной массе), с другой стороны, высокой коррозионной стойкостью, морозостойкостью, низкой теплопроводностью.
Конструкции, где используется стеклопластиковая арматура, неэлектропровод-ны, что очень важно для исключения блуждающих токов и электроосмоса. В связи с более высокой стоимостью по сравнению со стальной арматурой, стеклопласти-ковая арматура используется, главным образом, в ответственных конструкциях, к которым предъявляются особые требования. К таким конструкциям относятся морские сооружения, которые находятся в зоне переменного уровня воды.
Возможность изготовления долговечных свай для морских сооружений заложена в применении поверхностного стеклопластикового армирования. Такие конструкции по коррозионной стойкости и морозостойкости не уступают конструкциям, выполненным полностью из полимерных материалов, а по прочности, жесткости и устойчивости их превосходят.
Долговечность конструкций с внешним стеклопластиковым армированием определяется коррозионной стойкостью стеклопластика.
Стеклопластиковая арматура и ее виды
Наиболее простым видом стеклопластиковой арматуры являются стержни нужной длины, которые применяются взамен стальных. Не уступая стали по прочности, стеклопластиковые стержни значительно превосходят их по коррозионной стойкости и поэтому используются в конструкциях, в которых существует опасность коррозии арматуры. Скреплять стеклопластиковые стержни в каркасы можно с помощью самозащелкивающихся пластмассовых элементов или связыванием.

Рис. 1.8. Стеклопластиковая арматура
Арматура может выпускаться периодического профиля в виде винтовой линии (рис. 1.8), в виде «елочки» или улучшенного с насечками, что способствует повышению ее сцепления с окружающим бетоном.
Стекловолоконная арматура принадлежит к классу волоконных композитных материалов. Новейшие технологии позволяют изменять свойства путем выбора конкретных волокон, регулирования ориентации волокон и применением различных связующих материалов.
Внешнее стеклопластиковое армирование
В случае агрессивности среды к бетону эффектной защитой является внешнее армирование. При этом внешняя листовая арматура может выполнять одновременно три функции: силовую, защитную и функцию опалубки при бетонировании.
Если внешнего армирования недостаточно для восприятия механических нагрузок, применяется дополнительная внутренняя арматура, которая может быть как стеклопластиковой, так и металлической.
Внешнее армирование разделяется на сплошное и дискретное. Сплошное представляет собой листовую конструкцию, полностью покрывающую поверхность бетона, дискретное – элементы сетчатого типа или отдельные полосы. Наиболее часто осуществляется одностороннее армирование растянутой грани балки или поверхности плиты.
Основная идея конструкций с внешним армированием состоит в том, что герметичная стеклопластиковая оболочка надежно защищает бетонный элемент от воздействий внешней среды и, одновременно, выполняет функции арматуры, воспринимая механические нагрузки.
Возможны два пути получения бетонных конструкций в стеклопластиковых оболочках. Первый включает изготовление бетонных элементов, их сушку, а затем заключение в стеклопластиковую оболочку, путем многослойной обмотки стекломатериалом (стеклотканью, стеклолентой) с послойной пропиткой смолой. После полимеризации связующего обмотка превращается в сплошную стеклопластиковую оболочку, а весь элемент – в трубобетонную конструкцию.
Второй путь основан на предварительном изготовлении стеклопластиковой оболочки и последующем заполнении ее бетонной смесью.
Стеклопластиковая арматура: коррозионная стойкость
Стойкость стеклопластиков к воздействию агрессивных сред в основном зависит от вида полимерного связующего и волокна. При внутреннем армировании бетонных элементов стойкость стеклопластиковой арматуры должна оцениваться не только по отношению к внешней среде, но и по отношению к жидкой фазе в бетоне, так как твердеющий бетон является щелочной средой, в которой обычно применяемое алюмоборосиликатное волокно разрушается. Испытания показали, что стеклопластиковая арматура имеет стойкость в кислой среде более чем в 10 раз, а в растворах солей более чем в 5 раз выше стойкости стальной арматуры. Наиболее агрессивной для стеклопластиковой арматуры является щелочная среда. Снижение прочности стеклопластиковой арматуры в щелочной среде происходит в результате проникновения жидкой фазы к стекловолокну через открытые дефекты в связующем, а также посредством диффузии через связующее.
Стеклопластиковая арматура: применение при ремонте железобетонных конструкций
Традиционные способы усиления и восстановления железобетонных конструкций достаточно трудоемки и часто требуют продолжительной остановки производства. В случае агрессивной среды после ремонта требуется создать защиту сооружения от коррозии. Высокая технологичность, малые сроки твердения полимерного связующего, высокая прочность и коррозионная стойкость внешнего стеклопластикового армирования предопределили целесообразность его использования для усиления и восстановления несущих элементов сооружений. Применяемые для этих целей способы зависят от конструктивных особенностей ремонтируемых элементов.
Капиталовложения на возведение конструкций, где используется стеклопластиковая арматура, значительно больше, чем железобетонных. Однако через 5 лет они окупаются, а через 20 лет экономический эффект достигает стоимости возведения конструкций.
Энергосберегающая технология утепления наружных стен зданий базальтофибробетоном
Новая технология утепления наружных стен жилых крупнопанельных зданий с базальтофибробетонной облицовкой разработана Седип С. А. в СПбГАСУ и внедрена в Тыве (г. Кызыл).
Анализ существующих систем наружного утепления стен панельных зданий (табл. 1.3) выявил достоинства и недостатки этих систем. Откуда следует, что наиболее рациональным является навесная невентилируемая система в связи с незначительной трудоемкостью и стоимостью работ. При этом облицовочные элементы не растрескиваются, хорошо противостоят ударным воздействиям, теплоизоляционные работы выполняются в любое время года.
Таблица 1.3. Анализ существующих систем утепления зданий


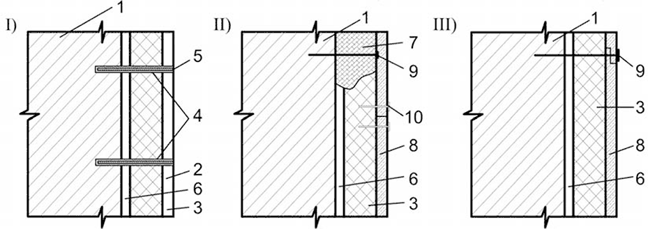
На основе анализа существующих систем наружного утепления стен зданий были предложены три варианта конструкции навесной невентилируемой системы (рис. 1.9.), имеющие лучшие технико-экономические показатели (табл. 1.4): I вариант – приклеивание утеплителя с облицовкой из базальтофибробетона, которая крепится к стене шпонками из базальтофибробетона, армированными полимерными анкерами; II – установка и приклеивание утеплителя между деревянными рейками, монтаж облицовки из волокнисто-цементных плит на анкерах; III – монтаж утеплителя и облицовки на металлических анкерах.

Рис. 1.9. Три варианта конструкций утепления наружных стен крупнопанельных зданий: 1 – существующая стена; 2 – базальтофибробетонная стяжка; 3 – утеплитель; 4 – шпонки из базальтофибробетона; 5 – анкер из полимерной арматуры; 6 – клеевой слой; 7 – деревянная рейка; 8 – волокнисто-цементные плиты; 9 – металлический анкер; 10 – шуруп-саморез
Таблица 1.4. Технико-экономические показатели различных конструкций навесных невентилируемых систем утепления наружных стен зданий


Рис. 1.10. Конструктивная схема утепления наружных стен жилых панельных зданий жесткими пенополистиролбетонными плитами с базальтофибробетонной облицовкой
Конструкция наружного утепления, состоящая из жесткого плитного утеплителя из пенополистиролбетона с базальтофибробетонной облицовкой показана на рис. 1.10. Физико-технические свойства используемых материалов при утеплении наружных стен жилых крупнопанельных зданий по предложенной технологии приведены в табл. 1.5
Таблица 1.5. Физико-технические свойства используемых материалов

Суть предложенной технологии утепления наружных стен состоит в том, что на поверхность жестких плит из пенополистиролбетона заводского изготовления с одной стороны методом торкретирования наносится базальтофибробетонная стяжка толщиной 5—10 мм с последующим выравниванием и затиркой, а с другой – слой клея типа «КРЕПС» (2–4 мм). Затем плита устанавливается в проектное положение таким образом, чтобы перекрыть мостики холода в наружных стенах здания, крепится клеем и шпонками из базальтофибробетона армированными полимерными анкерами. Для анкеровки плит в стене здания просверливают отверстия, в которые затем инъецируется базальтофибробетонный раствор и вставляется полимерный анкер (при твердении раствора образуется анкерное крепление в виде шпонки). Предпочтение отдается полимерному анкеру, т. к. металлический подвергается коррозии. Надежность крепления панелей к стене гарантируется результатами испытаний анкеров, которые выдерживают усилие на вырывание: 4–4,8 МПа при твердении в течение 1 часа; 10–12 МПа при твердении через 1 сутки.
Отличительной особенностью данной технологии утепления является применение в качестве защитного слоя базальтофибробетонной стяжки и в качестве крепежа шпонок из базальтофибробетона, армированных полимерными анкерами.
Последовательность выполнения технологических операций по утеплению наружных стен жилых крупнопанельных зданий по разработанной технологии в виде технологических схем показана на рис. 1.11—1.13.

Рис. 1.11. Технологическая схема нанесения на пенополистиролбетонные плиты базальтофибробетонной стяжки в полигонных условиях: 1 – бункер для хранения цемента; 2 – склад песка; 3 – бункер для хранения тонкодисперсного базальтового волокна; 4 – бак для воды; 5 – растворосмеситель; 6 – емкость для раствора; 7 – стенд для нанесения, выравнивания базальтофибробетонной стяжки и затирки поверхности; 8 – склад готовой продукции; 9 – стенд для нанесения клея-раствора из базальтофибробетона

Рис. 1.12. Технологическая схема устройства утепления наружных стен

Рис. 1.13. Схема инъецирования отверстий при анкеровке плит к наружным стенам (стрелками указано направление движения раствора): 1 – инъекционный агрегат; 2 – шланг; 3 – инъектор; 4 – пенополистиролбетонные плиты; 5 – наружная стена
Используемое оборудование, машины, оснастка: растворосмеситель, газорезка, установка для торкретирования, ручная затирочная машина, пескоструйный аппарат, перфораторы, миксер, инъекционный агрегат, подвижная строительная платформа, подъемник, механизированный инструмент. Качество работ по утеплению наружных стен жилых зданий с базальтофибробетонной облицовкой контролируется следующими инструментами и приборами: отвес, рейка, уровень, измерители прочности сцепления (адгезии) ПСО-МГ4, ультразвуковой измеритель УКВ-1Т, влагомер МГ4У, теплограф ИТП-МГ4, лазерный нивелир.
В 2006 году в г. Кызыле было утеплено крупнопанельное здание с использованием пенополистирольных плит с базальтофибробетонной облицовкой: 4-секционный 5-этажный 80-квартирный жилой крупнопанельный дом серии III-72-4 с/1, с общей площадью 2958 м2; с самонесущими продольными стенами из однослойных керамзитобетонных панелей толщиной 450 мм. Применение разработанной технологии позволило уменьшить продолжительность и снизить трудоемкость работ по сравнению с традиционными способами на 27 %. Комплексная механизация с использованием строительных передвижных мачтовых платформ дополнительно повышает производительность работ на 8—10 % по сравнению с применением традиционных строительных лесов, т. к. материалы и необходимое оборудование поднимается вместе с рабочими.
Как показал опыт утепления 5-этажного жилого крупнопанельного дома, разработанную технологию целесообразно применять для утепления зданий разной этажности с наружными однослойными панельными стенами.
Глава 2. Современное строительство дорог, работы нулевого цикла
Возведение зданий и сооружений в общем случае состоит из нескольких циклов, каждый из которых включает определенный комплекс строительных работ. Выполнение этих работ осуществляется в определенной технологической последовательности: подготовительные работы; устройство нулевого цикла (подземной части здания); возведение надземной части; отделочные работы; благоустройство территории.
Конец ознакомительного фрагмента.
Текст предоставлен ООО «ЛитРес».
Прочитайте эту книгу целиком, купив полную легальную версию на ЛитРес.
Безопасно оплатить книгу можно банковской картой Visa, MasterCard, Maestro, со счета мобильного телефона, с платежного терминала, в салоне МТС или Связной, через PayPal, WebMoney, Яндекс.Деньги, QIWI Кошелек, бонусными картами или другим удобным Вам способом.
Приобретайте полный текст книги у нашего партнера:

