
Космос

Дерево и человек – близкие родственники.
Фото Б. Рэя
Похоже, что до кембрийского взрыва виды сменяли друг друга относительно медленно. Отчасти, наверное, такое впечатление складывается из-за того, что чем дальше мы углубляемся в прошлое, тем скуднее становится доступная нам информация; лишь немногие организмы на ранних этапах истории нашей планеты имели твердые органы, а мягкие ткани почти не дают ископаемых остатков. Однако отчасти представление о том, что до кембрийского взрыва принципиально новые формы жизни появлялись редко, соответствует действительности; тончайшие эволюционные изменения в структуре и биохимии клетки не находят непосредственного отражения во внешних формах, фиксируемых окаменелостями. После кембрийского взрыва новые изощренные акты приспособления следовали друг за другом со скоростью, от которой захватывает дух. В стремительной череде превращений появились первые рыбы и позвоночные; растения, прежде обитавшие только в океанах, начали колонизировать сушу; народилось первое насекомое, и его потомки стали пионерами в освоении земной тверди среди животных; крылатые насекомые вывелись одновременно с амфибиями, существами, которые, подобно двоякодышащим рыбам, способны жить и на земле, и в воде; выросли первые деревья и рептилии; расплодились динозавры; возникли млекопитающие, а вслед за ними первые птицы; увидели свет первые цветы; динозавры исчезли с лица Земли; первые китообразные, предки современных дельфинов и китов, пришли в мир одновременно с приматами, пращурами обезьян и человека. Первые подобия человека, со значительно увеличенным объемом мозга, обрели плоть меньше 10 млн лет назад. И всего несколько миллионов лет назад появились первые настоящие люди.
Человеческий род взращен в лесах, и мы питаем естественное влечение к зеленым кущам. Как чудесно дерево, устремленное к небу! Его листья собирают солнечный свет, необходимый для фотосинтеза, и потому деревья соперничают, затеняя соседей. Часто, приглядевшись, можно заметить, как два дерева с медлительной грациозностью борются друг с другом. Деревья – это замечательные механизмы, которые у солнца берут энергию, у почвы – воду, у воздуха – углекислый газ и все это превращают в пищу для себя и для нас. Созданные ими углеводы растения используют в качестве источника энергии для своих, растительных нужд. А мы, животные, паразитирующие на растениях, воруем углеводы для достижения наших собственных целей. Поедая растения, мы соединяем углеводы с кислородом, растворенным в нашей крови, благодаря дыханию, и таким образом извлекаем энергию, позволяющую нам двигаться. По ходу дела мы выдыхаем углекислый газ, который растения вновь превращают в углеводы. Какая изумительная кооперация: растения дышат тем, что выдыхают животные, и наоборот! Этакий изящный всепланетный цикл взаимного питания, который поддерживается энергией звезды в 150 млн км от нас.

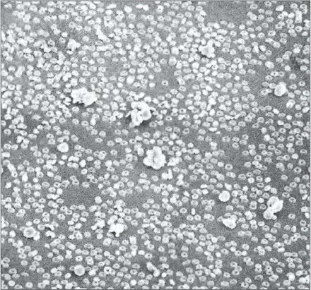
Макрофотография клеток крови человека. Клетки, напоминающие пончики, – это красные кровяные тельца (эритроциты), переносящие кислород. Более крупные комки – белые кровяные тельца, которые уничтожают чужеродные микроорганизмы.
Публикуется с разрешения Д. Голди, Калифорнийский университет, Лос-Анджелес
Известны десятки миллиардов типов органических молекул. Но лишь около 50 типов участвуют в фундаментальных процессах жизнедеятельности. Одни и те же схемы снова и снова используются с изобретательностью и экономным консерватизмом для разных функций. В самой основе земной жизни – белках, управляющих клеточной химией, и нуклеиновых кислотах, несущих наследственные инструкции, – мы обнаруживаем молекулы, одинаковые у всех растений и животных. И дуб, и я сделаны из одного материала. Если мы заглянем достаточно далеко в прошлое, то найдем нашего общего предка.
По сложности и красоте устройства живая клетка не уступает царству звезд и галактик. Ее тщательно отлаженный механизм совершенствовался миллиардами лет эволюции. Фрагменты пищи причудливым образом превращаются в работающие клеточные структуры. Сегодняшние белые кровяные тельца – это вчерашнее пюре из шпината. Как подобное удается клетке? Внутри нее находится сложнейшая самоподдерживающаяся структура, которая преобразует молекулы, запасает энергию и готовится к самовоспроизведению. Попав внутрь клетки, мы увидели бы многочисленные пятна-молекулы, в основном белки, некоторые в состоянии бешеной активности, другие – в ожидании чего-то. Самые важные белки – ферменты. Эти молекулы управляют химическими реакциями в клетке. Ферменты подобны сборщикам у конвейера – каждый специализируется на какой-то отдельной молекулярной операции: один выполняет, например, шаг 4 в процессе конструирования нуклеотида гуанозинфосфата, другой – шаг 11 в процессе расщепления молекулы сахара в целях извлечения энергии, универсальной валюты, которой расплачиваются за выполнение всех остальных работ в клетке. Однако не ферменты заказывают музыку. Они получают инструкции и сами создаются по указаниям свыше. Молекулы-начальники – это нуклеиновые кислоты. Они живут изолированно в запретном городе в самой сердцевине клетки – ее ядре.

Электронные микрофотографии клеток крови человека (с последовательным увеличением). На верхнем снимке большинство клеток – красные кровяные тельца. Клетка, которая занимает весь нижний снимок, это B-лимфоцит, внутрь которого мы заглянем на следующей странице. Его диаметр – около одной десятитысячной сантиметра.
Конец ознакомительного фрагмента.
Текст предоставлен ООО «Литрес».
Прочитайте эту книгу целиком, купив полную легальную версию на Литрес.
Безопасно оплатить книгу можно банковской картой Visa, MasterCard, Maestro, со счета мобильного телефона, с платежного терминала, в салоне МТС или Связной, через PayPal, WebMoney, Яндекс.Деньги, QIWI Кошелек, бонусными картами или другим удобным Вам способом.
Сноски
1
Ану, Эа, Шамаш – месопотамские божества. – Прим. ред.
2
Слово «Cosmos», вынесенное в название книги, Саган пишет с заглавной буквы, вкладывая в него смысл «Вселенная», «всё сущее», «всеобщий порядок вещей». В таких случаях в переводе слово «Космос» тоже пишется с заглавной буквы. Но если речь идет о космическом пространстве и его исследовании методами астрономии и космонавтики, то слово «космос» пишется со строчной буквы. Как правило, в таких случаях Саган использует слово «space». – Прим. пер.
3
Речь именно о первом успешном исследовании на поверхности другой планеты. Поэтому Саган не рассматривает состоявшиеся ранее многочисленные полеты к Луне и ряд неудачных попыток посадки на Марс, произведенных советскими автоматическими межпланетными станциями. – Прим. пер.
4
Джентри Ли (р. 1942) – американский ученый и писатель-фантаст. Впоследствии был главным инженером межпланетной станции «Галилео», участвовал в подготовке марсоходов «Спирит» и «Оппортьюнити» и других космических миссий. Несколько романов написал в соавторстве с Артуром Кларком. – Прим. пер.
5
Роберт Годдард (1882–1945) – пионер американского ракетостроения. – Прим. пер.
6
За прошедшее время гипотеза о нейтринных осцилляциях блестяще подтвердилась. Это сняло вопрос о дефиците солнечных нейтрино, но породило новые проблемы. У осциллирующих нейтрино должна быть масса, а это противоречит Стандартной модели, лежащей в основании современной физики элементарных частиц. Вместе с тем этой массы все равно недостаточно, чтобы остановить расширение Вселенной. Более того, оказалось, что это расширение не замедляется, а наоборот, ускоряется. – Прим. пер.
7
Энн Друян (р. 1949) – американская сценаристка и продюсер, специализирующаяся на популяризации науки, жена Карла Сагана. – Прим. пер.
8
Стивен Сотер (р. 1943) – американский астрофизик и популяризатор науки. Один из авторов определения планеты, принятого в 2006 г. Международным астрономическим союзом, по которому Плутон был лишен статуса планеты. – Прим. пер.
9
Цит. по: Пополь-Вух / Пер. Р. В. Кинжалова // Священные письмена майя. – СПб.: Амфора, 2007. Имена первых людей у Сагана даны в переводе на английский: «the Sorcerer of Fatal Laughter, the Sorcerer of Night, Unkempt, the Black Sorcerer», что можно перевести как «Колдун Рокового Смеха, Колдун Ночи, Косматый и Черный Колдун». Однако перевод с языка киче допускает иные интерпретации. Слово «балам» буквально означает «ягуар», но может служить титулом, означающим могущество или магическую силу. Кице может указывать на лес или на киче – союз четырех племен майя. Смысл имени Махукутах неясен, среди вариантов «странник», «старейшина», «не сейчас». Ики может пониматься не только как «черный» или «темный», но и как «ветер». – Прим. пер.
10
Цит. по: Блез Паскаль. Мысли / Пер. Ю. Гинзбург. – М., 1995. – С. 105. – Прим. пер.
11
Один миллиард = 1 000 000 000 = 109; один триллион = 1 000 000 000 000 = 1012. Показатель степени соответствует количеству нулей после единицы.
12
Сегодня эта оценка может быть увеличена на 1–2 порядка величины – порядка 1024. Открытия экзопланет показали, что, скорее всего, в Галактике планет может быть на порядок больше, чем звезд, и оценка общего числа галактик в видимой части Вселенной тоже в несколько раз выросла, согласно последним исследованиям. – Прим. пер.
13
На сегодня численность Местной группы перевалила за 50. – Прим. пер.
14
Сегодня у галактики M31 открыто уже девять спутников. – Прим. пер.
15
Солнечная система находится в рукаве Ориона – Лебедя. Он третий или четвертый по счету от центра Галактики, но не последний. За нами идет рукав Персея и, по-видимому, еще один внешний рукав. – Прим. пер.
16
На сегодняшний день о переходных формах между рассеянными и шаровыми звездными скоплениями не известно. Эти два типа скоплений имеют существенно различное происхождение. – Прим. пер.
17
Хотя саму черную дыру не видно, вблизи будет заметно, как ее тяготение, искривляя световые лучи, искажает вид звездного неба вокруг себя. – Прим. пер.
18
Астрономы называют этот рой облаком Оорта, по имени голландского астронома Яна Хендрика Оорта (1900–1992), который выдвинул гипотезу о его существовании. Облако Оорта до сих пор остается гипотетическим объектом, так как непосредственное наблюдение принадлежащих ему объектов находится далеко за пределами возможностей современной техники. – Прим. пер.
19
По данным зонда «Новые горизонты», исследовавшего Плутон в 2015 г., лед на его поверхности преимущественно азотный (97–98 %) с небольшой примесью метана, которая, однако, играет важную роль, создавая в разреженной атмосфере Плутона парниковый эффект. В 2006 г. Международный астрономический союз принял определение планеты, по которому Плутон перестал считаться планетой. По характеристикам своей орбиты он относится к категории транснептуновых объектов, а по своей сферической форме – к новой категории карликовых планет. В отличие от больших планет, карликовые неспособны расчистить область вблизи своей орбиты от «конкурентов» сопоставимой массы. Ввести формальное определение планеты потребовалось после открытия многочисленных экзопланет и транснептуновых объектов. – Прим. пер.
20
Солнце светит на Плутоне в 150–450 раз ярче полной Луны (яркость зависит от меняющегося расстояния до Солнца). При таком освещении вполне можно читать. Атмосфера Плутона, хотя и в сотни раз уступает по плотности марсианской, но способна рассеивать свет. С поверхности небо, по-видимому, выглядит тусклым белесо-голубым со слоистой дымкой. – Прим. пер.
21
Именно высокое содержание азота (78 %) в земной атмосфере определяет голубой цвет нашего неба. – Прим. пер.
22
Речь о дне летнего солнцестояния, который приходится на 21 июня по нашему календарю, но, конечно, не по календарю эпохи Эратосфена. О работе Эратосфена мы знаем по краткому пересказу в трактате Клеомеда «О круговращении небесного свода», где без конкретной даты говорится о летнем солнцестоянии в созвездии Рака (сегодня оно происходит в созвездии Тельца). Сиена – греческое название города Сун (ныне Асуан). – Прим. пер.
23
Нехо II (609–595 до н. э.). – Прим. ред.
24
Цит. по: Страбон. География / Пер. Г. А. Стратановского. – М.: Наука, 1964. – С. 11, 71 (кроме последней фразы). – Прим. пер.
25
Университет Саламанки – старейший в Испании. В 1486–1490 гг. созванный при нем совет рассматривал проект Колумба и не поддержал его. Несмотря на это, королева Кастилии Изабелла I позволила Колумбу осуществить его экспедицию. – Прим. пер.
26
Серапеум – храм эллинистического бога Сераписа. – Прим. ред.
27
Они называются так потому, что могут быть получены сечением конуса под разными углами. Спустя 18 столетий Иоганн Кеплер использовал труды Аполлония о конических сечениях, когда первым правильно объяснил движение планет. – Прим. пер.
28
Современное значение – 13,8 млрд лет – получено по данным спутника «Планк» (2015). – Прим. пер.
29
Цит. по: Дарвин Ч. Происхождение видов / Под ред. А. Л. Тахтаджяна. – СПб.: Наука, 2001. – Прим. пер.
30
Сэр Уильям Хаггинс (1824–1910) – английский астроном, первым применивший спектроскоп для изучения звезд и туманностей. – Прим. пер.
31
В русскоязычной литературе клан Хэйкэ чаще фигурирует под именем Тайра, а клан Гэндзи – под именем Минамото. – Прим. пер.
32
Данноура – восточная приморская часть города Симоно-сэки. – Прим. пер.
33
Цит. по: Монах Юкинага. Повесть о Доме Тайра / Пер. И. Львовой. – М.: Азбука-классика, 2005. – Прим. пер.
34
Правда, западные религиозные деятели всегда настаивали на обратном, как, например, Джон Уэсли (основатель методистской церкви, живший в 1703–1791 гг. – Прим. ред.), заявивший в 1770 г.: «Смерти никогда не будет позволено истребить [даже] самый незначительный вид». – Прим. авт.
35
Вероятно, автор имел в виду: от несколько сотен тысяч до десяти миллионов кубических сантиметров. – Прим. пер.
36
В священной книге народа майя «Пополь-Вух» появление различных форм жизни приписывается неудачным попыткам богов создать людей. Первые попытки, очень далекие от цели, породили низших животных; предпоследняя проба, почти достигшая цели, вызвала к жизни обезьян. В китайском мифе люди произошли от вши на теле бога Паньгу. В XVIII в. Бюффон предположил, что Земля значительно старше, чем говорит Священное Писание, что формы жизни на протяжении тысячелетий медленно изменяются. Однако обезьян он считал выродившимися потомками людей. Хотя эти представления не совсем точно отражают описанный Дарвином и Уоллесом эволюционный процесс, они явились его предтечами – подобно взглядам Демокрита, Эмпедокла и других ионийских ученых, о которых мы поговорим в главе VII. – Прим. авт.
37
Цит. по: Дарвин Ч. Происхождение видов / Под ред. А. Л. Тахтаджяна. – СПб.: Наука, 2001. – Прим. пер.
38
Герман Джозеф Мёллер (Hermann Joseph Muller, 1890–1967) – один из основоположников радиационной генетики. В 1916 г. доказал, что четырем хромосомам в ядрах клеток дрозофил соответствуют четыре группы связных генов. В 1920 г. совместно с Алтенбургом продемонстрировал постоянство скорости мутаций, независимо от необходимости в них. В 1927 г. обнаружил, что рентгеновские лучи увеличивают скорость мутации в сотни и тысячи раз по сравнению с нормой, что было отмечено Нобелевской премией в 1946 г. – Прим. пер.
39
В период написания книги это была очень оптимистичная оценка. Вплоть до недавнего времени самые древние следы жизни, найденные на Земле, были не старше 3,5 млрд лет. Однако буквально в 2017 г. обнаружены окаменелые следы микробов возрастом 3,8 млрд лет, а возможно, и старше (Dodd M. S. et al., Nature 543:60–65). Есть также косвенные признаки существования жизни ранее 4 млрд лет назад. – Прим. пер.
40
По современным представлениям, появлению ДНК предшествовала стадия РНК-мира, когда отбор шел среди самовоспроизводящихся молекул рибонуклеиновой кислоты (РНК), также несущих генетический код. Однако чисто случайное появление самовоспроизводящейся молекулы РНК все же выглядит статистически невероятным. Поэтому активно обсуждается вопрос о возможных этапах химической эволюции (на основе автокаталитических реакций), которые могли предшествовать РНК-миру. – Прим. пер.
41
По последним данным, самые ранние известные ископаемые подтверждения полового размножения у одноклеточных имеют возраст 1–1,2 млрд лет (Nicholas Butterfield N., 26 (3):386–404). – Прим. пер.
42
Есть исключения. Например, у амебы нет полового процесса, они размножаются только делением. – Прим. пер.
43
По последним данным, атмосфера начала насыщаться кислородом около 2–2,5 млрд лет назад. Именно к этой эпохе относится описываемая далее «кислородная катастрофа». Долгое время океан поглощал большую часть поступающего кислорода, однако около 1 млрд лет назад содержание кислорода в атмосфере продолжило расти и примерно 500 млн лет назад стало близким к современному уровню. – Прим. пер.
Приобретайте полный текст книги у нашего партнера:

