
Центробежные насосы нефтепереработки

Константин Ефанов
Центробежные насосы нефтепереработки
Введение
Настоящая монография является попыткой выпустить краткую книгу в дополнение к классической литературе по нефтяным насосам с описанием монтажно-технологических вопросов, отсутствующих в классической литературе и с подробным приведением теории расчета валов насосов на резонанс.
Новизна работы состоит в включении в ней горизонтальных установок погружных насосов и предложение их к анализу внедрения в нефтепереработку в дополнение к используемым нефтяным насосам.
Вопросы, затронутые в книге являются междисциплинарными и позволят взаимно развить смежные компетенции у специалистов нефтяников, проектировщиков, машиностроителей. И тем самым направлена на повышение качества взаимодействия специалистов при решении вопросов поставки и изготовления насосного оборудования.
Монография предназначена для широкого круга специалистов проектировщиков и конструкторов нефтяных насосных агрегатов, специалистов отделов маркетинга.
__
Посвящается Богу Творцу Троице!
Выражаю благодарность моей маме, работавшей в нефтяном машиностроении.
Монтажная привязка насосных агрегатов на местах установки
На технологических установках в цехах распространена открытая установка насосов под эстакадами, навесами и этажерками с учетом в настоящее время недействующего ОСТ 26-1141-74 «Насосы. Основные требования к установке и эксплуатации вне помещений на химических, нефтехимических и нефтеперерабатывающих производствах» (могут быть заменены на легкие кожуха с отверстиями для вентиляции); для общезаводского хозяйства распространена закрытая установка насосов в насосных станция [2]. Для защиты от снега открытая площадка ограждается по периметру щитами.
Схема наружной установки насоса [5]:

Схема продувки вспомогательного трубопровода [5]:

Насосные агрегаты размещают на площадках группами и оборудуют передвижными подъемными средствами (консольными кранами, например) для выполнения монтажных работ.
Средний и капитальный ремонты насосов в холодное время года следует производить только в ремонтных цехах или мастерских специализированными ремонтными бригадами, оснащенными соответствующими механизмами и приспособлениями. Для этих целей необходимо предусмотреть
Вместе с включенными в работу насосами устанавливают резервные на случай аварии и капитального ремонта в холодное время года (ремонт в ремонтном цехе). В случае допускаемой остановки насоса могут быть установлены оборотные насосы.
Уровень площадки выше уровня прилегающей территории. Поверхность площадки выполняют с уклоном для стоков осадков и жидкостей. Реализуются условия по отсутствию образования наледи на полу, например, обогревом. На площадке делают канавы для отвода стоков и незамерзающий дренаж (с обогревающим трубопроводом-спутником) с емкостью.
Насосный агрегат и трубопроводы теплоизолируются, при необходимость подогрева используют трубопроводы-спутники, прокладываемые совместно с технологическими трубопроводами. Линии с горячим теплоносителем и незамерзающим хладагентом выполняют по замкнутому контуру, линии с замерзающим хладагентом не замкнуты.
На площадку проводят линии с паром, сжатым воздухом и азотом для прогрева и продувки.
Трубопроводы в том числе системы обвязки торцового уплотнения проектируются по нормам с наличием воздушников и дренажей, смотровых устройств типа фонарей и воронок для контроля течения жидкости.
Для соблюдения санитарных требований при наружной установке насосных агрегатов выполняют:
– автоматическое управление работой насосов и дистанционный контроль параметров процесса,
– контроль режима и условий работы обслуживающего и ремонтного персонала.
Электродвигатели насосных агрегатов вместе с системами пуска и защиты должны соответствовать "Правилам устройства электроустановок", для взрывоопасные смеси газов или паров с воздухом "Правилам изготовления взрывозащищенного и рудничного электрооборудования".
По уровню шума электродвигатели не должны превышать 80 дБА. Это касается санитарной зоны, для которой строится интегральная кривая. Однако, требование 80 дБА распространено на насосы по умолчанию. При необходимости использования более шумных электродвигателей персонал использует бируши, или насос снабжается защитным кожухом при непостоянном нахождении персонала около насосов.
В электродвигатели шумы возникают по трем основным причинам:
– шумы от работы подшипниковых узлов
– шумы при работе вентилятора системы охлаждения,
– колебаниями магнитопровода статора и ротора под действием магнитного поля.
Для обеспечения шумности электродвигателем 80 дБА, электродвигатель по всем трем указанным параметрам должен иметь соответствующие конструктивные решения.
На нефтеперерабатывающих заводах насосы делят на перекачивающие нефтепродукты, перекачивающие кислоты и щелочи, перекачивающие воду, очищенные стоки и химически неагрессивные вещества [3].
В промышленных условиях применяют в основном центробежные насосы [4].
Центробежные насосы используются для перекачки нефти, нефтепродуктов и сжиженных углеводородных газов. В применении распространены консольные насосы типа НК, секционные межопорные НДМ. На насосных станция магистральных трубопроводов применяют насосы типа НМ. Для кислот и щелочей применяют насосы типа Х и др.
Кратковременная остановка производства вызовет значительный ущерб.
Основные требования к обвязке насосов насосных станций:
– наличие резервного насоса на случай поломки основного насоса,
– удобство и безопасность демонтажа и обслуживания насоса,
– высасывающий трубопровод выполняют максимально коротким без сужений и поворотов для уменьшения гидравлических потерь
– на линии всасывания перед насосом устанавливается фильтр во избежание поломок насоса от попадания крупных частиц,
– между нагнетательным патрубком и задвижкой устанавливается байпасированный обратный клапан для защиты рабочего колеса от гидравлического удара при остановке (байпас используется во время пуска насоса),
– К насосу гибкими шлангами подводят пар, инертный газа, сжатый воздух для продувки и прогрева насоса от линий, подведенных к площадке с насосами.
Регулируют работу центробежных насосов с помощью клапана, установленного на выходном патрубке насоса [4]. Пуск выполняют при закрытой задвижке на выходе, открытием задвижки устанавливают требуемую производительность насоса.
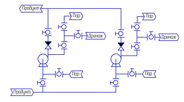
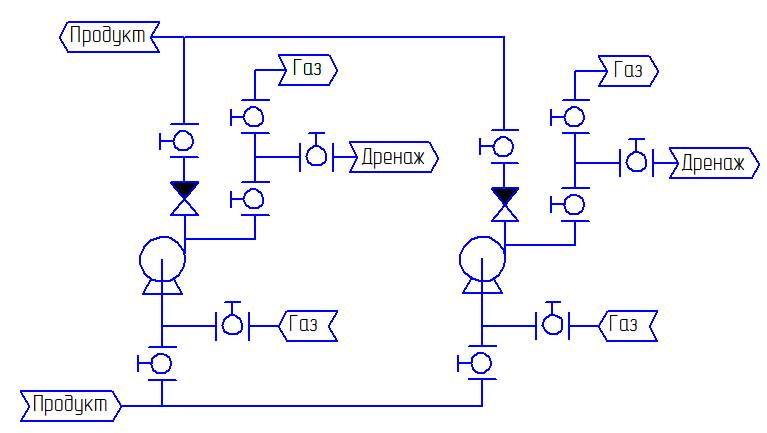
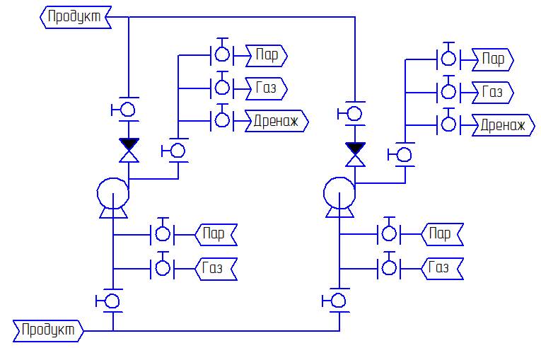
Наиболее распространенные схемы обвязки насосов:
– схема обвязки для пропариваемого насоса:

– схема обвязки для продувки газом

– схема обвязки для пропариваемых и продуваемых насосов:

– схема обвязки насосов продуваемых и промываемых:

– схема обвязки для циркуляции через запасной насос (остальная часть обвязки условно не показана):

Подробные схемы обвязки с указанием первичных приборов КИПиА как правило разрабатываются в виде внутренних стандартов проектных институтов.
Варианты расположения трубопроводов:
– правильная трассировка труб для насосов типа НК:

– для насоса типа НДМ:

Привязка насоса в технологической документации
Для насосного агрегата проектируются рабочая технологическая схема с обвязкой трубопроводами, схема автоматизации, электрическая схема.
В проектном институте технологом проектируется общая технологическая схема установки, в которую интегрируется схема от насоса.
Завод изготовитель разрабатывает PI&D схемы насосов, которые затем перечерчиваются на технологической схеме объекта и в результате получается общая сквозная технологическая схема, вписывающая схему насоса в схему объекта.
Схемы разрабатываются и рассчитываются в специализированных программах для технологических расчетов, по результатам расчетов выполняется графическая часть разработки схемы PI&D.
Насос на схеме показывается в виде, соответствующим реальному насосу для предоставления наиболее полной информации. Вариант изображения насоса в виде условного изображения является худшим по сравнению с первым способом.
Приведем пример привязки насоса в технологии

Исходными данными для выбора насоса являются [2]:
– напор во всасывающей и нагнетательной линиях трубопровода,
– расход и температура перекачиваемого потока,
– вязкость и плотности жидкости.
Разница между напорами во всасывающей и нагнетательной линиях трубопровода (дифференциальный напор) является тем напором, который требуется обеспечить работой насоса. Под этот напор проектируется проточная часть насоса и оптимизируется под максимальный КПД.
Напор насоса, рассчитанный, по приведенной выше формуле Эйлера:

представляет собой разницу между напором
во всасывающей

и нагнетательной линиях

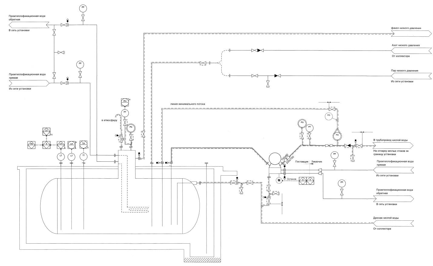
Технологические схемы обвязки насосов
Для комплектации отечественного насосного оборудования рекомендуется использовать торцовые уплотнения и системы их обвязки российских фирм-производителей Анод и Герметика. Отметим, что специалистами Герметики была выпущена монография «Уплотнения и уплотнительная техника».
Проектирование теплообменного аппарата необходимо заказать у конструктора статического оборудования, а для разработки технологической схемы привлечь технолога проектного института.
Описание работ по проектированию блоков нефтяных аппаратов на современном уровне подробно изложено в работе [1].
Проектирование объектов нефтепереработки в целом приведено в работе [2].
Монтажная компоновка может быть выполнена с привлечением специалиста по монтажной компоновке (трассировка труб, ориентация арматуры и КИПиА и др.) или конструкторами по насосам. Для этого необходимо знать нормы проектирования технологических трубопроводов и требования к компоновке технологических объектов нефтеперерабатывающих заводов.
Схемы обвязки современных торцовых уплотнений разрабатывают на основании приведенных данных в переведенном на русский язык стандарте ГОСТ 32600 (оригинальный стандарт API 610).
Технологическая схема обвязки насоса и насосного агрегата проектируется по нормам и правилам, по которым проектируются технологические схемы для нефтеперерабатывающих установок. Разработка схемы может быть выполнена вручную или, возможно, с использованием специальных программ, например, HYSYS, используемой для расчета технологических схем нефтепереработки (в этом случае насосный агрегат проектируется как блочная установка).
Технологическая схема должна выполняться отдельным документом и прикладываться в комплект документации к системе обвязки торцового уплотнения (со схемой автоматизации).
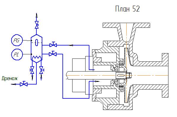
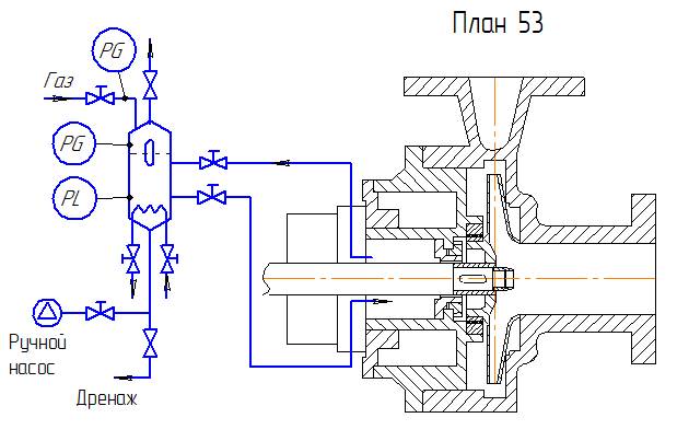
Одинарные торцовые уплотнения не комплектуются системой обвязки как таковой. В сальниковую камеру торцового уплотнения из нагнетательного патрубка насоса по трубопроводу подается жидкость для поддержания давления по плану 21, и с обеспечением циркуляции импеллером по схемам планов из ГОСТ 32600:


Защитная жидкость может подаваться на одинарное уплотнение с внешней линии:

– план 52

– план 53

Схема автоматизации системы обвязки уплотнения определяется применяемым планом и теплообменным аппаратом с его комплектацией.
Теплообменные аппараты являются статическим технологически оборудованием в составе насосного агрегата. В этом случае насосный агрегат можно рассматривать как насосную установку в блочном исполнении – на общей раме с монтажом насоса, электродвигателя, технологических трубопроводов. Трубопроводы необходимо проектировать (трассировка и конструкция) в соответствии с нормами на технологические трубопроводы вне зависимости от того, указаны трубопроводы насосных агрегатов в ГОСТ на технологические трубопроводы или нет так как это формальная проблема.
Теплообменные аппараты могут быть различных конструктивных исполнений в зависимости от применяемого плана.
Теплообменник является кожехотрубным аппаратом, вариант конструктивного исполнения может быть со спиральным внутренним змеевиком.
Теплообменник проектируется по нормам на аппараты до 21МПа и поставляется с полным комплектом документации по ГОСТ. Чертеж на теплообменный аппарата должен быть выполнен так же, как принято выполнять и оформлять чертежи на теплообменные аппараты нефтепереработки с указанием главного вида, всех видов, разрезов, сечений, таблицы технической характеристики, таблицы штуцеров. К теплообменнику может быть приложен теплогидравличекий расчет, выполненный методом конечных элементов в специальном программном пакете или другим способом (вручную).
КИПиА измеряют отклонение параметров циркулирующей жидкости в непрерывном режиме, при необходимости выдается сигнализация и задержка отключения для перехода на резервный агрегат. Интерфейс – RS-485.
Для систем обвязки существует широкий перечень выбора арматуры, выбираемой конкретизировано для индивидуальной схемы обвязки.
__
Выполняется 3D-компоновка трубной обвязки насоса в соответствии с материалом работ [22], [23]. Затем должна выполняется выборка трубопроводных линий, как это принято в строительстве технологических установок. На каждую линию выпускается отдельный чертеж с припусками по трем осям координат для обеспечения сборки. В строительстве принято выпускать изометрические проекции трубопроводов по ВСН. В машиностроении следует выпускать документацию по требованиям ЕСКД в виде ортогональных проекций с указанием размеров и конфигурации. В строительстве изометрические схемы получают автоматически из 3D-программ таких как PDMS. В нефтяном машиностроении применяют 3D-программы Компас 3D, SolidWorks, и др. в которых из 3D трубопроводная линия может быть открыта отдельно и разработан в 2D чертеж в ортогональных проекциях с глубокой конструкторской и технологической проработкой.
Монтажная компоновка (размещение системы обвязки на раме в пространстве) выполняется по исходным данным в виде чертежа насоса, электропривода, технологической схемы обвязки. Технологическая схема обвязки уплотнения используется при чтении чертежа системы обвязки для облечения.
Выполнение обвязки трубопроводами по внутризаводской инструкции больше похоже на подход, применяемый в строительстве с использованием изометрических чертежей и сборкой сваркой элементов линии по месту. Сборка по специально разработанным чертежам для серийной продукции является более корректным и технически грамотным решением.
Система КИПиА насоса
Безопасность и корректность работы насосного агрегата обеспечивается установкой средства КИПиА.
Производительность насоса регулируют дросселированием на линии нагнетательного трубопровода с помощью задвижки или клапана.
При технологической необходимости регулировния в зонах низкого КПД, выполняется перепуск по байпасу на всасывающий патрубок с регулирующим клапаном на байпасе.
Насосный агрегат в общем случае комплектуется средствами КИПиА:
– сигнализатора уровня в верхней части насоса для остановки агрегата при снижении уровня ниже допустимого,
– при недопустимости установки сигнализатора уровня производят визуальный контроль со смотровым фонарем перед пуском, регулятор уровня устанавливают на приемном резервуаре или емкостном аппарате,
– в случае отсутствия смотрового фонаря, используют воздушник, по которому контролируют заполнение насоса, для неопасных жидкостей схема может быть упрощена до визуального контроля,
– термометр устанавливают на подшипники электродвигателя,
– электродвигатели комплектуются термисторной защитой,
– может использоваться электроконтактный манометр, установленный к полости статора,
– на напорном трубопроводе может быть установлен электроконтактный маномер для отключения насоса при снижении давления Рвс+(0,8)Рном.
– отбор давления блокировки на линии отбора жидкости после фильтра и направляемой обратно в зазор между ротором и статором.
Расчет характеристик насосов
Сравнительное рассмотрение теорий методов расчета проточной части и построение характеристик методом конечных элементов приведены в работе [6]. На современном уровне развития техники проводить экспериментальное определение точек и выполнять построение характеристик необязательно. Достаточно точные результаты можно получить расчетом в программном пакете ANSYS методом конечных объемов. Методом конечных объемов решаются задачи вычислительной гидродинамики.
Конец ознакомительного фрагмента.
Текст предоставлен ООО «Литрес».
Прочитайте эту книгу целиком, купив полную легальную версию на Литрес.
Безопасно оплатить книгу можно банковской картой Visa, MasterCard, Maestro, со счета мобильного телефона, с платежного терминала, в салоне МТС или Связной, через PayPal, WebMoney, Яндекс.Деньги, QIWI Кошелек, бонусными картами или другим удобным Вам способом.
Приобретайте полный текст книги у нашего партнера:

