
Большая книга по планированию дома
В электрическую линию, состоящую из проводников, которые обеспечивают защитное заземление или зануление, не должны входить предохранители и выключатели. Этого требует техника безопасности, поскольку в случае срабатывания защиты все приборы, которые соединяет эта групповая линия, окажутся под опасным напряжением.
В отверстиях перекрытий укрепляются специальные металлические крюки, на которых подвешиваются потолочные светильники (рис. 32). Подвесы светильников должны быть изолированы от этих крюков пластмассовой трубкой.

Рис. 32. Металлические крюки, предназначенные для крепления светильников
На некоторых типах проводов, отличающихся большой жесткостью и прочностью, светильники можно вешать и без крюков. Но использовать вместо крюков сами питающие провода можно только для подвески легкой осветительной арматуры и лишь в том случае, если провода изготовлены для этой цели. В любом случае контактные зажимы в патроне и в соединительной колодке на потолке не должны испытывать механическую нагрузку.
Несмотря на то что сейчас уже не выпускаются патроны для ламп накаливания с токоведущей винтовой гильзой, они все еще встречаются в эксплуатации. Токоведущие гильзы в таких патронах должны быть присоединены к заземленному нулевому проводу, а центральный пружинящий контакт патрона – к фазному проводу, как того требуют правила техники безопасности. В выпускающихся в настоящее время патронах с изолированной гильзой цоколь вставляемой в них лампочки оказывается под напряжением только после того, как он полностью утоплен в изолированном корпусе патрона. Такие лампы намного безопаснее в эксплуатации.
Как уже говорилось, при открытой электропроводке провода закрепляют непосредственно на поверхности стен, потолков, балок, на изоляторах, в металлических, пластмассовых трубах, в коробах или электротехнических плинтусах.
Открытая электропроводка по поверхности оштукатуренных или оклеенных обоями бетонных, кирпичных, деревянных стен может производиться легкими небронированными кабелями, защищенными проводами, или плоскими проводами марок АППВ, ППВ, АППР.
По ряду показателей медные провода предпочтительнее алюминиевых. Они выдерживают большее количество изгибаний, гораздо лучше «ведут себя» в контактных соединениях (алюминиевые «текут», то есть ослабляют контакт, что приводит к нагреванию).
Горизонтальную прокладку проводов делают параллельно линии пересечения стены с потолком на расстоянии 10–20 см от последнего. Магистрали штепсельных розеток прокладываются по горизонтальной линии, а спуски и подъемы проводов к розеткам, выключателям и светильникам – вертикально. По перекрытиям плоские провода можно прокладывать по кратчайшей трассе между ответвительными коробками и светильниками, следя за тем, чтобы провода не перекрещивались и не подвергались механическим нагрузкам и повреждениям. Целесообразно использовать для этой цели пустотные каналы плит перекрытия.
Необходимо помнить, что расстояние от проложенной параллельно линии электропроводки или от соединительной коробки до стальных трубопроводов не должно быть меньше 10 см. Если линия проводки пересекает трубопровод, расстояние от нее до трубы в месте пересечения не должно быть меньше 5 см.
Для крепления проводов используются скобки, представляющие собой полоски из жести шириной 10 мм. Полоски закрепляются в стену дюбелями или вмазываются в нее цементным или алебастровым раствором в специально высверленные или пробитые в стене отверстия диаметром 10 мм.
Точки крепления провода располагаются на расстоянии не более 40 см. Если провода пересекаются, точки крепления выбирают не дальше 5 см от центра пересечения. Когда крепление производится гвоздями на деревянной стене, расстояние между точками нужно сделать 25–30 см. В этом случае ответвительные коробки укрепляют на деревянном основании шурупами. При креплении ответвительных коробок на других стенах (несгораемых) они приворачиваются шурупами, вставленными в пластмассовые дюбели, или приклеиваются. В некоторых случаях коробки вообще не закрепляются, а висят, поддерживаемые проводами.
Провода, введенные в распределительную коробку, закрепляются на стене на расстоянии примерно 5 см от нее.
Выключатели и розетки защищенного типа при открытой проводке устанавливаются на пластмассовых или деревянных подрозетниках, прикрепленных к стене. Диаметр подрозетника должен примерно на 1 см превышать размеры установленного на нем устройства.
Для того чтобы провести кабель через деревянную стену, используют отрезки металлической трубы, для проводки через бетонную, кирпичную, керамзитобетонную стену – пластмассовые трубки или втулки. Как и провода, кабели соединяются в распределительных пластмассовых коробках, закрепленных шурупами на стене.
Перед вводом кабеля в корпус светильника, выключателя или розетки его необходимо дополнительно закрепить на стене на расстоянии 5–10 см от места ввода.
Аналогичным образом производят проводку с применением защищенных проводов, закрепляют их так же, как и кабельную линию.
Скрытая электропроводка (под штукатурку, выполняемую мокрым способом) производится с применением проводов АППВ, АПВ, АППВС, АПН. Будущую линию проводки размечают на стене, предусматривая гнезда для распределительных коробок, коробок розеток и выключателей, пробивают отверстия в стенах для прохода проводов. Коробки должны быть вмазаны в гнезда так, чтобы их края выступали из стены на толщину слоя будущей штукатурки.
Штукатурить стены можно тогда, когда скрытая часть проводки будет готова. Все остальные работы по монтажу выключателей и розеток, соединению проводов в коробках производятся после наклейки обоев или окраски стен.
Электропроводка в трубах применяется в тех случаях, когда необходимо защитить провода от воздействия агрессивной окружающей среды (сырость, взрывоопасные газовые смеси, химически активные газы) или от механических повреждений. Для этой цели используют стальные водогазопроводные трубы, полиэтиленовые и полипропиленовые трубы, винипластовые трубы, а также металлические гибкие рукава. Диаметр труб можно выбирать исходя от конкретной задачи – от количества и диаметров проводов конкретной электрической линии.
Начинать разметку труб таких проводок нужно с расположения концов труб, подходящих к электрощитам, электроприемникам, аппаратам управления. После этого размечают всю трассу, определяя сразу места установки соединительных коробок, углы поворотов, точки крепления.
Применение пластмассовых труб позволяет избежать соединений в местах поворотов трассы, так как пластмассовые трубы легко гнутся в горячей воде при температуре 100–130 °C. Следует помнить, что применять пластмассовые трубы можно только во внутренних помещениях, в которых температура не превышает 60 °C.
Чтобы избежать скапливания в трубах конденсата, укладку труб производят с небольшим уклоном в любую сторону. Все металлические элементы электропроводок в трубах должны быть защищены от коррозии, а также заземлены или занулены. Соединения труб при скрытой проводке выполняется только на резьбе с паклей и закрашивается суриком.
Заземление или зануление производится с помощью гибкой медной перемычки от трубы к корпусу или через трубу заземляющими гайками. Проверка смонтированного трубопровода перед протягиванием проводов сводится к его продувке. Затем в трубы затягивают стальную поволоку диаметром 1,5–3,5 мм, с петлей на конце. Выравненные и выправленные провода присоединяют к проволоке и затягивают в трубу. Затягивание необходимо выполнять вдвоем: один тянет проволоку, другой с противоположного конца следит за подачей проводов в трубу, предотвращая их спутывание.
Запрещено соединять провода в трубах. Любые соединения выполняются только в коробках и тщательно изолируются. После протяжки проводов необходимо испытать сопротивление изоляции проводов между собой и между каждым проводом и землей (трубой). Оно не должно превышать 0,5 МОм.
Розетки и выключатели при скрытой проводке на кирпичном, шлаковом, шлакобетонном основаниях необходимо устанавливать в стальных коробках, которые должны иметь два отверстия для зацепления распорных лапок розетки или выключателя.
Коробки изготавливаются из кровельного железа, жести или подходящих по размерам консервных банок и имеют наружный диаметр 72 мм и глубину 36 мм.
Составление схемы электропроводки
Прежде чем приступать к прокладке электропроводки, необходимо четко представить себе ее принципиальную электрическую схему. Монтировать скрытую проводку без знания схемы, пожалуй, и вовсе невозможно. Вся работа в этом случае может закончиться коротким замыканием.
Кроме того, вам трудно будет определить точное место нарушения контакта, поскольку из-за последовательного и параллельного соединения отдельных участков схемы исчезновение напряжения на каком-либо оконечном устройстве может быть вызвано нарушением контактов совсем в другом месте. Избежать всех этих неприятностей, подстерегающих хозяина жилища, можно, если предварительно составить принципиальную и монтажную схемы электропроводки в своем доме и тщательно изучить их.
Составление схемы обычно начинают с вводного устройства. Вводные устройства, как правило, бывают типовыми (рис. 33).

Рис. 33. Пример типовой электрической проводки (план расположения оконечных устройств)
На групповых щитках устанавливаются счетчики электроэнергии для каждого частного дома или квартиры. Здесь же находятся выключатели и аппараты защиты – предохранители или автоматические выключатели каждой групповой линии.
Часто в одну квартиру (частный дом) вводится несколько самостоятельных групповых линий, при этом в кухню для подключения электроплиты, стиральной машины и других электроприборов может проводиться отдельная, более мощная линия.
Каждая групповая линия подсоединяется к одному фазному проводу и нулевому рабочему проводу, соединенному на трансформаторной подстанции с заземленной нейтралью. Они составляют одну фазу. Размещающиеся на групповом щитке аппараты защиты включают в фазный провод.
Принципиальную схему каждой из групповых линий будем рисовать на общем плане. Начнем с того, что отметим на плане ввод линии в помещение, ограничившись указанием, что линия начинается с предохранителей. Нанесем на план все розетки, выключатели, светильники, кнопку электрического звонка и сам звонок.
Определим все электроустановочные устройства (розетки, выключатели и т. п.), принадлежащие к одной из линий, входящих в дом. Делается это просто, без использования каких-либо измерительных инструментов. Все лампы светильников включаются, а к каждой из розеток подключается какой-нибудь бытовой прибор, постоянно расходующий электроэнергию, чтобы можно было контролировать наличие в розетке напряжения, – настольная лампа, магнитофон, фен, пылесос, радиоприемник и т. д. Понятно, что холодильник для этой цели использовать нецелесообразно, поскольку периодическое отключение компрессора внесет путаницу в ваше исследование электрической цепи.
Затем вы отключаете один из предохранителей или автоматических выключателей на групповом щитке и отмечаете на плане обесточенные бытовые приборы и светильники. Может оказаться, что, для того чтобы обесточить какую-нибудь линию, вам придется отключить еще один предохранитель. Это будет свидетельствовать о том, что данная линия защищена двумя предохранителями. Затем связываете на плане обесточенные устройства с соответствующей групповой линией.
Как правило, в домах постройки последнего времени автомат защиты стоит только в фазном проводе.
Определить, какое из гнезд розетки или какая из клемм выключателя подключены к фазному проводу, а какие – к нейтрали, вы не сможете без индикатора напряжения с неоновой лампочкой. Если при касании щупом индикатора к контакту лампочка светится, он соединен с фазным проводом, а противоположный, соответственно, – с нейтралью. Это необходимо отметить на схеме электропроводки.
Существенный момент заключается в том, чтобы точно определить соединение с фазой или нейтралью клемм светильника и клемм его выключателя. Когда-нибудь вам придется менять перегоревшую лампу или весь светильник, а быть может, и ремонтировать патрон. Поэтому вы должны обеспечить безопасность этих работ уже сейчас. Для того чтобы подобные работы не велись под напряжением, необходимо монтировать ответвление от линии к светильнику таким образом, чтобы выключатель был соединен с фазным проводом, а цоколь лампы (его наружная обечайка с резьбой) – с заземленной нейтралью.
С помощью индикатора напряжения несложно установить, правильно ли включен ваш светильник и следует ли вам опасаться неожиданного удара электрическим током. Сняв крышку выключателя, прикоснитесь индикатором к его клеммам. Если при замкнутом выключателе светильник горит, а индикатор не светится, то выключатель подключен к нейтрали, если светится – к фазному проводу.
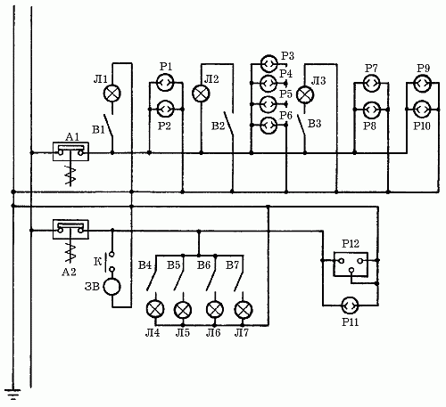
Выяснив, к каким проводам подключены контакты ваших розеток и выключателей, обозначьте полученную вами информацию на своем плане. В результате у вас получится простейшая принципиальная схема электропроводки (рис. 34).

Рис. 34. Пример домашней электрической проводки. Принципиальная схема: А1, А2 – автоматические предохранители; Л1– Л7 – лампы светильников; В1-В7 – выключатели светильников; Р1-Р11 – розетки; Р12 – разъем для подключения электроплиты; ЗВ – электрический звонок; К – кнопка электрического звонка
Размещение электроприборов и розеток для их подключения
Если вы собираетесь поставить в помещении телевизор, то в комнате, в которой он будет находиться, делайте три штепсельные розетки: одна – для телевизора, две другие – для прочих бытовых нужд. Если есть возможность, то розетки располагайте в одном месте на высоте 1 м от пола. В том случае, если у вас есть маленькие дети, которые могут дотянуться до розеток, устанавливайте их на высоте 1,5 м и даже выше или используйте специальные заглушки.
В кухне или комнате, где будет стоять холодильник, делайте две штепсельные розетки: для холодильника и других бытовых приборов.
Конец ознакомительного фрагмента.
Текст предоставлен ООО «ЛитРес».
Прочитайте эту книгу целиком, купив полную легальную версию на ЛитРес.
Безопасно оплатить книгу можно банковской картой Visa, MasterCard, Maestro, со счета мобильного телефона, с платежного терминала, в салоне МТС или Связной, через PayPal, WebMoney, Яндекс.Деньги, QIWI Кошелек, бонусными картами или другим удобным Вам способом.
Приобретайте полный текст книги у нашего партнера:

