
Сборник лабораторных работ по цифровым устройствам. Для колледжей

Сборник лабораторных работ по цифровым устройствам
Для колледжей
М. А. Нсанов
© М. А. Нсанов, 2024
ISBN 978-5-4493-3877-8
Создано в интеллектуальной издательской системе Ridero
Введение
Если студент хочет действительно разбираться в цифровой микроэлектронике, то только теоретических знаний, полученных из учебников и лекций преподавателя, абсолютно недостаточно. Нужно не только знать теоретически, как должно работать цифровое устройство, но и посмотреть, как оно работает в реальности.
Для этого в курсе предмета «Цифровые устройства» (Цифровая микроэлектроника, Цифровая микросхемотехника) любого технического учебного заведения предусмотрено выполнение цикла лабораторных работ.
Данный Сборник лабораторных работ состоит из трех разделов:
1. Логические элементы. Здесь проводится исследование работы логических элементов и конкретных микросхем, содержащих эти логические элементы.
2. Комбинационные цифровые устройства (ЦУ). В этом разделе опять же с помощью конкретных микросхем исследуется работа устройств, которые не способны запоминать результаты выполненных операций: шифраторы, дешифраторы, сумматоры и многие другие.
3. Последовательностные ЦУ. На этом этапе выполняется исследование работы микросхем устройств, которые не только выполняют определенные операции, но и могут запоминать полученные результаты этих операций. К ним относятся: интегральные триггеры, регистры, счетчики, запоминающие устройства (ЗУ) и прочие.
Описание почти каждой лабораторной работы содержит:
– Предварительное задание, которое каждый студент должен выполнить до начала лабораторной работы.
– Порядок выполнения работы.
– Пример выполнения предварительного задания.
– Пример выполнения лабораторной работы с показом и объяснением результатов.
Здесь приведены лабораторные работы, которые выполняются на компьютерах с помощью программы Elektroniks Workbehch. Автор в курсе, что есть более новая версия этой программы под названием Multisim, но ничего принципиально нового там нет. Поэтому перерабатывать весь огромный накопленный материал под новую версию автор не видит смысла.
Описания работ составлены с учетом того, что все студенты достаточно свободно обязаны уметь работать с компьютерной программой Elektroniks Workbehch, так как на этой же программе выполнялись ранее лабораторные работы по электротехнике и электронике. Здесь следует иметь в виду, что указанная программа использует «Западные» стандарты (смотрите Введение из указанного в [Л1] учебника), а мы (в частности, Россия и Казахстан) применяем «восточные» стандарты.
Работы, которые выполняются на лабораторном стенде, приводить не имеет смысла, так как в учебных заведениях используются разные стенды.
Возможно, те, кто проявит интерес к данному труду, найдет (хотя бы в Интернете) нечто отдаленно похожее, но автор ни в коей мере не ориентировался на разработки других специалистов (хотя, конечно же, знакомился с ними), а только на наглядность и эффективность обучения студентов в отношении развития умений и навыков работы с цифровыми устройствами.
Настоящий Сборник изначально (еще во время работы автора в Алматинском колледже связи) задумывался применительно именно к специализации отрасли связи, но надеюсь, что он будет полезен при обучении студентов любых отраслей, где используется аппаратура цифровой микроэлектроники. Автор считает, что данный сборник будет особо полезен для преподавателей учебных заведений технической направленности, где изучается аппаратура цифровой микроэлектроники.
Необходимая теоретическая база для выполнения указанных здесь лабораторных работ приведена в учебнике: Нсанов М. А. Цифровые устройства. Электронная версия, издательство Ridero, 2018 [Л1], который имеется в продаже на Litres.ru, Ozon.ru, ТД «Москва» (moscowbooks.ru), Google Books (books.google.ru), Bookz.ru, Lib.aldebaran.ru, iknigi.net, Bookland.com, на витринах мобильных приложений Everbook, МТС, Билайн и др. Кроме этого, студенты могут (и даже желательно) пользоваться другими учебниками и учебными пособиями по данному предмету.
Здесь приведено значительно больше лабораторных работ, чем положено по программе. Некоторые из них разработаны на перспективу, а также используются в качестве демонстрационного материала при изложении соответствующих тем.
Все приведенные здесь лабораторные работы поставлены и апробированы в течение около 20 лет в Алматинском колледже связи (АКС) и Алматинском Государственном колледже транспорта и коммуникаций (АГКТК). Оба колледжа являются старейшими и ведущими учебными заведениями Республики Казахстан соответствующего профиля и уровня, которые скоро будут праздновать свое 90-летие.
Если появятся какие-либо вопросы к автору, то можно непосредственно связаться с ним по адресу электронной почты: murat.nsanov@gmail.com.
Раздел 1. Логические элементы
Лабораторная работа №1
«Исследование работы ЦУ на логических элементах в статическом режиме»
Предварительное задание
Перед выполнением задания следует рассмотреть Пример 2 из §1.2 [Л1].
1. Записать название каждого логического элемента по их номерам в схеме.
Рядом с названием указать, какую операцию выполняет данный элемент.
2. Выполнить анализ работы заданной в соответствии со своим вариантом схемы в статическом режиме по заданным значениям входных сигналов: указать значения сигналов на входах и выходах всех элементов.
Для входных сигналов, указанных более мелким шрифтом – карандашом, более крупным шрифтом – ручкой.

























Цели работы:
– обучающая: исследование работы цифрового устройства (ЦУ) на логических элементах, проверка результатов предварительного задания к данной работе;
– воспитательная: воспитание любви к выбранной профессии, сознательного отношения к учебе;
– развивающая: развитие логического мышления, памяти, способности принятия самостоятельных решений, умения делать выводы.
Литература:
1. Нсанов М. А. Цифровые устройства. Издательство Ridero, 2018.
2. Конспект.
Подготовка к работе:
1. Проработать теоретический материал [Л1, §§1.1, 1.2].
2. Знать ответы на контрольные вопросы.
3. Выполнить предварительное задание по своему варианту.
Оборудование: Персональный компьютер с программой исследования работы устройств электроники и микроэлектроники «Elektroniks Workbehch».
Порядок выполнения работы
1. Запустить программу исследования работы элементов и устройств электроники и микроэлектроники «Elektroniks Workbehch».
2. Собрать схему комбинационного ЦУ своего варианта из предварительного задания для данной лабораторной работы.
Новые приборы и элементы, которые появляются в этой работе:

3. Развернуть панель генератора (рис.1), где нужно указывать значения сигналов, которые будут подаваться на входы ЦУ.

4. В окошке Final (рис.1) печатается адрес последней нужной нам строки левой колонки. В данном случае предварительное задание к этой лабораторной работе указывает два значения входных сигналов, поэтому потребуются две строки с адресами в шестнадцатиричном коде 0000 и 0001 (следующие строки имеют адреса 0002, 0003, …, 0009, 000A, 000B, 000C и т.д.). Следовательно, в окошке Final печатается адрес последней нужной сейчас строки 0001.
5. Установить курсор на первую строку левой колонки (рис.1).
6. В окошке Binary (двоичный) напечатать (рис.1) 4 входных сигнала, указанных карандашом (или более мелким шрифтом в схеме задания) в пункте 2 предварительного задания к данной лабораторной работе. Эти 4 сигнала указываем в конце, так как именно последние 4 выхода генератора сигналов (смотрите рис.4) используются для подачи сигналов на входы.
Например, если заданы входные сигналы 1010, эти сигналы и нужно печатать (как на рис.1).
7. Установить курсор на вторую строку левой колонки и в окошке Binary напечатать 4 входных сигнала, указанных ручкой (или более крупным шрифтом в схеме задания) в пункте 2 предварительного задания к данной лабораторной работе.
8. Нажать на клавишу Step (шаг) генератора сигналов. Проверить по индикаторам, подаются ли нужные сигналы на входы схемы ЦУ из пункта 2 (карандашом или более мелким шрифтом в схеме задания) предварительного задания к данной лабораторной работе. Определить по индикаторам значения сигналов на входах и выходах всех элементов. Сравнить эти значения с результатами предварительного задания для данной лабораторной работы, выполненными карандашом. Сделать вывод и показать результат преподавателю.
9. Еще раз нажать на клавишу Step генератора сигналов. Проверить по индикаторам, подаются ли нужные сигналы на входы схемы ЦУ из пункта 2 (ручкой или более крупным шрифтом в схеме задания) предварительного задания к данной лабораторной работе. Определить по индикаторам значения сигналов на входах и выходах всех элементов. Сравнить эти значения с результатами предварительного задания для данной лабораторной работы, выполненными ручкой. Сделать вывод и показать результат преподавателю.
Содержание отчета:
1. Номер и название работы.
2. Выполненное предварительное задание для данной лабораторной работы.
Контрольные вопросы:
– Начертить условное графическое изображение логических элементов НЕ, И, ИЛИ, И-НЕ, ИЛИ-НЕ.
– Какую операцию выполняют элементы НЕ, И, ИЛИ, И-НЕ, ИЛИ-НЕ?
– Привести формулу операции логического отрицания, логического умножения, логического сложения, операции И-НЕ, операции ИЛИ-НЕ.
– Пояснить на примерах смысл логических операций НЕ, И, ИЛИ, И-НЕ, ИЛИ-НЕ.
Примечание:
В дальнейшем автор для сокращения объема будет приводить только предварительное задание и порядок выполнения работы. Все остальные пункты выполняются по шаблону.
ВЫПОЛНЕНИЕ РАБОТЫ
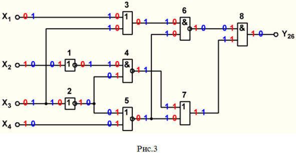
Для примера рассмотрим вариант №26 (рис.2).

Здесь для наглядности входные сигналы, указанные в задании более мелким шрифтом, показаны красным цветом, более крупным – синим.
Выполнение предварительного задания
Примечание: Подробное описание решения поставленных задач приведено в Примере 2 из §1.2 [Л1].
1. Указываем название каждого элемента и выполняемые операции.
1,2 – элементы НЕ (инвертирование).
8 – элемент 2И (логическое умножение).
3,7 – элементы 2ИЛИ (логическое сложение).
4,6 – Элементы 2И-НЕ (логическое умножение с последующим инвертированием полученного результата).
5 – элемент 2ИЛИ-НЕ (логическое сложение с последующим инвертированием полученного результата).
2. Выполняем (рис.3) анализ работы схемы в статическом режиме по заданным значениям входных сигналов: указываем значения сигналов на входах и выходах всех элементов. Для входных сигналов, указанных более мелким шрифтом – красным цветом, более крупным шрифтом – синим.

Выполнение лабораторной работы
1. Запускаем программу исследования работы элементов и устройств электроники и микроэлектроники «Elektroniks Workbehch».
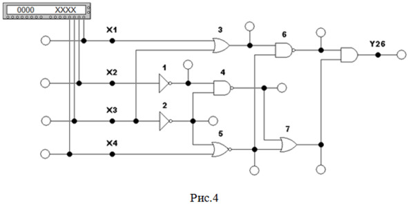
2. Собираем схему ЦУ нашего варианта (рис.4). Обращаем внимание, что в программе изображение элементов приведены по «западному» стандарту в отличие от схемы в задании, где изображение элементов даны по «восточному» стандарту.

3. Разворачиваем панель генератора сигналов (рис.5).

4. В пункте 2 предварительного задания задаются две комбинации входных сигналов: красным и синим цветом на рис.3. Поэтому в левой колонке генератора сигналов будем использовать две строки с адресами 0000 и 0001. Последний адрес 0001 указываем в окошке Final генератора сигналов (рис.5).
5. Устанавливаем курсор на первую строку левой колонки (рис.5).
6. В окошке Binary (двоичный) печатаем (рис.5) 4 входных сигнала 1010, указанных мелким шрифтом в задании или красным цветом на рис.2. Эти 4 сигнала указываем в конце, так как именно последние 4 выхода генератора сигналов (смотрите рис.4) используются для подачи сигналов на входы.
П р и м е ч а н и е: входные сигналы можно печатать не в окошке Binary, а непосредственно в левой колонке генератора сигналов. Но в этом случае следует иметь в виду, что здесь информация выражается в шестнадцатиричном коде: 00002 = 016, 00012 = 116, 00102 = 216, …, 10102 = А16, …, 11112 = F16.
7. Устанавливаем курсор на вторую строку левой колонки и в окошке Binary печатаем (рис.6) 4 входных сигнала 0101 (01012 = 516), указанных крупным шрифтом в задании или синим цветом на рис.2.

8. Нажимаем на клавишу Step (шаг) генератора сигналов и получаем результат, показанный на рис.7. Проверяем по индикаторам, подаются ли нужные сигналы на входы схемы ЦУ (мелким шрифтом в задании или красным цветом на рис.2). Определить по индикаторам значения сигналов на входах и выходах всех элементов. Сравниваем эти значения с результатами предварительного задания для данной лабораторной работы, выполненными красным цветом на рис.3. В данном случае результаты совпадают, то есть схема сработала правильно.

9. Еще раз нажимаем на клавишу Step генератора сигналов и получаем результат, показанный на рис.8. Проверяем по индикаторам, подаются ли нужные сигналы на входы схемы ЦУ (крупным шрифтом в задании или синим цветом на рис.2). Определить по индикаторам значения сигналов на входах и выходах всех элементов. Сравниваем эти значения с результатами предварительного задания для данной лабораторной работы, выполненными синим цветом на рис.3. В данном случае результаты тоже совпадают, то есть схема сработала правильно.

Лабораторная работа №2
«Исследование работы ЦУ на логических элементах в динамическом режиме»
Предварительное задание
Перед выполнением задания следует рассмотреть Пример 2 из §1.2 [Л1].
Исследовать работу схемы в динамическом режиме: построить временные диаграммы для всех элементов при заданных изменениях уровней сигналов на входах (рис.1):

Порядок выполнения работы
1. Запустить программу исследования работы элементов и устройств электроники и микроэлектроники «Elektroniks Workbehch».
2. Собрать схему комбинационного ЦУ своего варианта из предварительного задания для данной лабораторной работы.

3. Развернуть панель генератора сигналов (рис.2).

4. В окошках Frequency (частота) установить частоту изменения входных сигналов 8 кГц (рис.2).
5. Так как согласно заданию рассматриваются только 4 тактовых интервала, то мы будем использовать 4 строки левой колонки генератора сигналов с адресами 0000, 0001, 0010 и 0011. Поэтому в окошке Final (рис.2) печатается адрес последней нужной нам строки 0011.
6. Установить курсор на первую строку левой колонки и в окошке Binary напечатать (рис.2) 4 входных сигнала 0100 1-го тактового интервала (в предварительном задании на рис.1 выделены красным цветом)
Напоминаем: входные сигналы можно печатать не в окошке Binary, а непосредственно в левой колонке генератора сигналов. Но в этом случае следует иметь в виду, что здесь информация выражается в шестнадцатиричном коде: 00002 = 016, 00012 = 116, 00102 = 216, 00112=316, 01002=416, …, 11112 = F16.
7. Аналогично установить сигналы следующих тактовых интервалов.
8. Развернуть панель логического анализатора (рис.3).

9. Нажать на клавишу Burst (взрыв) генератора сигналов. Тогда генератор последовательно, в 4 такта, выдаст 4 группы сигналов на входы схемы, и остановится. При этом логический анализатор покажет изменение сигналов на входах ЦУ и выходах всех элементов.
10. Сравнить показания логического анализатора с построенной временной диаграммой при выполнении предварительного задания и сделать вывод.
ВЫПОЛНЕНИЕ РАБОТЫ
Для примера снова рассмотрим вариант №26 (Рис.4).

Выполнение предварительного задания
Исследуем работу схемы (рис.4) в динамическом режиме: построим временные диаграммы для всех элементов при предварительно заданных изменениях уровней сигналов на входах (рис.5).
Примечание: Подробное описание решения поставленной задачи приведено в Примере 2 из §1.2 [Л1].

Выполнение лабораторной работы
1. Запускаем программу исследования работы элементов и устройств электроники и микроэлектроники «Elektroniks Workbehch».
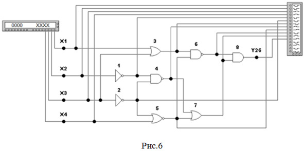
2. Собираем схему комбинационного ЦУ нашего 26-го варианта (рис.6) для ее исследования в динамическом режиме.

3. Разворачиваем панель генератора сигналов (рис.2).
4. В окошках Frequency (частота) устанавливаем частоту изменения входных сигналов 8 кГц (рис.2).
5. Так как согласно заданию рассматриваются только 4 тактовых интервала, то мы будем использовать 4 строки левой колонки генератора сигналов с адресами 0000, 0001, 0002 и 0003. Поэтому в окошке Final (рис.2) печатаем адрес последней нужной нам строки 0003.
6. Устанавливаем курсор на первую строку левой колонки и в окошке Binary печатаем (рис.2) 4 входных сигнала 0100 1-го тактового интервала (в предварительном задании на рис.1 выделены красным цветом).
Напоминаем: входные сигналы можно печатать не в окошке Binary, а непосредственно в левой колонке генератора сигналов. Но в этом случае следует иметь в виду, что здесь информация выражается в шестнадцатиричном коде: 01002 = 416.
7. Устанавливаем курсор на вторую строку левой колонки и в окошке Binary печатаем (рис.7) 4 входных сигнала 1011 2-го тактового интервала (в предварительном задании на рис.1 выделены синим цветом). Эти же сигналы можно указать непосредственно в левой колонке в шестнадцатиричном коде: 10112=В16.

8. Устанавливаем курсор на третью строку левой колонки и в окошке Binary печатаем (рис.8) 4 входных сигнала 0110 3-го тактового интервала (в предварительном задании на рис.1 выделены зеленым цветом). Эти же сигналы можно указать непосредственно в левой колонке в шестнадцатиричном коде: 01102=616.

9. Устанавливаем курсор на четвертую строку левой колонки и в окошке Binary печатаем (рис.9) 4 входных сигнала 0000 4-го тактового интервала (в предварительном задании на рис.1 выделены розовым цветом). Эти же сигналы можно указать непосредственно в левой колонке в шестнадцатиричном коде: 00002 = 016.

