
Сборник лабораторных работ по цифровым устройствам. Для колледжей

10. Разворачиваем панель логического анализатора (рис.3).
11. Нажимаем на клавишу Burst (взрыв) генератора сигналов. Тогда генератор последовательно, в 4 такта, выдаст 4 группы сигналов на входы схемы, и остановится. При этом логический анализатор покажет изменение сигналов на входах ЦУ и выходах всех элементов (рис.10).

12. Сравниваем показания логического анализатора (рис.10) с построенной временной диаграммой (рис.5) при выполнении предварительного задания и делаем вывод: в рассмотренных 4-х тактах схема работает правильно.
Лабораторная работа №3
«Исследование работы ИМС логических элементов НЕ, И»
Предварительное задание
Перед выполнением задания следует рассмотреть Пример 1 из §1.2 [Л1].
1. Начертить в отчете микросхему КР1533ЛН1. Составить таблицу истинности элемента НЕ.
2. Начертить в отчете микросхему КР1533ЛИ1. Составить таблицу истинности элемента 2И.
3. Начертить в отчете микросхему КР1533ЛИ3. Составить таблицу истинности элемента 3И.
Порядок выполнения работы
1. Запустить программу исследования работы элементов и устройств электроники и микроэлектроники «Elektroniks Workbehch».
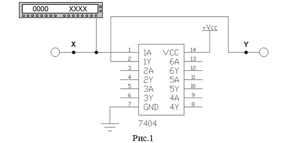
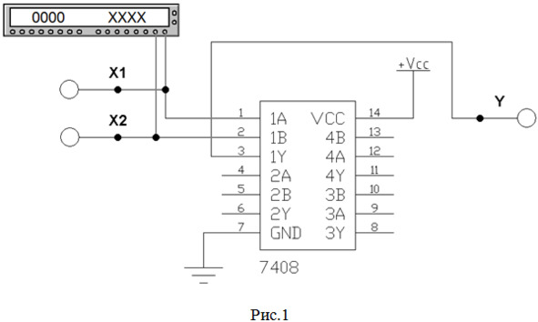
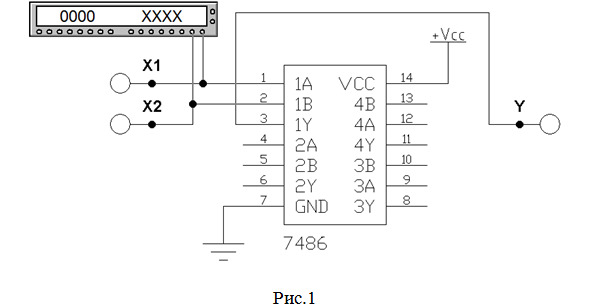
2. Собрать схему (рис.1) для исследования работы микросхемы SN74ALS04А фирмы «Texas Instruments Inc.» (российский аналог – микросхема КР1533ЛН1), содержащей 6 элементов НЕ. Примечание: в схеме на рис.1 используется 1-й элемент данной микросхемы. Учащиеся применяют элемент, номер которого совпадает с номером компьютера.

Новые элементы, которые появляются в этой работе:

Так как маркировка микросхемы SN74LS04А содержит цифры 74, то из этого меню нужно вытащить на поле значок «74хх». При этом появляется список микросхем серии «74хх», из которого нужно выбрать нужную микросхему «7404» и нажать на клавишу «Accept» («Установить»):
3. Показать работу выбранного элемента НЕ данной микросхемы для обоих значений входных сигналов. Убедиться, что элемент работает в соответствии с составленной таблицей истинности. Результат показать преподавателю.
Примечания к пунктам 3, 5, 7. Напоминаем: на панели генератора сигналов в строке Final следует указать адрес последней строки в левой колонке (в данном случае – количество строк таблицы истинности), причем счет начинается с 0: 0000, 0001, 0002, 0003 и т. д.


5. Показать работу выбранного элемента 2И данной микросхемы для всех комбинаций входных сигналов. Убедиться, что элемент работает в соответствии с составленной таблицей истинности. Результат показать преподавателю.


7. Показать работу выбранного элемента 3И данной микросхемы для всех комбинаций входных сигналов. Убедиться, что элемент работает в соответствии с составленной таблицей истинности. Результат показать преподавателю.
ВЫПОЛНЕНИЕ РАБОТЫ
Предположим для примера, что мы сидим за компьютером №1.
Выполнение предварительного задания
1. Чертим микросхему КР1533ЛН1 (рис.4). Обозначения выводов соответствует обозначениям микросхемы SN74ALS04А фирмы «Texas Instruments Inc.», которая является прямым аналогом микросхемы КР1533ЛН1 и будет исследоваться в данной лабораторной работе.
2. Составим таблицу истинности элемента НЕ (табл.3).

3. Чертим микросхему КР1533ЛИ1 (рис.5).
4. Составляем таблицу истинности элемента 2И (табл.4). Этот элемент имеет 2 входа, поэтому в таблице истинности будет 22=4 строки. Напомним, что элемент 2И выполняет логическое умножение 2 сигналов Х1,Х2 и выдает полученный результат на выходе Y.

5. Чертим микросхему КР1533ЛИ3 (рис.6).
6. Составляем таблицу истинности элемента 3И (табл.5). Этот элемент имеет 3 входа, поэтому в таблице истинности будет 23=8 строк. Напомним, что элемент 3И выполняет логическое умножение 3 сигналов Х1,Х2,Х3 и выдает полученный результат на выходе Y.

Выполнение лабораторной работы
1. Запускаем программу исследования работы элементов и устройств электроники и микроэлектроники «Elektroniks Workbehch».
2. Собираем схему (рис.1) для исследования работы микросхемы SN74ALS04А фирмы «Texas Instruments Inc.» (российский аналог – микросхема КР1533ЛН1), содержащей 6 элементов НЕ. Согласно пункту 2 «Порядка выполнения работы» будем использовать 1-й элемент данной микросхемы (выделен красным цветом на рис.4).
3. Разворачиваем панель генератора сигналов. Настройка генератора сигналов производится так, как подробно описано в лабораторных работах 1 и 2.
4. В составленной таблице истинности элемента НЕ имеется 2 строки, поэтому в левой колонке генератора сигналов будем использовать тоже 2 строки с адресами 0000, 0001. Последний нужный адрес 0001 указываем в окошке Final генератора сигналов.
5. Устанавливаем курсор на первую строку левой колонки.
6. В окошке Binary печатаем входной сигнал первой строки таблицы истинности: 0 (02=00002=016).
7. Устанавливаем курсор на вторую строку левой колонки.
8. В окошке Binary печатаем входной сигнал второй строки таблицы истинности: 1 (12=00012=116).
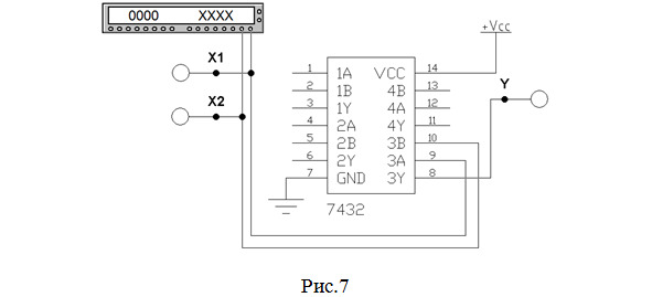
9. Нажимаем на клавишу Step и получаем картинку, показанную на рис.7.

10. Сверяем полученный результат с таблицей истинности элемента НЕ (табл.3). Действительно, при подаче на вход Х (1А в микросхеме SN74ALS04А) сигнала 0 на выходе Y (1Y в микросхеме SN74ALS04А) формируется сигнал 1.
11. Еще раз нажимаем на клавишу Step и получаем картинку, показанную на рис.8.

12. Сверяем полученный результат с таблицей истинности элемента НЕ (табл.3). Действительно, при подаче на вход Х (1А в микросхеме SN74ALS04А) сигнала 1 на выходе Y (1Y в микросхеме SN74ALS04А) формируется сигнал 0.
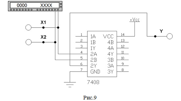
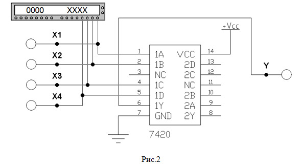
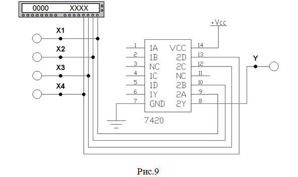
13. Собираем схему (рис.9) для исследования работы микросхемы SN74ALS08 фирмы «Texas Instruments Inc.» (российский аналог – микросхема КР1533ЛИ1), содержащей 4 элемента 2И. Согласно табл.1 будем использовать 2-й элемент данной микросхемы (выделен красным цветом на рис.5).

14. Разворачиваем панель генератора сигналов. Настройка генератора сигналов производится так, как подробно описано в лабораторных работах 1 и 2.
15. В составленной таблице истинности элемента 2И имеется 4 строки, поэтому в левой колонке генератора сигналов будем использовать тоже 4 строки с адресами 0000, 0001, 0002, 0003. Последний нужный адрес 0003 указываем в окошке Final генератора сигналов.
16. Устанавливаем курсор на первую строку левой колонки.
17. В окошке Binary печатаем входные сигналы первой строки таблицы истинности: 00 (002=00002=016).
18. Устанавливаем курсор на вторую строку левой колонки.
19. В окошке Binary печатаем входные сигналы второй строки таблицы истинности: 01 (012=00012=116).
20. Устанавливаем курсор на третью строку левой колонки.
21. В окошке Binary печатаем входные сигналы третьей строки таблицы истинности: 10 (102=00102=216).
22. Устанавливаем курсор на четвертую строку левой колонки.
23. В окошке Binary печатаем входные сигналы четвертой строки таблицы истинности: 11 (112=00112=316).
24. Нажимаем на клавишу Step и получаем картинку, показанную на рис.10.

25. Сверяем полученный результат с таблицей истинности элемента 2И (табл.4). Действительно, при подаче на входы Х1 (2А в микросхеме SN74ALS08) и Х2 (2В в микросхеме SN74ALS08) сигналов 0 и 0 на выходе Y (2Y в микросхеме SN74ALS08) формируется сигнал 0 (результат логического умножения).
26. Еще раз нажимаем на клавишу Step и получаем картинку, показанную на рис.11.

27. Сверяем полученный результат с таблицей истинности элемента 2И (вторая строка табл.4). Действительно, логическое умножение сигналов 0 и 1 дает на выходе сигнал 0.
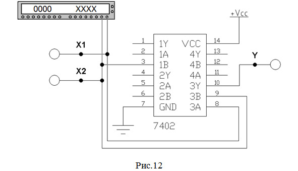
28. В третий раз нажимаем на клавишу Step и получаем картинку, показанную на рис.12.

29. Сверяем полученный результат с таблицей истинности элемента 2И (третья строка табл.4). Действительно, логическое умножение сигналов 1 и 0 дает на выходе сигнал 0.
30. Последний раз нажимаем на клавишу Step и получаем картинку, показанную на рис.13.

31. Сверяем полученный результат с таблицей истинности элемента 2И (четвертая строка табл.4, выделена красным цветом). Действительно, только логическое умножение сигналов 1 и 1 дает на выходе сигнал 1.
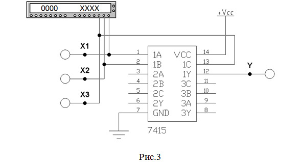
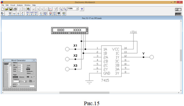
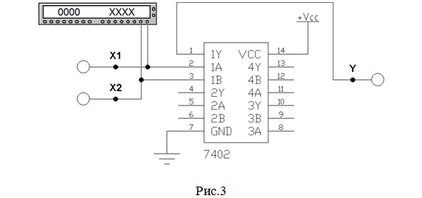
32. Собираем схему (рис.3) для исследования работы микросхемы SN74ALS15 фирмы «Texas Instruments Inc.» (российский аналог – микросхема КР1533ЛИ3), содержащей 3 элемента 3И. Согласно табл.2 будем использовать 1-й элемент данной микросхемы (выделен красным цветом на рис.6).
33. Разворачиваем панель генератора сигналов.
34. В составленной таблице истинности элемента 3И имеется 8 строк, поэтому в левой колонке генератора сигналов будем использовать тоже 8 строк с адресами 0000, 0001, …, 0007. Последний нужный адрес 0007 указываем в окошке Final генератора сигналов.
35. Дальнейшую настройку генератора сигналов производим так, как подробно описано в лабораторных работах 1 и 2, а также пунктах 16—23 данной работы. В результате генератор сигналов будет иметь вид, показанный на рис.14.

36. Нажимаем на клавишу Step и получаем картинку, показанную на рис.15.

37. Сверяем полученный результат с таблицей истинности элемента 3И (табл.5). Действительно, при подаче на входы Х1, Х2 и Х3 (соответственно 1А, 1В и 1С в микросхеме SN74ALS15) сигналов 0, 0 и 0 на выходе Y (1Y в микросхеме SN74ALS15) формируется сигнал 0 (результат логического умножения).
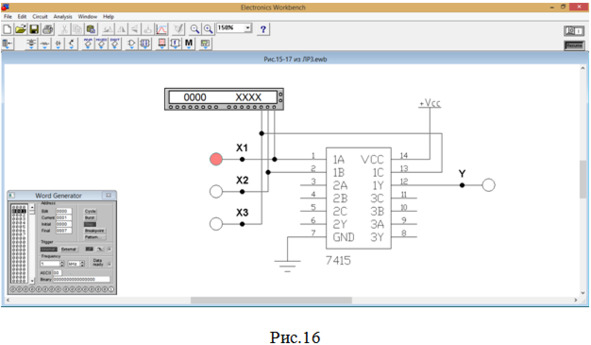
38. Еще раз нажимаем на клавишу Step и получаем картинку, показанную на рис.16.

39. Сверяем полученный результат с таблицей истинности элемента 3И (вторая строка табл.5). Действительно, логическое умножение сигналов 0, 0 и 1 дает на выходе сигнал 0.
40. Аналогично проверяем остальные строки таблицы истинности и убеждаемся, что только при наличии сигналов 1, 1 и 1 на входах элемента (в табл.5 эта строка выделена красным цветом) формируется сигнал 1 на его выходе (рис.17).

Лабораторная работа №4
«Исследование работы ИМС логических элементов ИЛИ, И-НЕ, ИЛИ-НЕ»
Предварительное задание
Перед выполнением задания следует рассмотреть Пример 1 из §1.2 [Л1].
1. Начертить в отчете микросхему КР1533ЛЛ1. Составить таблицу истинности элемента 2ИЛИ.
2. Начертить в отчете микросхему КР1533ЛА1. Составить таблицу истинности элемента 4И-НЕ.
3. Начертить в отчете микросхему КР1533ЛЕ1. Составить таблицу истинности элемента 2ИЛИ-НЕ.
Порядок выполнения работы
1. Запустить программу исследования работы элементов и устройств электроники и микроэлектроники «Elektroniks Workbehch».


3. Показать работу выбранного элемента 2ИЛИ данной микросхемы для всех комбинаций входных сигналов. Убедиться, что элемент работает в соответствии с составленной таблицей истинности. Результат показать преподавателю.


5. Показать работу выбранного элемента 4И-НЕ данной микросхемы для всех комбинаций входных сигналов. Убедиться, что элемент работает в соответствии с составленной таблицей истинности. Результат показать преподавателю.
6. Собрать схему (рис.3) для исследования работы микросхемы SN74ALS02 фирмы «Texas Instruments Inc.» (российский аналог – микросхема КР1533ЛЕ1), содержащей 4 элемента 2ИЛИ-НЕ. Примечание: в схеме на рис.3 используется 1-й элемент данной микросхемы. Учащиеся применяют элемент, номер которого определяется по таблице 1.

7. Показать работу выбранного элемента 2ИЛИ-НЕ данной микросхемы для всех комбинаций входных сигналов. Убедиться, что элемент работает в соответствии с составленной таблицей истинности. Результат показать преподавателю.
ВЫПОЛНЕНИЕ РАБОТЫ
Предположим для примера, что мы сидим за компьютером №2.
Выполнение предварительного задания
1. Чертим микросхему КР1533ЛЛ1 (рис.4).
2. Составляем таблицу истинности элемента 2ИЛИ (табл.3). Этот элемент имеет 2 входа, поэтому в таблице истинности будет 22=4 строки. Напомним, что элемент 2ИЛИ выполняет логическое сложение 2 сигналов Х1,Х2.

3. Чертим микросхему КР1533ЛА1 (рис.5).
4. Составляем таблицу истинности элемента 4И-НЕ (табл.4). Этот элемент имеет 4 входа, поэтому в таблице истинности будет 24=16 строк. Напомним, что элемент 4И-НЕ выполняет логическое умножение 4 сигналов Х1,Х2, Х3, Х4 с последующим инвертированием полученного результата.

5. Чертим микросхему КР1533ЛЕ1 (рис.6).
6. Составляем таблицу истинности элемента 2ИЛИ-НЕ (табл.5). Этот элемент имеет 2 входа, поэтому в таблице истинности будет 22=4 строки. Напомним, что элемент 2ИЛИ выполняет логическое сложение 2 сигналов Х1,Х2 с последующим инвертированием полученного результата.

Выполнение лабораторной работы
1. Запускаем программу исследования работы элементов и устройств электроники и микроэлектроники «Elektroniks Workbehch».
2. Собираем схему (рис.7) для исследования работы микросхемы SN74ALS32А фирмы «Texas Instruments Inc.» (российский аналог – микросхема КР1533ЛЛ1), содержащей 4 элемента 2ИЛИ. Согласно табл.1 используем 3-й элемент данной микросхемы (выделен красным цветом на рис.4).

3. Разворачиваем панель и настраиваем генератор сигналов аналогично пунктам 14—23 предыдущей лабораторной работы.
4. Выполняем исследование работы элемента 2ИЛИ данной микросхемы аналогично пунктам 24—31 предыдущей лабораторной работы. Особо обратим внимание на последнюю 4-ю строку таблицы истинности (в табл.3 выделена красным цветом): при нажатии на клавишу Step четвертый раз (рис.8) видим, что при логическом сложении поступающих на входы сигналов 1 и 1 на выходе Y формируется сигнал 1 (при арифметическом сложении получается 2).

5. Собираем схему (рис.9) для исследования работы микросхемы SN74ALS20А фирмы «Texas Instruments Inc.» (российский аналог – микросхема КР1533ЛА1), содержащей 2 элемента 4И-НЕ. Будем использовать 2-й элемент данной микросхемы согласно табл.2 (выделен красным цветом на рис.5).

6. Разворачиваем панель генератора сигналов.
7. В составленной таблице истинности элемента 4И-НЕ (табл.4) имеется 16 строк, поэтому в левой колонке генератора сигналов будем использовать тоже 16 строк с адресами 0000, 0001, …, 000F. Последний нужный адрес 000F указываем в окошке Final генератора сигналов.
8. Дальнейшую настройку генератора сигналов производим так, как подробно описано в предыдущих лабораторных работах. В результате генератор сигналов будет иметь вид, показанный на рис.10.

9. Выполняем исследование работы элемента 4И-НЕ данной микросхемы, нажимая на клавишу Step 16 раз и проверяя получаемые результаты по таблице истинности (аналогично пунктам 24—31 предыдущей лабораторной работы.
Особо обратим внимание на последнюю 16-ю строку таблицы истинности (в табл.4 выделена красным цветом): при нажатии на клавишу Step 16-й раз (рис.11) видим, что при на выходе формируется сигнал 0 только при наличии сигналов 1 на всех входах.

10. Собираем схему (рис.12) для исследования работы микросхемы SN74ALS02 фирмы «Texas Instruments Inc.» (российский аналог – микросхема КР1533ЛЕ1), содержащей 4 элемента 2ИЛИ-НЕ. Согласно табл.1 используем 3-й элемент данной микросхемы (выделен красным цветом на рис.6).

11. Разворачиваем панель и настраиваем генератор сигналов аналогично пунктам 14—23 предыдущей лабораторной работы.
12. Выполняем исследование работы элемента 2ИЛИ-НЕ данной микросхемы аналогично пунктам 24—31 предыдущей лабораторной работы.
Особо обратим внимание на первую строку таблицы истинности (в табл.5 выделена красным цветом): при нажатии на клавишу Step первый раз (рис.13) видим, что только при наличии на входах сигналов 0 и 0 на выходе формируется сигнал 1.

Лабораторная работа №5
«Исследование работы прочих логических элементов»
Предварительное задание
Перед выполнением задания следует рассмотреть Пример 1 из §1.2 [Л1].
1. Начертить в отчете микросхему КР1533ЛП5. Составить таблицу истинности элемента «исключающее 2ИЛИ».
2. Начертить в отчете микросхему КР1533АП4.
3. Начертить в отчете схему мажоритарного элемента «2 из 3» (рис.3, но по «восточному» стандарту). Составить таблицу истинности такого элемента. Указать карандашом (для одной комбинации входных сигналов) и ручкой (для другой комбинации входных сигналов) значения сигналов на входах и выходах всех элементов при наличии разрешения. Комбинации входных сигналов (входные коды) указаны в табл.1.

Порядок выполнения работы
1. Запустить программу исследования работы элементов и устройств электроники и микроэлектроники «Elektroniks Workbehch».


3. Показать работу выбранного элемента «исключающее 2ИЛИ» данной микросхемы для всех комбинаций входных сигналов. Убедиться, что элемент работает в соответствии с составленной таблицей истинности. Результат показать преподавателю.
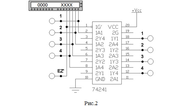
4. Собрать схему (рис.2) для исследования работы микросхемы SN74ALS241А фирмы «Texas Instruments Inc.» (российский аналог – микросхема КР1533АП4), содержащей два четырехразрядных магистральных передатчика, каждый из которых имеет по четыре буферных повторителя с тремя состояниями и повышенным коэффициентом разветвления. Примечание: в схеме на рис.4 используется 1-й передатчик данной микросхемы. Учащиеся применяют тот передатчик, номер которого определяется по табл.3.


5. Показать преподавателю работу выбранного магистрального передатчика данной микросхемы для двух комбинаций входных сигналов (двух кодов), которые определяются по табл.3. Для этого в левой колонке генератора сигналов следует использовать две строки с адресами 0000 и 0001.

