
Сборник лабораторных работ по цифровым устройствам. Для колледжей
6. Далее для этих же комбинаций входных сигналов показать преподавателю работу выбранного магистрального передатчика при переходе микросхемы в Z-состояние. На входах 1—4 могут быть любые сигналы, но должны быть и нули, и единицы. Использовать следующие две строки в левой колонке генератора сигналов с адресами 0002 и 0003.
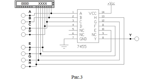
7. Собрать схему (рис.3) для исследования работы мажоритарного элемента.

8. Показать преподавателю работу элемента для двух входных кодов, указанных в табл.1. Для этого в левой колонке генератора сигналов следует использовать две строки с адресами 0000 и 0001.
9. Сравнить полученные результаты с выполненным предварительным заданием и сделать вывод.
10. Еще в одной строке с адресом 0002 показать и объяснить преподавателю вариант, когда элемент срабатывать не будет (на входах 1—3 могут быть любые сигналы, но должны включать и нули, и единицы).
ВЫПОЛНЕНИЕ РАБОТЫ
Предположим для примера, что мы сидим за компьютером №3.
Выполнение предварительного задания
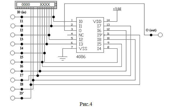
1. Чертим микросхему КР1533ЛП5 (рис.4).
2. Составляем таблицу истинности элемента «исключающее 2ИЛИ» (табл.4).

3. Чертим микросхему КР1533АП4 (рис.5).
4. Чертим схему мажоритарного элемента «2 из 3» (рис.6).

Здесь Е (enable) – разрешающий вход. Элемент будет нормально работать только при подаче на вход Е разрешающего сигнала 0. При Е = 1 элемент работать не будет и на выходе Y будет всегда сигнал 0 при любых сигналах на входах.
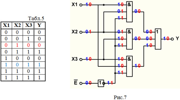
5. Составим таблицу истинности такого элемента (табл.5).

6. Выполняем анализ работы этой схемы в статическом режиме (рис.7) при наличии разрешения для двух входных кодов по табл.1: для первого кода – красным цветом, для второго кода – синим.
Выполнение лабораторной работы
1. Запускаем программу исследования работы элементов и устройств электроники и микроэлектроники «Elektroniks Workbehch».
2. Собираем схему (рис.8) для исследования работы микросхемы SN74ALS86 фирмы «Texas Instruments Inc.» (российский аналог – микросхема КР1533ЛП5), содержащей 4 элемента «исключающее 2ИЛИ». Согласно табл.2 будем использовать 4-й элемент данной микросхемы (показан красным цветом на рис.4).

3. Разворачиваем панель и настраиваем генератор сигналов аналогично пунктам 14—23 лабораторной работы №3.
4. Выполняем исследование работы элемента «исключающее2ИЛИ» данной микросхемы аналогично пунктам 24—31 лабораторной работы №3. Особо обратим внимание на последнюю 4-ю строку таблицы истинности (в табл.4 показана красным цветом): при нажатии на клавишу Step четвертый раз (рис.9) видим, что при наличии на входах сигналов 1 и 1 на выходе формируется сигнал 0, в отличие от результата операции 2ИЛИ.

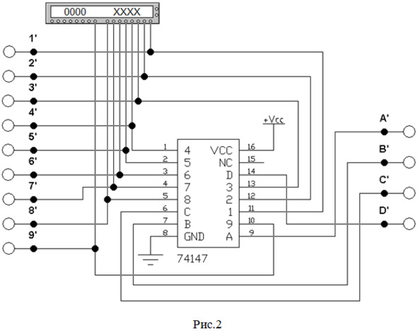
5. Собрать схему (рис.2) для исследования работы микросхемы SN74ALS241А фирмы «Texas Instruments Inc.» (российский аналог – микросхема КР1533АП4). Будем использовать 1-й передатчик данной микросхемы согласно табл.3 (показан красным цветом на рис.5).
6. Покажем преподавателю работу 1-го магистрального передатчика данной микросхемы для передачи двух входных кодов 0111 и 1001 (согласно табл.3) на выход, а также для этих же входных кодов при переходе микросхемы в Z-состояние.
7. Разворачиваем панель генератора сигналов (рис.10).

8. Так как следует показать работу передатчика в четырех случаях, то для этого в левой колонке генератора сигналов используем 4 строки с адресами 0000, 0001, 0002 и 0003.Следовательно, последний нужный адрес 0003 указываем в окошке Final генератора сигналов (рис.10).
9. Устанавливаем курсор на первую строку левой колонки (рис.10).
10. В окошке Binary печатаем (рис.10) 4 входных сигнала первого кода из табл.3: 0111 (01112 =716). Перед ними должен быть сигнал 0 (010 = 00002 = 016), который поступает на вход EZ 1-го передатчика микросхемы и разрешает входным сигналам проходить на выходы.
11. Устанавливаем курсор на вторую строку левой колонки.
12. В окошке Binary печатаем 4 входных сигнала второго кода из табл.3: 1001 (10012 = 916). Перед ними снова должен быть сигнал 0 (010 = 00002 = 016), который поступает на вход EZ 1-го передатчика и разрешает входным сигналам проходить на выходы.
13. Устанавливаем курсор на третью строку левой колонки.
14. В окошке Binary печатаем 4 входных сигнала первого кода: 0111 (01112 = 716). Перед ними должен быть сигнал 1 (110 = 00012 = 116), который переводит микросхему в Z-состояние.
15. Устанавливаем курсор на 4-ю строку левой колонки.
16. В окошке Binary печатаем 4 входных сигнала второго кода: 1001 (10012 = 916). Перед ними снова должен быть сигнал 1 (110 = 00012 = 116), который переводит микросхему в Z-состояние.
17. Нажимаем на клавишу Step. В результате получаем картинку, показанную на рис.11.

Здесь хорошо видно, что входной код 0111 проходит на выходы. Сигнал 0 на входе EZ разрешает входному коду проходить на выходы.
18. Еще раз нажимаем на клавишу Step. В результате получаем картинку, показанную на рис.12.

В данном случае входной код 1001 тоже проходит на выходы. Сигнал 0 на входе EZ опять разрешает входному коду проходить на выходы.
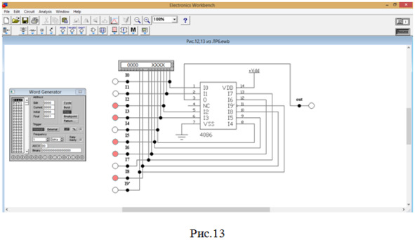
19. В третий раз нажимаем на клавишу Step. В результате получаем картинку, показанную на рис.13.

Сейчас на вход EZ подается сигнал 1, который переводит 1-й передатчик микросхемы в Z-состояние, поэтому входной код 0111 не проходит на выходы.
20. И четвертый раз нажимаем на клавишу Step. В результате получаем картинку, показанную на рис.14.

Здесь снова на вход EZ подается сигнал 1, который переводит 1-й передатчик микросхемы в Z-состояние, поэтому входной код 1001 тоже не проходит на выходы.
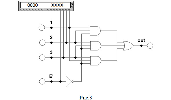
21. Собрать схему (рис.3) для исследования работы мажоритарного элемента.
22. Разворачиваем панель генератора сигналов (рис.15).

23. Так как следует показать работу передатчика в трех случаях, то для этого в левой колонке генератора сигналов используем 3 строки с адресами 0000, 0001 и 0002.Следовательно, последний нужный адрес 0002 указываем в окошке Final генератора сигналов (рис.15).
24. Устанавливаем курсор на первую строку левой колонки (рис.15).
25. В окошке Binary печатаем (рис.15) 3 входных сигнала первого кода из табл.1: 010 и добавляем впереди разрешающий сигнал 0, который подается на вход Е мажоритарного элемента. В результате получается 4-разрядный код 00102 = 216.
26. Устанавливаем курсор на вторую строку левой колонки.
27. В окошке Binary печатаем 3 входных сигнала второго кода из табл.1: 101 и добавляем впереди разрешающий сигнал 0, который подается на вход Е мажоритарного элемента. В результате получается 4-разрядный код 01012 = 516.
28. Устанавливаем курсор на третью строку левой колонки.
29. В окошке Binary печатаем 3 входных сигнала любого кода (должен содержать и нули, и единицы), например: 101 и добавляем впереди сигнал 1, который подается на вход Е и не разрешает работать мажоритарному элементу. В результате получается 4-разрядный код 11012 = D16.
30. Нажимаем на клавишу Step. В результате получаем картинку, показанную на рис.16.

Проверяем полученный результат по таблице истинности (табл.5): действительно, если нулей на входах (два 0 на входах 1 и 3) больше, чем единиц (одна 1 на входе 2), то на выходе появляется сигнал 0.
31. Еще раз нажимаем на клавишу Step. В результате получаем картинку, показанную на рис.17.

Проверяем полученный результат по таблице истинности (табл.5): действительно, если единиц на входах (две 1 на входах 1 и 3) больше, чем нулей (один 0 на входе 2), то на выходе появляется сигнал 1.
32. В третий раз нажимаем на клавишу Step. В результате получаем картинку, показанную на рис.18.

Здесь хорошо видно, что при наличии на входе Е сигнала 1 он не дает возможности работать мажоритарному элементу: при любых сигналах на входах 1—3 на выходе будет сохраняться сигнал 0.
Лабораторная работа №6
«Исследование работы комбинированных ИМС логических элементов»
Предварительное задание
1. Начертить в отчете структуру микросхемы КР1533ЛР4 (рис.1).

2. Указать значения сигналов на входах и выходах всех элементов данной микросхемы для двух комбинаций входных сигналов (первая – карандашом, вторая – ручкой), заданных для каждого варианта в табл.1.


Порядок выполнения работы
1. Запустить программу исследования работы элементов и устройств электроники и микроэлектроники «Elektroniks Workbehch».
2. Собрать схему (рис.3) для исследования работы микросхемы SN74LS55 фирмы Texas Instruments Inc. (российский аналог – микросхема КР1533ЛР4).

3. Показать работу микросхемы для двух указанных в предварительном задании комбинаций входных сигналов. Убедиться, что элемент работает в соответствии с выполненным заданием. Результат показать преподавателю.
4. Собрать схему (рис.4) для исследования работы микросхемы NTE4086B фирмы NTE Electronics (российских аналогов не обнаружено).

5. Показать работу микросхемы для двух указанных в предварительном задании комбинаций входных сигналов. Убедиться, что элемент работает в соответствии с выполненным заданием. Результат показать преподавателю.
ВЫПОЛНЕНИЕ РАБОТЫ
Предположим для примера, что мы сидим за компьютером №4.
Выполнение предварительного задания
1. Чертим в отчете структуру микросхемы КР1533ЛР4 (рис.5).

2. Укажем значения сигналов на входах и выходах всех элементов данной микросхемы (рис.5) для двух комбинаций входных сигналов (первая – красным цветом, вторая – синим): 00111111 и 10100001, заданных в табл.1.
3. Чертим в отчете структуру микросхемы NTE4086B фирмы NTE Electronic (рис.6).
4. Укажем значения сигналов на входах и выходах всех элементов данной микросхемы (рис.6) для двух комбинаций входных сигналов (первая – карандашом, вторая – ручкой): 0101101100 и 1010100001, заданных в табл.2.
Выполнение лабораторной работы
1. Запускаем программу исследования работы элементов и устройств электроники и микроэлектроники «Elektroniks Workbehch».
2. Собираем схему (рис.3) для исследования работы микросхемы SN74LS55 фирмы Texas Instruments Inc. (российский аналог – микросхема КР1533ЛР4).
3. Разворачиваем панель генератора сигналов (рис.7).
4. По заданию нужно показать работу микросхемы для двух комбинаций входных сигналов (двух кодов), поэтому в левой колонке генератора сигналов используем 2 строки с адресами 0000 и 0001.Следовательно, последний нужный адрес 0001 указываем в окошке Final (рис.7).
5. Устанавливаем курсор на первую строку левой колонки (рис.7).

6. В окошке Binary печатаем (рис.7) 8 входных сигналов первого кода: 0011 1111 (00112 =316, 11112=F16,).
7. Устанавливаем курсор на вторую строку левой колонки (рис.8).

8. В окошке Binary печатаем (рис.8) 8 входных сигналов второго кода: 1010 0001 (10102 =A16), 00012=116).
9. Нажимаем на клавишу Step и получаем картинку, показанную на рис.9. Сверяем полученные результаты с выполненным красным цветом предварительным заданием на рис.5 и делаем вывод: в данном случае все работает правильно.

10. Еще раз нажимаем на клавишу Step. В результате получаем картинку, показанную на рис.10. Сверяем полученные результаты с выполненным красным цветом предварительным задание на рис.5 и делаем вывод: в данном случае все тоже работает правильно.

11. Собираем схему (рис.4) для исследования работы микросхемы NTE4086B фирмы NTE Electronics (российских аналогов не обнаружено).
12. Разворачиваем панель генератора сигналов (рис.11).
13. По заданию нужно показать работу микросхемы для двух комбинаций входных сигналов (двух кодов), поэтому в левой колонке генератора сигналов используем 2 строки с адресами 0000 и 0001. Следовательно, последний нужный адрес 0001 указываем в окошке Final (рис.11).
14. Устанавливаем курсор на первую строку левой колонки (рис.11).

15. В окошке Binary печатаем (рис.11) 10 входных сигналов первого кода: 01 0110 1100 (012 = 00012 =116, 01102 = 616, 11002 = С16).
16. Устанавливаем курсор на вторую строку левой колонки (рис.12).

17. В окошке Binary печатаем (рис.12) 10 входных сигналов второго кода: 10 1010 0001 (102 = 00102 = 216, 10102 =A16, 00012=116).
18. Нажимаем на клавишу Step. В результате получаем картинку, показанную на рис.13. Сверяем полученные результаты с выполненным красным цветом предварительным заданием на рис.6 и делаем вывод: в данном случае все работает правильно.

19. Еще раз нажимаем на клавишу Step. В результате получаем картинку, показанную на рис.14. Сверяем полученные результаты с выполненным красным цветом предварительным заданием на рис.6 и делаем вывод: в данном случае все тоже работает правильно.

Раздел 2. Комбинационные цифровые устройства
Лабораторная работа №7
«Исследование работы ИМС шифратора 10х4»
Предварительное задание
Перед выполнением задания следует рассмотреть пример из §3.3 [Л1].
1. Начертить в отчете микросхему К555ИВ3 (рис.1).

2. Указать карандашом (для одного задания) и рядом ручкой (для другого задания) значения сигналов на всех входах и выходах этой микросхемы, если она выполняет кодирование десятичных цифр, указанных для каждого варианта в табл.1.
Порядок выполнения работы
1. Запустить программу исследования работы элементов и устройств электроники и микроэлектроники «Elektroniks Workbehch».
2. Собрать схему (рис.2) для исследования микросхемы шифратора SN74LS147N фирмы «Texas Instruments Inc.» (российский аналог – микросхема К555ИВ3).

Примечания:
– Авторы программы Electronics Workbench используют второй (не очень распространенный) вариант обозначения инвертирования: апостроф около обозначения вывода (например, 8′ или B′) вместо черточки над обозначением. К сожалению, авторы программы Electronics Workbench далеко не везде придерживаются стандарта и своих же правил обозначений. Поэтому рекомендуем ориентироваться на обозначения выводов, которые ставит автор данного Сборника: где выводы инверсные, то их обозначения будут с апострофом.
– Здесь и во многих других местах программы Electronics Workbench изображение микросхем приведено с ошибками. Согласно «западному» стандарту около инверсного вывода положено чертить кружок. Микросхема SN74LS147N, которая используется в данной работе, имеет все выводы инверсные, как и микросхема К555ИВ3 (рис.1). Поэтому любой вывод микросхемы SN74LS147N должен выглядеть, как, например, входы G2A и G2B в микросхеме SN74АLS138 лабораторной работы 11.
3. Настроить генератор сигналов для кодирования двух цифр своего варианта, указанных в табл.1.
4. Нажать на клавишу Step. Проверить по индикаторам правильность кодирования первой цифры из предварительного задания к данной лабораторной работе.
5. Второй раз нажать на клавишу Step. Проверить по индикаторам правильность кодирования второй цифры из предварительного задания к данной лабораторной работе.
6. Сделать вывод и показать результаты преподавателю.
ВЫПОЛНЕНИЕ РАБОТЫ
Для примера рассмотрим вариант №5.
Выполнение предварительного задания
Примечание: Подробное описание решения похожей задачи приведено в Примере из §3.3 [Л1]. Еще следует учесть, что микросхема К555ИВ3 выполняет преобразование любых десятичных чисел в двоично-десятичный код (напомним, что двоично-десятичных кодов много, но при использовании двоично-десятичного кода «8421» его название обычно не указывают). Здесь и далее нужно еще иметь в виду, что коды подаются на входы или формируются на выходах всегда и везде снизу вверх, начиная со старшего разряда. Почему здесь нет входа для цифры 0 – смотрите §3.4.из [Л1].
Здесь для наглядности сигналы, указанные в задании карандашом для первой цифры, показаны красным цветом, а ручкой для второй цифры – синим (рис.3).

Десятичной цифре 7 соответствует двоично-десятичный код 0111. Но так как выходы микросхемы – инверсные, то на выходах формируется указанный код в инверсном виде: 1000.
2. Вторым согласно табл.1 должно выполняться кодирование цифры 4 (рис.3). Поэтому подаем активный сигнал 0 на вход цифры 4 (активным здесь является сигнал 0, так как данный вход инверсный статический).
На входы бóльших цифр (от 5 до 9) обязательно подаем пассивные сигналы 1. Так как шифратор является приоритетным, то на входы мѐньших цифр (от 1 до 3 включительно) можно подавать любые сигналы, что показываем значком: «х».
Десятичной цифре 4 соответствует двоично-десятичный код 0100. Но так как выходы микросхемы – инверсные, то на выходах формируется указанный код в инверсном виде: 1011.
Выполнение лабораторной работы
1. Запускаем программу исследования работы элементов и устройств электроники и микроэлектроники «Elektroniks Workbehch».
2. Собираем схему (рис.2) для исследования микросхемы шифратора SN74LS147N фирмы «Texas Instruments Inc.» (российский аналог – микросхема К555ИВ3).
3. Разворачиваем панель генератора сигналов (рис.4).
4. По заданию нужно показать работу микросхемы для кодирования двух цифр, поэтому в левой колонке генератора сигналов используем 2 строки с адресами 0000 и 0001.Следовательно, последний нужный адрес 0001 указываем в окошке Final (рис.4).
5. Устанавливаем курсор на первую строку левой колонки (рис.4).

6. В окошке Binary печатаем (рис.4) 9 входных сигналов для кодирования первой цифры согласно рис.3: 110хххххх. Подставляем вместо знака «х» любые сигналы. Для ускорения и облегчения набора возьмем единицы, тогда получается: 1 1011 1111. В разделе 1 уже было указано, что набор можно производить не в окошке Binary, а непосредственно в левой колонке, но сигналы должны быть выражены в шестнадцатиричном коде: 12 = 00012 =116, 10112 = B16, 11112 = F16), то есть получается: 1BF.

