
Сборник лабораторных работ по цифровым устройствам. Для колледжей
7. Устанавливаем курсор на 2-ю строку колонки (рис.5).

8. В окошке Binary печатаем (рис.5) 9 входных сигналов для кодирования второй цифры в соответствии с рис.3: 111110ххх. Снова вместо знака «х» подставляем единицы и получаем: 1 1111 0111 или в шестнадцатиричном коде: 1F7 (12 = 00012 = 116, 11112 = F16, 01112=716).
9. Нажимаем на клавишу Step. В результате получаем картинку, показанную на рис.6. Сверяем полученные результаты с выполненным красным цветом предварительным заданием на рис.3 и делаем вывод: в данном случае шифратор сработал в соответствии с результатом выполненного задания и кодирование цифры 7 выполнил правильно.

10. Еще раз нажимаем на клавишу Step. В результате получаем картинку, показанную на рис.7. Сверяем полученные результаты с выполненным синим цветом предварительным заданием на рис.3 и делаем вывод: в данном случае шифратор тоже сработал в соответствии с результатом выполненного задания и кодирование цифры 4 выполнил правильно.

Лабораторная работа №8
«Исследование работы ИМС шифратора 8х3»
Предварительное задание
Перед выполнением задания следует рассмотреть пример из §3.3 [Л1].
1. Начертить в отчете микросхему К555ИВ1 (рис.1).

2. Указать карандашом (для одного задания) и рядом ручкой (для другого задания) значения сигналов на всех входах и выходах данной микросхемы, если она выполняет кодирование десятичных цифр, указанных для каждого варианта в табл.1.
Порядок выполнения работы
1. Запустить программу исследования работы элементов и устройств электроники и микроэлектроники «Elektroniks Workbehch».
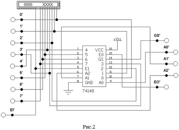
2. Собрать схему (рис.2) для исследования микросхемы шифратора SN74LS148N фирмы «Texas Instruments Inc.» (российский аналог – микросхема К555ИВ1).

Примечание: Изображение микросхемы SN74LS148N программа Electronics Workbench дает с ошибками. Здесь все выводы (кроме питания) – инверсные, как в микросхеме К555ИВ1 (рис.1). Более подробно смотрите примечание к рис.2 в лабораторной работе №7.
3. Настроить генератор сигналов для кодирования двух цифр своего варианта, указанных в табл.1. Предусмотреть еще одну строку для выполнения задания, указанного в пункте 6.
4. Нажать на клавишу Step. Проверить по индикаторам правильность кодирования первой цифры из предварительного задания к данной лабораторной работе.
5. Второй раз нажать на клавишу Step. Проверить по индикаторам правильность кодирования второй цифры из предварительного задания к данной лабораторной работе.
6. Показать работу микросхемы при отсутствии разрешения (при наличии пассивного сигнала) на входе EI (на входах цифр могут быть любые сигналы, но должны быть и нули, и единицы).
7. По результату пункта 5 сделать и записать в отчет вывод.
ВЫПОЛНЕНИЕ РАБОТЫ
Для примера рассмотрим вариант №6.
Выполнение предварительного задания
Примечание: Подробное описание решения такой задачи приведено в Примере из §3.3 [Л1]. Еще следует учесть, что микросхема К555ИВ1 выполняет преобразование десятичных цифр от 0 до 7 включительно в 3-разрядный двоичный код.
Здесь для наглядности сигналы, указанные в задании карандашом для первой цифры, показаны красным цветом, а ручкой для второй цифры – синим (рис.3).
1. Первым согласно табл.1 должно выполняться кодирование цифры 5 (рис.3). Поэтому подаем активный сигнал 0 на вход цифры 5 (активным здесь является сигнал 0, так как данный вход инверсный статический).

Десятичной цифре 5 соответствует 3-разрядный двоичный код 101. Но так как выходы микросхемы – инверсные, то на выходах формируется указанный код в инверсном виде: 010
Конец ознакомительного фрагмента.
Текст предоставлен ООО «Литрес».
Прочитайте эту книгу целиком, купив полную легальную версию на Литрес.
Безопасно оплатить книгу можно банковской картой Visa, MasterCard, Maestro, со счета мобильного телефона, с платежного терминала, в салоне МТС или Связной, через PayPal, WebMoney, Яндекс.Деньги, QIWI Кошелек, бонусными картами или другим удобным Вам способом.
Приобретайте полный текст книги у нашего партнера:

