
Сельскохозяйственные машины

Н. П. Ларюшин
Сельскохозяйственные машины
ВВЕДЕНИЕ
Уборка является завершающей операцией в технологии возделывания сельскохозяйственных культур. Период уборки зерновых, колосовых и зернобобовых культур ограничен агротехническими сроками в 6–7 дней от начала полной спелости зерна. Ещё более жесткие требования предъявляются к уборке рапса и других легкоосыпающихся культур. В структуре общих затрат на возделывание сельскохозяйственных культур уборка занимает до 50 % затрат энергии и 45–60 % трудозатрат.
Существующий в России комбайновый парк, включает в основном отечественные машины Ростовского и Красноярского комбайновых заводов (Дон-1500Б, РСМ- 142 «Acros», РСМ-181 «Torum», РСМ-101 «VECTOR», КЗС-950 «Енисей»).
Преимущество современных комбайнов типа «Acros», «Torum» – это высочайшая производительность. Средняя сезонная наработка их составляет соответственно 1250 и 2000 га.
Чтобы добиться эффективного использования комбайнов, необходимы высококвалифицированные специалисты, которые должны хорошо знать устройство и принцип их работы, технологические регулировки, правила эксплуатации, выявлять и устранять возможные неисправности, возникающие при их работе.
Практические сведения по этим вопросам изложены в настоящем учебном пособии. В качестве объектов изучения взяты современные отечественные комбайны серийного производства.
1 ОПИСАНИЕ И РАБОТА КОМБАЙНА СЕМЕЙСТВА «ЕНИСЕЙ»
1.1 Назначение и состав комбайна
Самоходный зерноуборочный комбайн «Енисей КЗС-950» и его модификации предназначен для уборки зерновых, зернобобовых, крупяных культур, подсолнечника, семенников трав, сои прямым и раздельным комбайнированием. В зависимости от способа уборки они могут быть укомплектованы жаткой или платформой-подборщиком. В зависимости от принятой технологии уборки незерновой части, комбайн оснащается капотом, копнителем или измельчителем-разбрасывателем соломы. Для транспортировки жатки по желанию заказчика комбайн может быть укомплектован тележкой.
Комбайн самоходный зерноуборочный «Енисей КЗС-950» является дальнейшей модификацией комбайнов семейства «Енисей».
1.2 Технические характеристики
Таблица 1.1 – Технические характеристики


1.3 Устройство и работа
1.3.1 Краткие сведения об устройстве и работе
Самоходные зерноуборочные комбайны «Енисей КЗС-950» состоят из жатвенной части, молотилки, бункера с выгрузным устройством, моторной установки, силовой передачи, ходовой системы, органов управления, гидравлической системы, электрооборудования, системы контрольно-измерительной и приспособления для уборки незерновой части урожая (копнителя или измельчителя или капота).
Во время работы комбайна жатка устанавливается на выбранную высоту среза. Необходимое число оборотов мотовила и его положение относительно режущего аппарата регулируется с помощью гидравлики в процессе работы.
Технологический процесс работы комбайна на прямом комбайнировании протекает ниже следующим образом.
Хлебная масса при движении комбайна лопастями мотовила 6 (рисунок 1.1) подводится к режущему аппарату 7. Срезанные стебли планками мотовила укладываются на платформу жатки, а затем шнеком перемещаются к центральной части, где имеется пальчиковый механизм 9.
Пальчиковый механизм направляет стебли к пальчиковому битеру проставки 10, который разравнивает массу и передает наклонному транспортеру, который подает их к приемному битеру молотилки 12.
Приемный битер изменяет направление хлебной массы, подавая её на обмолот в молотильный аппарат. В результате взаимодействия барабана 13 и подбарабанья 14 хлебная масса обмолачивается, при этом зерно, полова и отдельные недомолоченные колосья просыпаются сквозь решетку подбарабанья на стрясную доску 15, а оставшаяся масса с помощью отбойного битера подается на удлинительную решетку подбарабанья и далее на соломотряс 25, где происходит окончательное отделение зерна от соломы. Зерно подается на стрясную доску, а солома выносится из молотилки. Зерновой ворох, выделившийся через подбарабанья, сепарирующую решетку битера и рабочую поверхность клавишей соломотряса, попадает на стрясную доску и далее на верхнее решето 20.
На верхнем решете под воздействием воздушного потока вентилятора 17 и колебаний грохота ворох разделяется на три части: зерно, легкие примеси и недомолоченные колосья.
Зерно, выделенное на верхнем решете, попадает на нижнее решето 21. Недомолоченные колосья, которые не просыпались на передней части верхнего решета, в конце верхнего решета попадают в колосовой шнек 22 и далее колосовым элеватором 26 подаются в домолачивающее устройство 27 на повторный обмолот. Из домолачивающего устройства хлебная масса распределительным шнеком 18 подается на стрясную доску. Незерновой ворох, под действием воздушного потока вентилятора и колебаний грохота, выносится из молотилки.
Зерно, прошедшее через нижнее решето очистки, по днищу решетного стана поступает в зерновой шнек 19, а затем элеватором 30 и загрузочным шнеком 31 подается в бункер 32.
Технологический процесс двухбарабанного комбайна отличается тем, что хлебная масса приемным битером подается в первый молотильный аппарат, как правило, отрегулированный на мягкие режимы, где замолачивается и сепарируется наиболее спелое, крупное и легкообмолачиваемое зерно. Из первого молотильного аппарата хлебная масса попадает в промежуточную зону сепарации.
В промежуточной зоне под воздействием лопастей промежуточного битера 16 через сепарирующую решетку выделяется свободное зерно, а хлебная масса направляется во второй молотильный аппарат.
Второй молотильный аппарат, отрегулированный на более жесткие режимы, производит окончательный вымолот зерна из хлебной массы и выделение значительной части оставшегося зерна через подбарабанье. Соломистый ворох с незначительным количеством зерна отбойным битером второго барабана направляется на соломотряс. Дальнейшее протекание технологического процесса остается таким же как и у однобарабанного комбайна.
Технологический процесс раздельного комбайнирования отличается от описанного лишь тем, что скошенная в валки хлебная масса с помощью навешенного на жатку подборщика подбирается и подается к шнеку жатки.
Солома, сошедшая с соломотряса и полова с ветрорешетной очистки в зависимости от технологии уборки могут собираться в копнитель, укладываться в валок, измельчаться измельчителем и разбрасываться по полю.

Рисунок 1.1 – Схема технологического процесса:
1 – хлебная масса; 2 – недомолоченные колосья; 3 – зерно; 4 – солома; 5 – полова; 6 – мотовило; 7 – режущий аппарат; 8 – шнек; 9 – пальчиковый механизм; 10 – битер проставки; 11 – транспортер наклонной камеры; 12 – приемный битер; 13 – первый молотильный барабан; 14 – подбарабанье; 15 – стрясная доска; 16 – промежуточный битер (для однобарабанной модели отбойный битер); 17 – вентилятор; 18 – распределительный шнек; 19 – зерновой шнек; 20 – верхнее решето; 21 – нижнее решето; 22 – колосовой шнек; 23 – решетный стан; 24 – измельчитель-разбрасыватель; 25 – соломотряс; 26 – колосовой элеватор; 27 – домолачивающее устройство; 28 – отбойный битер; 29 – второй молотильный барабан; 30 – зерновой элеватор; 31 – загрузочный шнек; 32 – бункер
1.3.2 Жатвенная часть (см. Дон-1500Б)
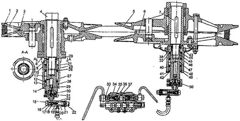
Предназначена для скашивания и подачи хлебной массы в молотилку и состоит из жатки А (рисунок 2), проставки В и наклонной камеры С, которая фланцами верхнего вала соединяется с молотилкой комбайна и опирается на балку ведущего моста через два гидроцилиндра. Привод рабочих органов жатвенной части осуществляется клиноременной передачей от шкива главного контрпривода на шкив 8 верхнего вала наклонной камеры.

Рисунок 1.2 – Жатвенная часть (разрез):
А – жатка; В – проставка; С – наклонная камера; 1 – мотовило; 2 – режущий аппарат; 3 – пальчиковый механизм шнека; 4 – шнек; 5 – башмак; 6 – битер проставки; 7 – транспортер наклонной камеры; 8 – шкив верхнего вала наклонной камеры; 9 – вал верхний; 10 – крышка; 11 – вал нижний; 12 – крюк; 13 – корпус
1.3.3 Платформа-подборщик (см. Дон-1500Б)
Платформа-подборщик (рисунок 1.3) предназначена для подбора валков при раздельном способе уборки. Она навешивается на наклонную камеру шнековой жатки самоходных комбайнов. Платформа-подборщик состоит из подборщика 7, платформы 3 со шнеком 4 и проставки 5 с битером 6.
Платформа-подборщик навешивается на наклонную камеру комбайна вместо обычной платформы жатки с режущим аппаратом. Микрорельеф поля копирует подборщик. Платформа соединена с наклонной камерой жестко, без копирования. Процесс подбора происходит ниже следующим образом. Комбайн движется вдоль валка так, чтобы валок располагался между опорными колесами 8 посередине ширины подборщика. Подбирающие пальцы подборщика 7 поднимают валок, прочесывают стерню, подают хлебную массу к шнеку 4. Сбросив массу, подбирающие пальцы входят в скользящий контакт с кромкой стеблесъемника и освобождаются от оставшихся на них стеблей. Нормализатор поджимает хлебную массу к транспортеру, препятствуя раздуванию ее ветром, и направляет под шнек 4 платформы. Затем хлебная масса шнеком подается на битер 6 проставки и далее транспортером наклонной камеры – в молотилку.

Рисунок 1.3 – Платформа-подборщик (разрез):
1 – нормализатор; 2 – устройство уравновешивающее; 3 – платформа; 4 – шнек; 5 – проставка; 6 – битер проставки; 7 – подборщик; 8 – колесо опорное
Платформа по устройству и работе аналогична жатке (см. описание жатки). Отличие корпуса платформы от жатки заключается в отсутствии мотовила, режущего аппарата и уравновешивающего механизма.
Проставка 5 по устройству и назначению аналогична проставке жатки и отличается от нее лишь тем, что она жестко закреплена на платформе.
1.3.4 Молотилка
Молотилка комбайна состоит из корпуса, молотильно-сепарирующего устройства, соломотряса, ветрорешетной очистки, домолачивающего устройства, транспортирующих органов и приводов.
В зависимости от модификации комбайна молотилка может быть однобарабанной (рисунок 1.4) или двухбарабанной (рисунок 1.5).
Корпус мототилки состоит из рамы, панелей и крыши. Для обслуживания, а также монтажа и демонтажа рабочих органов в корпусе молотилки имеется ряд люков. Передняя часть корпуса образует приемную камеру, в нижней части которой расположен улавливатель посторонних предметов (камнеуловитель) 14.
Молотильно-сепарирующее устройство:
Молотильно-сепарирующее устройство однобарабанного комбайна включает приемный битер I (рисунок 1.4), молотильный барабан 2, подбарабанье 3, сепарирующую решетку 4, отбойный битер 5.

Рисунок 1.4 – Молотилка однобарабанного комбайна:
1 – битер приемный; 2 – барабан; 3 – подбарабанье; 4 – надставка подбарабанья с решеткой; 5 – битер отбойный; 6 – соломотряс; 7 – фартук; 8 – фартук – ворошилка; 9 – шнек колосовой; 10 – стан решетный; 11 – шнек зерновой; 12 – вентилятор; 13 – грохот; 14 – камнеуловитель; 15 – люк
Молотильно-сепарирующее устройство двухбарабанного комбайна включает приемный битер 1 (рисунок 1.5), первый: молотильный барабан: 2, подбарабанье первого барабана 3, сепарирующую решетку промежуточного битера 5, промежуточный битр 4; второй молотильный барабан 6; отбойный битер 7 и подбарабанье второго барабана 8.
Приемный битер 1 (рисуноки 1.4, 1.5) четырехлопастной устанавливается в молотилку через люк в левой панели корпуса молотилки и крепится посредством, корпусов шарикоподшипников. Приводится приемный битер цепной передачей с верхнего вала наклонной камеры.
Молотильные барабаны 2 (рисунок 1.4) и 6 (рисунок 1.5) бильные бичи рифленые закреплены на подбичниках остова барабана поочередно левого и правого направления рифов. Барабаны монтируются в корпусе молотилки через люк в правой панели молотилки и устанавливаются на двух самоустанавливающихся шарикоподшипниках.
Привод барабанов осуществляется от главного котрпривода через клиноременные вариаторы (рисунок 1.5).

Рисунок 1.5 – Молотилка двухбарабанного комбайна:
1 – битер приемный; 2 – барабан первый; 3 – подбарабанье первого барабана; 4 – битер промежуточный; 5 – решетка сепарирующая; 6 – барабан второй; 7 – битер отбойный; 8 – подбарабанье второго барабана; 9 – решетка направляющая; 10 – фартук; 11 – фартук-ворошилка; 12 – соломотряс; 13 –шнек колосовой; 14 – стан решетный; 15 – шнек зерновой; 16 – вентилятор; 17 – грохот; 18 – камнеуловитель; 19 – люк
Управление вариаторами (изменение частоты вращения барабанов) осуществляется с рабочего места комбайнера гидроцилиндром. Механизм регулировки включает шкив главного контрпривода, состоящий из неподвижного диска 6 (рисунок 1.6) и подвижного диска 5; шкив барабана, состоящий из неподвижного диска 2 и подвижного диска 3; гидроцилиндр главного контрпривода, гидроцилиндр барабана.

Рисунок 1.6 – Гидрофицированный вариатор барабана:
1 – ремень; 2 – диск малый неподвижный; 3 – диск малый подвижный; 4 – вал барабана; 5 – диск большой подвижный; 6 – диск большой неподвижный; 7 – вал главного контрпривода; 8, 13, 25,28,45,48 – втулки; 9, 24, 38 – шайбы замковые; 10,41,44 – кольца стопорные; 11, 19, 50 – штоки; 12, 26, 31, 40, 46 – манжеты; 14, 49 – гильзы; 15 – пробка; 16, 20,29, 30,32, 33,35,36 – кольца уплотнительные; 17,22 – пружины; 18,23,39, 42 – шайбы; 21 – винт; 27, 47 – кольца; 34 – клапан запорный; 37 – шток; 43 – тарелка; 51 – поршень; 52 – болт
Механизм регулировки обеспечивает изменение частоты вращения барабана в пределах от 800 до 1250 мин-1. Для увеличения диапазона регулировки необходимо шкивы барабана и главного контрпривода поменять местами. После перестановки шкивов барабана и главного контрпривода частота вращения барабана будет изменяться в пределах от 500 до 800 мин-1.
На рисунке 1.7 показан механизм регулировки зазоров в молотильном аппарате. Механизм регулировки подбарабанья однобарабанной модификации унифицирован с механизмом регулировки первого подбарабанья двухбарабанной модификации.
Регулировка зазоров осуществляется с площадки водителя перемещением рычагов.
Заводская регулировка предусматривает установку подбарабаний на однобарабанном комбайне с исходными зазорами на входе, – 18 мм, на выходе – 3 мм, а на двухбарабанном с исходными зазорами в первом молотильном аппарате: на входе – 20 мм, на выходе – 7 мм; во втором: на входе – 18 мм, на выходе – 6 мм.
Механизм реверса барабанов устанавливается на валу первого барабана с правой стороны. Предназначен для устранения забивания рабочих органов молотилки, состоит из храповика 4 (рисунок 1.8), соединенного с валом первого барабана призматической шпонкой 5, корпуса рычага 1, установленного на валу на двух шариковых подшипниках 3 и закрепленного гайкой 2, двух фиксаторов 10 и 11, один из которых расположен в рычаге 1, а второй – на правом подкосе молотилки 7. Приводится в действие механизм при помощи гидроцилиндра 12, опирающегося на правый подкос молотилки 7. Управляется гидроцилиндр из кабины водителя или дублирующей рукояткой, расположенной под площадкой водителя. При нормальном положении фиксаторы 10 и 11 отведены от храповика.

Рисунок 1.7 – Механизм регулировки зазоров первого и второго подбарабаний:
1 – механизм регулировки зазоров подбарабанья однобарабанного комбайна; 2 – механизм регулировки зазоров подбарабаний двухбарабанного комбайна
Для включения механизма в работу фиксаторы необходимо ввести в зацепление с храповиком 4.
В наиболее сложных условиях уборки возможны случаи, при которых недостаточно усилия гидроцилиндра механизма обратной прокрутки для устранения забоя барабана хлебной массой. В этом случае необходимо убедиться, полностью ли опущены оба подбарабанья, дать двигателю полные обороты и переведя рукояткой управления гидроцилиндр из одного крайнего положения в другое, постепенно повернуть барабан; если стронуть барабан не удастся, необходимо одновременно с действием механизма приложить дополнительное усилие монтировки к остову барабана. После того как барабан стронулся с места, прокручивание производить только с помощью гидроцилиндра. Во избежание поломок деталей механизма реверса включение молотилки при опущенных фиксаторах недопустимо.

Рисунок 1.8 – Механизм реверса барабана:
1 – рычаг; 2 – гайка; 3 – подшипник; 4 – храповик; 5 – шпонка; 6 – вал барабана; 7 – подкос молотилки; 8 – рукоятка; 9 – пружина; 10, 11 – фиксаторы; 12 – гидроцилиндр
Ветрорешетная очистка
Очистка предназначена для отделения зерна от половы и вывода незерновой части из молотилки. Очистка состоит из грохота, нижнего решетного стана, вентилятора, подвесок передних, рычагов очистки, колебательного вала с шатунами, подвесок задних и вариатора вентилятора.
Грохот (рисунок 1.9) состоит из стрясной доски 1, верхнего решетного стана 2 и верхнего решета 3. В передней части грохот закреплен на передних подвесках 4, в средней части установлен на верхних головках рычагов 5, а в задней части – на подвесках 6. Грохот совершает возвратно–поступательные движения под воздействием шатунов 7, приводимых в действие при помощи колебательного вала 8.

Рисунок 1.9 – Ветрорешетная очистка:
1 – доска стрясная; 2 – верхний решетный стан; 3 – верхнее решето; 4 – подвеска передняя; 5 – рычаг двуплечий; 6 – подвеска задняя; 7 – шатун; 8 – вал колебательный; 9, 10, 17 – оси трубчатые; 11, 13, 14, 18, 19 – втулки резиновые; 12 – ось; 15 – рама молотилки; 16 – нижний решетный стан; 20 – подвеска; 21 – решето нижнее; 22 – распределитель
Нижний решетный стан 16 в передней части через трубчатую ось 17 и резиновые втулки 18 соединен с нижними головками двуплечих рычагов 5, а в задней части через резиновые втулки 19 и подвески 20 соединен с рамой молотилки 15.
Решета верхнее 3 и нижнее 21 жалюзийные регулируемые. Величина открытия жалюзи решет регулируются рычажными механизмами, смонтированными на задних планках рам решет.
Вентилятор очистки предназначен для создания воздушного потока в процессе окончательной очистки зерна и состоит из шестилопастного крылача, установленного в кожухе.
Соломотряс (см. Дон-1500Б).
Состоит из четырех клавишей, установленных с помощью подшипников скольжения на двух коленчатых валах. Клавиши однобарабанного комбайна отличаются от клавишей двухбарабанного длиной, на один каскад, за счет приставки, которая крепится в передней части клавиши двухбарабанного комбайна. Подшипники соломотряса состоят из двух алюминиевых полукорпусов, в каждом из которых установлено по два металлокерамических вкладыша. Между полукорпусами устанавливаются регулировочные прокладки.
Для устранения перекоса клавишей при сборке между верхним полукорпусом и кронштейнами клавиши со стороны, в которую наклонена клавиша, устанавливаются прокладки.
Привод соломотряса осуществляется от заднего контрприводного вала с помощью перекрестной ременной передачи с правой стороны комбайна.
Над первым каскадом клавишей подвешен фартук, исключающий выброс зерна отбойным битером, барабаном за пределы первого каскада.
1.3.5 Гидравлическая система
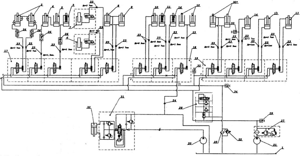
Гидравлическая система состоит из двух независимых систем: основной и гидросистемы рулевого управления. Принципиальная схема гидросистемы комбайна приведена на рисунке 1.11.
Основная гидросистема предназначена для подъема жатки и мотовила, изменения частоты вращения мотовила, первого и второго молотильных барабанов, включения выгрузного шнека бункера, перевода выгрузного шнека в рабочее и транспортное положение, отключения привода жатвенной части, очистки воздухозаборника, регулировки заслонок выгрузного шнека бункера, для обратной прокрутки барабанов молотилки, включения муфты сцепления молотилки, открытия и закрытия копнителя. В гидросистеме предусмотрена возможность горизонтального выноса мотовила.
Основная гидросистема включает шестеренный насос 21 (рисунок 1.11), напорный фильтр 27, блок предохранительно-разгрузочный 28, плунжерные и поршневые гидроцилиндры 2-26, гидрораспределители 17, 18, 19.
Фильтр напорный 27 обеспечивает в процессе эксплуатации необходимую чистоту масла.
Для управления всеми потребителями основной гидросистемы применены три многосекцонных распределителя 17, 18, 19 с параллельной схемой подключения золотников (трехсекционный, четырехсекционный, пятисекционный), подключенных параллельно в напорную линию насоса.
Для управления подъемом и опусканием жатки и мотовила, изменения частоты вращения мотовила применяется секция с одним запорным клапаном.
Четырехсекционный распределитель 19, установленный на бункере, предназначен для управления: открытием заслонок бункера, включением выгрузного шнека, включением молотильного аппарата, закрытием копнителя, для комбайна с измельчителем применяется трехсекционный распределитель. Для двухбарабанного комбайна с копнителем применяется пятисекционный распределитель.
Трехсекционый распределитель 18, расположенный справа под площадкой водителя предназначен для управления: подъемом – опусканием, отключением жатки, очисткой сеток воздухозаборника, обратной прокруткой барабана.
Пятисекционный распределитель 17, расположенный слева под площадкой водителя предназначен для управления гидровыносом мотовила, подъемом мотовила, вариатором I барабана, переводом откидного шнека.
В конструкции гидросистемы предусмотрена возможность присоединения манометра для контроля давления с помощью быстроразъемной муфты 29.
Секция гидрораспределители с электрогидравлическим управлением с гидрозамком двухстороннего действия показана на рисунке 1.10.
В корпусе 12 распределителя имеются запорные клапаны 2, электромагниты 1, каналы и золотник 10. Золотник имеет кольцевые проточки, пояски, радиальные и осевые сверления, в которых размещены седла 8 клапанов, центральная втулка 11 и кольца. В нейтральное положение золотник устанавливается пружинами 9.
При выключенных электромагнитах полости Р (подвод), А и Г соединены с полостью нагнетания (в нейтральном положении золотника 10 – давление разгрузки); полости Б и В соединены со сливом.
При включении клавиши на пульте управления замыкается цепь правого электромагнита 1 якорь 3 втягивается вовнутрь, разгрузка гидрораспределителя прекращается и в полостях Р, А и Г создается рабочее давление. Потоком рабочей жидкости игла 7 перемещается до упора в торец якоря, полость А соединяется со сливом. Из–за разности давлений в полостях А и Г золотник перемещается в крайнее правое положение. Полость Р соединяется с полостью Б, а полость В остается соединенной со сливом. Под давлением рабочей жидкости открывается клапан 3 и масло поступает в нагнетательную полость цилиндра. Одновременно поршень 4, перемещаясь влево под действием давления, механически открывает клапан 3 противоположного запорного клапана и рабочая жидкость со сливной полости цилиндра поступает на слив.
При выключении электромагнита золотник под действием пружины 9 возвращается в нейтральное положение.
Аналогично происходит работа секции при включении левого электромагнита.

Рисунок 1.10 – Секция гидрораспределителя с электрогидравлическим управлением:
1 – электромагнит; 2 – запорный клапан; 3 – клапан; 4 – поршень; 5 – пружина; 6 – якорь электромагнита; 7 – игла; 8 – седло; 9 – пружина; 10 – золотник; 11 – втулка; 12 – корпус; А, Б, В, Г, Р – полости

Рисунок 1.11 – Схема гидравлическая принципиальная:

