
Гидропривод пресса

Сергей Гаврилов
Гидропривод пресса
10-Апр-2021 г…
Введение
Инженер конструктор отдела гл.механика Гаврилов Сергей Фёдорович написал эту книгу для конструкторов и студентов механиков. Данная книга приводит подробное описание гидропривода пресса с усилием 1500 тонн, содержит эскизы узлов и деталей гидропривода близкие к рабочим чертежам, некоторые расчеты гидропривода. Данный гидропривод автор спроектировал полностью сам. Приведены ссылки по которым можно скачать рабочие чертежи гидропривода и добавочную информацию, не вошедшую в книгу.
Описанный гидропривод интересен тем, что может быть применен практически на любом гидропрессе без изменения чертежей основных деталей. Как автор разработки, я не возражаю против заимствования и копирования. Гидропривод запущен в работу в 1994 году, работает в три смены по семь дней в неделю и показал себя весьма надежным в работе и успешно работает по сей день. Наиболее сложное – это разработка силовой гидроплиты и клапана № 5.. Чертежи гидроплиты и клапана приведены полностью с подробными пояснениями. Гидропривод, в отличие от механического привода, более универсален и легко может быть установлен на разные типы прессов. Пользуясь данной книгой, конструктор может быстро разработать гидропривод подобного пресса. Использование, проверенных длительной эксплуатацией, конструкторских решений позволит избежать явных и скрытых ошибок. Тем более, что некоторые ошибки выявляются после года и более работы пресса.
Приведен обширный перечень литературы по затронутым в книге вопросам.
История разработки:
Пресс П6242 Новосибирского завода " Тяж СтанкоГидропресс " им. А.И. Ефремова выпущен 1968 г.
Пресс П 6242 был оборудован реверсивным насосом с регулируемой производительностью модели 2НРСШ 250А/20 с характеристиками Q = 250 куб. см. / оборот ( 200 литров в мин.). Для насоса рекомендуется эл.привод 91 квт 900 об/мин. объемный КПД 80 % . Реально на привод был поставлен эл.мотор меньшей мощности так как под полным давлением насос работал лишь часть цикла и короткое время за которое эл.мотор не успевал нагреться, запаса по крутящему моменту тоже было достаточно.
Насос управлялся пристроенным реверсивным эл.приводом, который через редуктор поворачивал рукоять ручного управления насоса в ту или иную сторону от нейтрали, регулируя как производительность так и направление подачи масла. Это обеспечивало простоту гидравлической схемы и схемы эл.управления.
К 1993 г. у меня был уже большой опыт по модернизации гидроприводов станков и прессов, правда, меньшей мощности. Главный механик мои возможности знал.
В 1993 г. насос 2НРСШ 250А/20 пресса П6242 окончательно вышел из строя по предельному износу. Промышленность таких насосов уже с 1975 г. не выпускала. Встал вопрос о срочной замене, так как технологическая цепочка, завязанная на пресс, встала. Прямых аналогов насоса не нашлось. Мне дали задание подобрать насос и срочно спроектировать гидропривод с новым насосом.
Из прошлого опыта, я знал, что пытаться набрать группу конструкторов для срочной и ответственной работы – напрасная потеря времени, поэтому от помощников отказался – всю ответственность взял на себя, всю разработку и деталировку делал сам.
,,,,,,,
Пресс П6242 Новосибирского завода " Тяж СтанкоГидропресс "
им. А.И. Ефремова выпущен 1968 г.

Пресс выполнен по дифференциальной схеме рабочих цилиндров. Пресс имеет заглубленную, относительно уровня пола, нижнюю траверсу. На нижней траверсе закреплены два одинаковых ретурных цилиндра, на верхней траверсе два одинаковых плунжера ретурных цилиндров. На нижней траверсе закреплены два рабочих плунжера. Нижний диаметр рабочего плунжера равен 550 мм – Верхний диаметр плунжера в виде бочки равен 940 мм. Бочка закреплена гайкой на плунжере Ф 550 мм.
Два дифференциальных цилиндра, скользящие по неподвижным плунжерам, объединены в подвижную верхнюю траверсу пресса. Траверса выполнена сварной, пустотелой, из толстого 60 мм. листа.
Внутренняя полость траверсы служит гидробаком гидропривода пресса.
Во время работы пресса уровень масла в гидробаках значительно меняется вследствие сбрасывания масла в гидробак из рабочих цилиндров при подъеме траверсы и засасывания масла в рабочие цилиндры при опускании траверсы. Скорость изменения объема масла при опускании траверсы равна 137 литров в секунду. На такой расход следует рассчитывать воздушный фильтр и сапун гидробака. К примеру подойдет воздушный фильтр от машины Камаз-5320 с 10 литровым двигателем мод. 740. С потреблением воздуха 430 литр/сек. Выхлопной воздушный клапан не сложно выполнить самим.
Разность площадей одного цилиндра = 4563,95 кв.см. двух цилиндров = 9127,9 кв.см.
При давлении 170 кгс / кв.см пресс обеспечивает усилие 1500 тонн.
На верхней плоскости траверсы размещен гидропривод пресса с гидроаппаратурой
управления. Вес траверсы в сборе с маслом примерно 51 тонну. Подъем траверсы вверх производится двумя ретурными цилиндрами со штоками диаметром по 150 мм. закрепленными на траверсе.
Гидропривод пресса при срочном ремонте разработал Гаврилов С.Ф. в 1994 г.
Необходимость в разработке гидропривода возникла в результате очень значительной потери производительности и давления фирменного гидронасоса, и сильном износе гидрораспределительной аппаратуры. Насос, примененный в фирменной гидросхеме, давно сняли с производства и на складах их не оказалось. Гидрораспределители были эксклюзивные, их было решено заменить на покупные, стандартные.
Насос подобранный на замену вышедшему из строя не был аналогичным заменяемому ни по конструкции, ни по функциональности. Это обусловило разработку полностью новой гидравлической схемы.
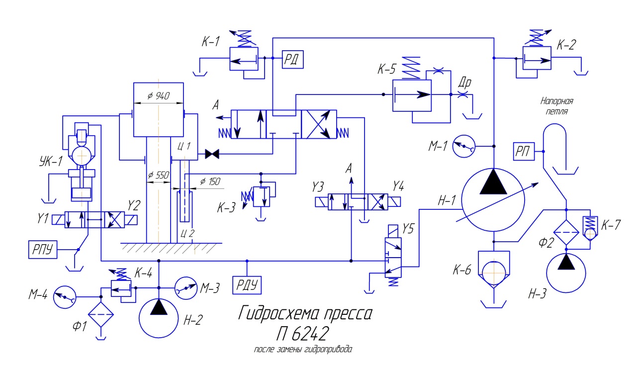
Ниже показана разработанная автором и утвержденная руководством гидросхема.
По этой гидросхеме выполнялась модернизация гидропривода пресса.

Ниже приведена гидросхема выполненная позднее в современном стиле.
В новой редакции удален обжим № 2 – практика показала, что он лишний и добавлена линия постоянной фильтрации масла и заполнения линии всасывания насоса Н-1.
На гидросхеме условно показаны только по одному гидроцилиндру.
,,,

,,,,

Порядок работы гидроэлементов пресса.
Описание работы гидросхемы пресса.
Нейтраль – нейтральное положение рукоятки контроллера управления траверсой пресса.
Силовой поток масла обеспечивает плунжерный насос марки 50 НРР 250 СК производства Харьковского завода " Гидропривод " версия 1987 г. Насос Н-1 с дистанционно регулируемой подачей.
Производительностью, с максимальной подачей 200 литров / мин.,
и максимальным давлением 630 кгс / кв.см.
Насос приводится во вращение электромотором марки АО 93-6 мощностью 55 квт.
со скоростью вращения ротора 1000 об/ мин. Эл.мотор привода насоса Н-1 остался без изменений так как отсутствовали недостатки при его работе в прежнем гидроприводе.

Такой тип насоса был выбран из за его конструктивной износостойкости. Насос имеет десять нагнетательных пар: цилиндр-плунжер. По пять пар в двух рядах. Цилиндры опираются на эксцентрик приводного вала и удерживаются на нем кольцами и давлением масла в цилиндрах. Масло цилиндр засасывает из картера через прорези на эксцентрике приводного вала. Нагнетаемое масло проходит через сверление в плунжере, через сферическую головку в нагнетательный канал и через нагнетательный клапан 5 в систему.
В каждом нагнетательном канале расположен сливной клапан 8. Если все сливные клапана закрыты – насос имеет максимальную подачу 211 литр/мин. Регулировка подачи уменьшением – производится открыванием части сливных клапанов. Сливные клапана открываются перемещением втулки 12. Открыв все сливные клапана – получим минимальную подачу насоса равное 21 литр/мин.
Насос допускает кратковременное давление до 630 кгс/кв.см.
Такое большое давление очень опасно для пресса и людей – поэтому гидросистема имеет тройную защиту: два предохранительных клапана и реле давления отключающее эл.двигатель, а так же эл.двигатель с минимальной мощностью 55 квт при 1000 об/мин. имеющий значительно меньший маховый момент ( кинетическую энергию ротора ), чем паспортный рекомендуемый эл.мотор мощностью 190 квт. С другой стороны большое паспортное давление говорит о том, что при износе насоса, он достаточно долго будет способен давать давление 150 кгс/кв.см. необходимое по технологии работы пресса.
Конструктивная износостойкость насоса достигается тем, что нагнетательные пары: цилиндр-плунжер совершают только движения вправо-влево и вверх-вниз.
В противоположность движениям в аксиально поршневых насосах, где к этим движениям добавляется еще вращение и быстрое скольжение подпятников по наклонному диску.
Основной насос в цикле « Нейтраль » и « Вниз » охолащивается способом соединения напорных линий всех рабочих плунжеров с картером корпуса ( с системой всасывания ). При этом давление в напорной магистрали близко к нулю. Производительность насоса регулируется – уменьшается – путем соединения напорных линий части рабочих плунжеров с картером корпуса. Система управления работает от отдельной гидростанции управления с насосом Н-2 НПл 26/6,3 с подачей 21 л/мин при давлении 63 кгс/кв.см.
Гидростанция управления собрана на гидрораспределителе ВЕ 10 14 В110 (Y1…Y2); и гидрораспределителе ВЕ 10 574А В110 (Y5); Предохранительном клапане марки 10.10.2.11 и маслофильтре 3ФГ 320-25К..
Все аппараты, кроме маслофильтра, собраны на одной гидроплите управления.
Всасывающая труба Насоса Н-2 постоянно погружена в гидробак, находится ниже уровня масла. Насос с эл.мотором, находящимся на крышке гидробака управления, соединен упругой муфтой.
Гидробак гидростанции управления выполнен в виде отдельного узла и присоединен на болтах к правому торцу траверсы ( гидробака ) пресса.
Гидробак гидростанции управления гидравлически связан с основным гидробаком
по принципу сообщающихся сосудов, короткой трубой диаметром 100 мм., врезанной в 200 мм от дна основного бака и у дна гидробака управления через фланцевое соединение и задвижку. Высота гидробака управления равна высоте основного бака. Никаких особенностей гидростанция управления не имеет. При разработке гидростанции за основу бралась надежность работы и легкость ремонта.
Встроенный вспомогательный насос основного насоса, из соображений надежности работы, в гидросхему не включен и переключен на постоянное охолащивание – то есть масло из него без давления постоянно сливается в гидробак.
Описание работы гидросхемы:
Включение пресса в работу начинается с включения центробежного насоса Н-3.
Насос Н-3 марки КМ 50-32-125/2-5 с подачей 12,5 куб.м./час. С напором 20 метров производится АО « ГМС Ливгидромаш ». Насос установлен на задней стенке основного гидробака ( траверсы пресса ), на приварной площадке. Площадка приварена на уровне 100 мм. от уровня днища гидробака, чем обеспечивается постоянное заполнение насоса маслом. Насос забирает масло в 200 мм от дна основного гидробака по трубе Ду = 80 мм через фланцевое соединение и задвижку DN 80 – 3КЛ2 PN 16. От задвижки через переходник масло подается на вход насоса. От насоса по трубе Ду = 50 мм масло подается на эксклюзивный фильтр Ф2 с постоянно подключенной байпасной линией с клапаном К-7. Эксклюзивный клапан К-7 настроенный на давление 0,2…0,3 кгс/кв.см. поддерживает перепад давления на фильтрэлементе в безопасных пределах, достаточных для фильтрации большей части потока масла. В фильтре используется фильтрэлемент Реготмас 690АМ-1-СМ .. с габаритами: L = 400 .. D = 250.. d = 160.. В виду малого внутреннего давления – корпус фильтра выполнен сварным из листа. На выходе из фильтра одна ветка Ду = 50 мм подходит на вход насоса Н-1 ( во всасывающую трубу с клапаном К-6 ). Другая ветка Ду = 50 мм образует « напорную петлю » и уходит на слив в главный гидробак. Верхняя точка напорной петли должна быть выше на 250…300 мм. оси насоса Н-1. Напорная петля с радиусом 160 мм. обеспечивает небольшой напор – примерно 0,08 кгс/кв.см. на входе насоса Н-1, большее давление плохо сказывается на уплотнениях картера насоса Н-1. Подпитка на входе в насос Н-1 необходима потому, что при некотором износе насоса, он начинает плохо всасывать масло, а давление еще создает достаточное. Подпитка продляет срок эксплуатации насоса и облегчает его работу. Поток масла через напорную петлю контролирует реле потока РП марки ДР-П-М. При наличии потока масла – на пульте управления загорается контрольная лампочка. Следующим включают насос Н-2. который обеспечивает давление в системе управления гидросхемой. Давление управления поддерживается предохранительным клапаном непрямого действия К-4 на уровне 50 кгс/кв.см. и контролируется по манометру М-3. Реле давления управления РДУ при нормальном давлении управления зажигает лампочку на пульте управления. Реле потока управления РПУ , установленное на сливной линии золотника Y1…Y2., при нормальном потоке масла с насоса управления зажигает лампочку на пульте управления. Лампочки находятся рядом и загораются попеременно в разных стадиях цикла работы пресса. При разгрузке насоса Н-2 срабатывает реле потока РПУ, при рабочем режиме срабатывает реле давления РДУ. Сброс масла с клапана К-4 производится через фильтр Ф1, этим достигается очистка масла во вспомогательном гидробаке. Степень загрязнения фильтрэлемента Ф1 контролируется манометром М-4. При отключенных соленоидах Y1 и Y2 насос Н-2 разгружается – масло без давления, через золотник Y1 и Y2, свободно сливается в бак. При работающих нормально насосах Н-2 и Н-3 можно включать главный насос Н-1. Имеется блокировка пусковой кнопки эл.мотора насоса Н-1. Напряжение от пусковой кнопки на магнитный пускатель подается только в положении контроллера « Нейтраль ». Включив насос Н-1 переводим рукоять контроллера в положение « Вверх ». После включения насоса Н-1 – пускатель эл.мотора встает на самопитание и перемещение контроллера по позициям на пускатель не влияют.
Исходное положение траверсы пресса при работе находится в верхней точке рабочего хода. При длительном отключении эл.оборудования пресса, траверса пресса уходит вниз.
Подъем траверсы вверх в исходное положение ( исходное положение контролируется двумя конечными выключателями БВК ). По команде любого из них подъем траверсы пресса прекращается. Два БВК поставлены для надежности остановки траверсы в верхнем положении, для исключения аварии при заклинивании траверсы на плунжерах. Примечание: из за неравномерного износа плунжеров – в верхней части они толще. Если загнать траверсу выше, чем обычно, то бывает заклинивание траверсы в верхнем положении.
В верх:
Включаются электромагниты гидрораспределителей № Y2, Y4, Y5..
При включении Y2 на гидрораспределителе ВЕ 10 14 В110 – масло станции управления подается под нижний поршень управляемого клапана УК-1 ( клапан наполнения ).
Разгрузка насоса Н-2 через золотник Y1..Y2 прекращается.
Полость верхнего плунжера сообщается с баком. Золотник клапана УК-1 поднимается, сообщая рабочие полости главных цилиндров со сливом в главный гидробак.
При включении Y5 масло под давлением 50 кгс / кв.см. от станции управления подается в блок управления основного насоса, переключая основной насос Н-1 на работу с полной подачей 200 л / мин.
При включении Y4 золотника пилота – масло подается под правый торец золотника силового гидрораспределителя 2Р323АЛ1 64А перемещая силовой золотник влево. Масло от основного насоса Н-1 под давлением до 150 кгс / кв.см. через силовой золотник подводится сбоку к нерабочей части штоков ретурных цилиндров и по сверлению в штоках попадает в полости ретурных цилиндров, перемещая траверсу вверх. Скорость хода вверх = 94,3 мм /сек. Замеряя скорость подъема можно контролировать степень износа главного насоса Н-1. От превышения давления в системе страхуют предохранительные клапана К-1, К-2 и К-3.
Марка встраиваемых предохранительных клапанов: 32.20.2.11..
Клапана настроены на одинаковое давление = 200 кгс/кв.см. Клапана продублированы из соображений безопасности работы. Давление срабатывания клапанов настраивают на специальном стенде и после настройки регулировочные винты контрятся и пломбируются.
Реле давления РД марки ВПГ 62-11 подает сигнал на электросхему управления отключая эл.мотор насоса Н-1 при давлении 210 кгс/кв.см. Реле давления настраивается на стенде, и после настройки регулировочные винты контрятся и пломбируются.
Основной поток масла из главных цилиндров выдавливается ретурными цилиндрами в гидробак через клапан наполнения УК-1 с расходом потока до 86,1 литр/сек. или 5166 литр/мин. Gsf = 461030/2725231222…|
Малая часть потока масла сливается в основной гидробак через клапан К-5..
Примечание: Клапана К-1, К-2, К-3 и реле давления РД на прессе настроить нельзя, поэтому был разработан и изготовлен стенд для настройки этих гидроэлементов.
Нейтраль ( стоп траверсы в верхнем положении ). Все эл.магниты золотников отключены. Все золотники, торцовыми пружинами, ставятся в среднее положение. Золотник Y5 – двух позиционный – пружиной переводится на разгрузку насоса Н-1.
Силовой золотник под действием торцовых пружин встает в среднее положение, разгружая насос Н-1 сливая весь поток через клапан К-5 в бак. Силовой золотник в среднем положении запирает полости как главных, так и ретурных цилиндров. Отключенный соленоид Y5 так же переводит насос Н-1 на внутреннюю разгрузку. Отключенные соленоиды Y1..Y2 освобождают золотник – торцовые пружины золотника переводят его в среднее положение, масло с насоса Н-2 через золотник свободно сливается в бак управления – разгружая насос Н-2.
Примечание: Насос Н-1 при разгрузке в режиме минимального давления -
( примерно 3 кг/кв.см.). Поток масла от насоса Н-1 сливается внутри насоса, с напорных линий качающих плунжеров, во всасывающую полость и малая часть сливается в гидробак через силовой золотник и клапан К-5. При расходе 200 литр/мин, под торцом золотника К-5, при диафрагме Ф 18 мм., создается давление 0,227 МПа. = 2,315 кгс/кв.см. Золотник К-5 давит на пружину с усилием 35,2 кгс. – что меньше монтажного усилия пружины = 80 кгс. Золотник неподвижен и полностью открыт. Насос Н-1 охолащивается
в бак с давлением около 3 кгс/кв.см. Поскольку в режиме « Нейтраль » соленоид Y5 отключен – насос Н-1 находится в режиме охолащивания – то есть рабочие плунжера насоса качают масло в картер насоса на всасывание, без давления. Производительность насоса Н-1 близка к нулю. Насос управления Н-2 охолащивается ( масло без давления сливается в гидробак через золотник Y1…Y2,) находящегося под действием торцовых пружин в среднем положении. Продолжается подпитка маслом всасывающей трубы насоса Н-1. от насоса Н-3 который постоянно включен во всех режимах работы пресса.
Траверса в верхнем исходном положении – положение траверсы контролируют конечники БВК.
Из-за пропуска масла по золотникам, траверса постепенно смещается вниз и освобождает конечные выключатели БВК. По времени схода траверсы с конечников – можно судить о степени износа силового золотника 2Р323АЛ1 64А. и клапана УК-1.
Конечники БВК подают сигнал в эл.схему о сходе траверсы. Через несколько секунд
( по настройке реле времени ) эл.схема включает золотники на « подъем вверх »
до срабатывания БВК. Конечники БВК сработали – золотники отключаются до момента следующего схода траверсы с конечников БВК. Так траверса устойчиво держится в верхнем положении. Выдержка времени при включении траверсы на подъем необходима для исключения быстрого дерганья траверсы вверх – вниз, что вредно для пресса.
Ход вниз.
Ход вниз под действием веса траверсы. Быстрый подвод пуансона к заготовке.
Включаются электромагниты гидрораспределителей № Y2, Y3..
При включении Y2 масло под давлением подается под нижний поршень управляемого клапана УК-1 ( клапан наполнения ). Золотник клапана поднимается, сообщая рабочие полости главных цилиндров с главным гидробаком. Траверса пресса, под действием собственного веса, идет вниз увеличивая рабочий объем главных цилиндров. Через открытый клапан наполнения УК-1 масло из гидробака засасывается в главные цилиндры с расходом потока примерно 136,96 литр/сек..
Насос Н-1 в режиме минимальной производительности ( подачи ) продолжает охолащиваться.
При включении Y3 масло под давлением по каналу « А »подается под левый торец силового гидрораспределителя 2Р323АЛ1 64А, перемещая его золотник вправо. Поток масла от основного насоса Н-1 подается в рабочие полости главных цилиндров и тут же сливается в гидробак через открытый клапан УК-1..
Масло из полостей ретурных цилиндров сливается в гидробак через клапан К-5 и дроссель- это эксклюзивный регулятор расхода.
Клапан К-5 служит для равномерного ( без разгона ) спуска траверсы вниз со скоростью не более 100 … 150 мм / сек. Конструкция клапана К-5 эксклюзивная, в виду отсутствия покупных клапанов с необходимыми характеристиками. Клапан К-3 защищает полости ретурных цилиндров от аварийной мультипликации. В этом режиме пуансон подводят к заготовке, требующей правки.
Обжим.
Ход вниз под действием давления насоса Н-1. Рабочий ход силовой правки.
Включаются электромагниты гидрораспределителей № Y1, Y3, Y5..
При включении Y1 масло под давлением подается на верхний плунжер управляемого клапана УК-1 ( клапан наполнения ). Золотник клапана опускается, отсекая рабочие полости главных цилиндров от сообщения с гидробаком. При этом полость под нижним поршнем включена на слив в бак через золотник Y1, Y2 . Насос Н-2 прекращает разгрузку через золотник Y1, Y2 .
При включении Y5 масло станции управления подается в эксклюзивную головку блока управления производительностью насоса Н-1, включая насос Н-1 на полную производительность равную 200 литр/мин.
При включении Y3 масло станции управления подается под левый торец силового гидрораспределителя по каналу А. Силовой золотник 2Р323АЛ1 64А, перемещается вправо. Поток масла от основного насоса Н-1 подается в рабочие полости главных цилиндров. Клапан УК-1 закрыт. Траверса с рабочим усилием пошла вниз со скоростью 3,65 мм / сек. Из ретурных цилиндров масло через силовой золотник и клапан К-5 сливается в главный гидробак.
Давление основного насоса Н-1 определяется сопротивлением обрабатываемой заготовки.
Визуально перемещение пуансона видно по отлетающей, при деформации заготовки, окалине от поверхности заготовки. Так же на траверсе установлен указатель, а на ретурном цилиндре линейка по которой можно судить о величине перемещения.
Из ретурных цилиндров масло выдавливается через клапан К-5 и дроссель в гидробак с расходом примерно 7,8 л/мин. При таком малом расходе клапан К-5 и дроссель влияние на поток не оказывают.
Особенности гидросхемы: По паспорту насоса Н-1 запрещено запускать его без заполнения картера маслом.
При запуске пресса после простоя: Предварительно включается насос Н-3 ( маслозабор которого находится ниже уровня масла и всегда заполнен маслом ), при работе насос Н-3 заполняет корпус насоса Н-1 – картер – и его всасывающую трубу маслом. Затем включается насос Н-2 ( всасывающая труба которого находится ниже уровня масла и всегда заполнена маслом ). Масло подаваемое насосом Н-2 без давления сливается через отключенный золотник Y1-Y2.
Эксклюзивный клапан К-6 представляет из себя закаленный шлифованный диск диаметром = 120 толщиной 12 мм лежащей на шлифованном основании с отв. Ф 90. Клапан К-6 служит для удержания масла в трубе всасывания насоса Н-1.
Гидробак оборудован циркуляционной системой очистки масла состоящей из центробежного насоса Н-3 и маслофильтра с большой пропускной способностью.
Изначально гидростанция пресса не была оборудована охлаждением масла, и большой необходимости в этом не возникает. Гидростанция ранее не была оборудована системой очистки воздуха, ее нет и сейчас – практика показывает, что ее надо сделать поскольку в воздухе цеха витает мелкая пыль оксида железа ( окалина ) с абразивными свойствами.
Движениями траверсы пресса управляют контроллером типа контроллера мостового крана. Сигнальные лампочки показывают наличие потока масла и рабочее давление.

