
Гидропривод пресса
………
Описание элементов гидропривода:
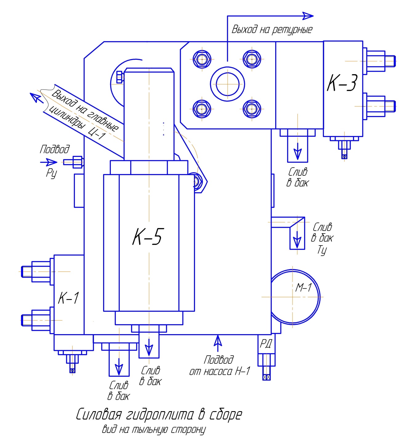
Все силовые гидроэлементы закреплены и гидравлически соединены между собой с помощью силовой гидроплиты ( СГП ). Силовая гидроплита – основа конструкции и ее опишем подробно.
Силовая гидроплита в сборе.
,,,

,,,
Фото силовой гидроплиты.

,,,
Фото с пояснениями.

,,,

,,,
На лицевой стороне СГП виден силовой гидрораспределитель 2Р323АЛ1 64А. Надпись « Р » подвод и надпись « Т » слив – показывают, как должен быть установлен гидрораспределитель. На притычной плоскости гидрораспределителя так же имеются литеры « Р » и « Т ».. Боковые выходы на СГП так же помечены надписями « Ру » подвод давления от насоса управления Н-2. Надпись « Ту » означает слив в бак с золотника пилота ( Y3 – Y4 ). Перед установкой гидрораспределителя на СГП –
с гидрораспределителя необходимо снять золотник пилот – проверить правильность гидросоединений – на соответствие гидросхеме. На силовом гидрораспределителе заглушить резьбовой пробкой соединение отв. « Р » силового золотника с отв. « Р » золотника пилота. Убрать заглушки – соединить « Р » золотника пилота
с отв. « Ру » силового золотника. Аналогично: На силовом гидрораспределителе заглушить резьбовой пробкой соединение отв. « Т » силового золотника с отв. « Т » золотника пилота. Убрать заглушки – соединить « Т » золотника пилота с отв. « Ту » силового золотника. Места расположения и назначение пробок описаны в паспорте силового гидрораспределителя. После выполнения этих операций – проверить их правильность продувкой сжатым воздухом и проливкой керосином. Затем установить золотник пилот на силовой гидрораспределитель, обращая особое внимание на совпадение отверстий « Р » и « Т » золотников и правильность положения уплотнительных колец. Чтобы резиновые кольца не выпали при монтаже – кольца вклеивают в заточки для колец солидолом. Проверку и проливку нового золотника делать обязательно, так как на заводе изготовителе соединения и установку пробок часто путают
и потом на работающем прессе возникают сюрпризы.
Клапана К-1 и К-3 установлены в корпуса, разработанные при разработке гидропривода. Внутренние и присоединительные размеры корпуса указаны в паспорте на встроенный предохранительный клапан.
Корпус имеет две шлифованные плоскости с заточками для установки резиновых уплотнительных колец. При установке обратить внимание на отверстие дренажа.
Конец ознакомительного фрагмента.
Текст предоставлен ООО «ЛитРес».
Прочитайте эту книгу целиком, купив полную легальную версию на ЛитРес.
Безопасно оплатить книгу можно банковской картой Visa, MasterCard, Maestro, со счета мобильного телефона, с платежного терминала, в салоне МТС или Связной, через PayPal, WebMoney, Яндекс.Деньги, QIWI Кошелек, бонусными картами или другим удобным Вам способом.
Приобретайте полный текст книги у нашего партнера:

