
Avtomatlashtirishning texnik vositalari. O’quv qo’llanma
1- temperaturasi o‘lchanadigan ob’ekt, 2- teleskop obyektivi, 3,7- diafragma, 4- termobatareya, 5- ikkilamchi elektron qurilma, 6- okulyar, 8- kuzatuvchi
Radiatsion pirometrlar 600 0C dan 2500 0C gacha temperaturani o‘lchaydi. Ularni asosiy kamchiligi gradirovka shkalasini chiziqli emasligi va qizdirilgan jism kuzatilayotgan teshikni diametri yetarli darajada katta bo‘lishligini talab qilinishidir. Chunki vizirlash koeffisiyenti f =L/d ≤ 20 bo‘lishi kerak. Bunga erishish oson emas. Formuladan ko‘rinib turibdiki, pirometrni obyektga yaqinroq joylashtirish yoki kuzatish teshigini katta qilish lozim. Pirometrni obyektga yaqin qilinsa, u harorat yuqori bo‘lgan muhitga tushib qoladi, agar kuzatish teshigini katta qilinsa, jismni qizdirilishga sarflanayotgan issiqlik tashqariga chiqib ketishi mumkin.

6.16 – rasm. Qizdirilgan simi yo‘qoluvchi optik pirometr. 1- obyekt, 2-obektiv, 3- fokuslash teksligi, 4- pirometrik lampa, 5- okulyar, 6-kuzatuvchi, 7- qizil yoruglik filtri, 8- yorug’likni yutuvchi oyna, 9- elektron blok
Optik pirometrlar 80—90 yillarda keng qo‘llanilgan. Uning ishlash prinsipi qizdirlgan simni yoritilganligi kuzatilayotgan qizdirilgan jism yoritilganligiga teng bo‘lishi bilan qizdirilgan sim ko‘rinmay qolishi effektiga asoslangan. U yordamida 100 0C dan 6 000 0C gacha bo‘lgan temperaturani o‘lchash mumkin. Pirometrda o‘lchash diapazonini ortirish maqsadida maxsus yorug‘lik filtri o‘rnatilgan bo‘lib, uni temperaturani yuqori pastligiga qarab tanlash imkoniyati bor. Qizdirilgan simni yoritilganligini unga berilayotgan tok kuchini o‘zgartirish bilan erishish mumkin [32]. Potensiomert ruchkasini buralishi temperaturaga gradirovkalangan. Optik pirometrlar foydalanishga qulay lekin, ularni aniqlik darajasi juda past.

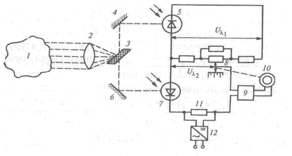
6.17 – rasm. Spektral pirometrni prinsipial sxemasi. 1- obyekt, 2- obyektiv, 3- filtr, 4,6- qaytaruvchi ko‘zgu, 5,7- fotoelementlar, 8- reaxord, 9- kuchaytirgich, 10- reversiv dvigatel, 11- qarshilik, 12- kuchlanish stablizatori
Spektral pirometrlar eng oxirgi yaratilgan pirometrlardan bo‘lib, ularni o‘lchash aniqligi juda yuqori. Ishlash prinsipi qizdiralayotgan jismlarni nurlanish spektri temperaturaga bog‘liq ekanligiga asoslangan. Temperatura ortishi bilan nurlanayotgan jismni spektri kichik to‘lqin uzunligiga tomon suriladi. Hozirgi zamon spektral pirometrlar mikroprotsessorli bo‘lib, ularni xotirasiga qizdirilgan jismlarni temperaturalarini spektrlari yozib qo‘yilgan. Temperaturani o‘lchashda kuzatilayotgan obyektni nurlanish spektri xotiradagi spektrga solishtirilib, mos qiymat aniqlanadi.
Turli tarkibdagi obyektlar bir xil temperaturada qizdirilganda, turlicha nurlanish spektrini berganligi sababli, pirometrni qo‘llanishida maxsus to‘g‘irlovchi koeffitsient kiritiladi. Bu koeffitsientlar har bir pirometrni texnik hujjatlarida ko‘rsatiladi.
Nazorat savollari
1. Haroratni fizik asosi nimada?
2. Haroratni qanday qurilmalar asosida o‘lchaniladi?
3. Termo datchiklarni qanday turlari mavjud?
4. Elektr qarsilik haroratga qanday boglangan?
5. Qarshilikli termodatchiklar ikkilamchi qurilmalarga qanday ulanadi?
6. Termo juftlik sensorlarini ishlashi qanday fizik hodisaga asoslangan?
7. Pirometrlardan qanday hollarda foydalaniladi?
8. Pirometrlarni qanday turlari mavjud?
6.5. Bosim va so‘rilishni (разрежения) o‘lchash
Bosim P – bu sirtga perpendikulyar ta’sir ko‘rsatadigan F kuchning ushbu sirtning S maydoniga nisbati: P = F / S Bosimning SI birligi 1 Paskal (1 Pa = 1 N / 1m2). SI birliklari bilan bir qatorda tizimli bo‘lmagan birliklar ishlatiladi: texnik atmosfera: 1 at = 1 kgf / cm2 = 98066 Pa, simob millimetri: 1 mm Hg. = 133,3 Pa, suv ustuni millimetri: 1 mm suv ustuni = 9,8 Pa.
Texnologi jarayonlarni borishidagi bosim va bosim pasayishlarini manometr, vakuummetr va vacuum manometrlardan foydalanib o‘lchanadi. Ular o‘zlarini ishlash prinsiplariga qarab suyuqlikli, deformatsion, yuk-porshenli va elektrik bo‘lishi mumkin.
Manometr bu absolyut bosim (Pabs) bilan barometrik bosim (Pbar) o‘rtasidagi farq, ortiqcha bosim (Port) ni Pabs ≥ Pbar bo‘lgan holatni o‘lchaydigan qurilma.
Vakuummetr bu absolyut bosim (Pabs) bilan barometrik bosim (Rbar) o‘rtasidagi farq, ortiqcha bosim (Port) ni Pabs ≤ Pbar bo‘lgan holatni o‘lchaydigan qurilma.
Vakuummanometr esa ikkala holatda ham bosimni o‘lchashga mo‘ljallangan qurilmadir.
Bosim fizik kattalik bo‘lib, u bir jismni ikkinchi bir jism sirtini yuza birligiga ta’sir etuvchi kuchdir. Gaz va suyuqliklar ma’lum idishlarda tutib turilganligi va harakatda bo‘lganligi sababli idishning hamma qismiga teng ta’sir ko‘rsatadi. Bosim kattaligi gaz yoki suyuqlikni tashkil etuvchi zarralarni ichki energiyasini xarakterlaydi. Yuqorida ko‘rsatib o‘tilgandek, bosimni SI sistemasidagi o‘lchov birligi Paskal bo‘lib 1Pa = 1N/m2. Pa ga karrali bo‘lgan birliklar bilan bir qatorda kgs/sm2, kgs/m2 birliklar ham ishlatiladi [27].

Absolyut bosim deyilganda gaz yoki suyuqlikni to‘la bosim tushiniladi. Barometrik bosim esa bu atmosfera bosimidir. Suyuqlik va deformatsion bosim o‘lchash vositalari asosan texnik o‘lchash vositalari hisoblanib, ko‘p hollarda statik protsesslarni bosimini o‘lchashda foydalaniladi. Ulardan boshqa manometrlarni kalibrovkalashda namunaviy o‘lchov vositasi sifatida ham qo‘llaniladi. Yuk – porshenli bosim o‘lchash qurilmasi asosan namunaviy o‘lchash vositasi sifatida ishlatilishidan tashqari, bosimni etalloni sifatida ham qo‘llaniladi.
Suyuq manometrlar ishlaydigan suyuqlik bilan to‘ldirilgan (suv, simob, yog», spirt va boshqalar) aloqa qiluvchi idishlardir. Bosim farqi mavjud bo‘lganda trubkalardagi ishchi suyuqlik sathlari muvozanat o‘rnatilguncha harakatlanadi.
Past bosimlarni o‘lchash uchun U shaklidagi eng oddiy suyuq U-manometrlari (rasm 6.18, a) ishlatiladi. Naychaning bir uchiga bosim tushganda suyuqlik harakatlanadi. Bosim sathlar farqi bilan o‘lchanadi va millimetrda ifodalanadi. Agar kolba simob bilan to‘lgan bo‘lsa, bosim simob millimetrida ifodalanadi. Ushbu manometrdan foydalanishning qiyinligi shundaki, shkalaning nolidan boshlab har ikki yo‘nalishda ham o‘qish zarur.

6.18 – rasm. Suyuq manometrlar: a – U shaklida; b – chashkali
Ushbu kamchilik bir naychali stakan manometrlarida yo‘q (6.18-rasm, b). Chap bosish maydoni bir necha baravar kattaroq bo‘lgani uchun undagi suyuqlik sathining harakati bir xil miqdordagi marta kamroq va uni e’tiborsiz qoldirish mumkin.
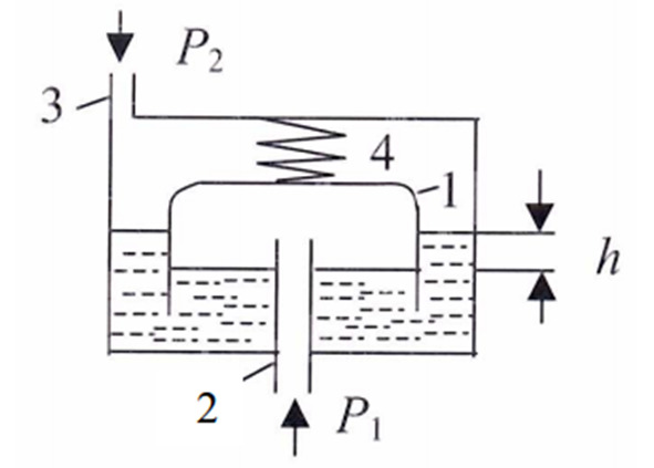
Tebranuvchi (kolokolniy) differensial bosim o‘lchagichining ishlash prinsipi rasm 6.19 da keltirilgan. Transformator moyiga qisman botirilgan yurgich 1 qurilmaning sezgir elementi hisoblanadi. Tebranuvchi ichiga naycha o‘rnatilgan 2, bu orqali bosim P1 ta’minlanadi. Bosim P2 Tebranuvchi ustidagi 3 naycha orqali beriladi. Tebranuvchi 4- prujina bilan mahkamlangan.
P1 – P2 bosim farqi ostida suyuqlik tebranuvchi ostidan chiqarib tashlanadi va u harakat qiladi. Tebranuvchining siljishi ba’zi bir siljish o‘zgartirgichlari tomonidan elektr signaliga aylanishi mumkin.

6.19 – rasm. Tebranuvchili difmanometr
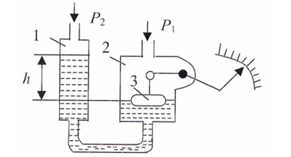
Suzuvchi (poplavokli) differensial bosim o‘lchagichi (6.20-rasm) ishlaydigan suyuqlik bilan to‘ldirilgan ikkita 1 va 2 aloqa trubkalaridan iborat. Keng idish yuzasida 3 suzuvchi (poplavokli) suzadi. P1 va P2 bosimlari trubkalarga beriladi, ularning farqini o‘lchash kerak. Suzuvchi idishdagi suyuqlik sathining o‘zgarishini nazorat qiladi 2. Suzuvchi harakati strelka yoki chizg‘ichga uzatiladi, shuningdek, masalan, differensial transformator sensori yordamida kuchlanishga aylanadi.

6.20 – rasm. Suzuvchi (poplavokli) diffmanometr sxemasi
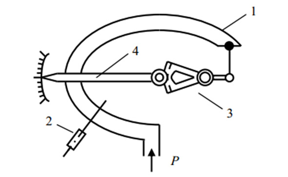
Prujinali manometrlarni ishlash prinsipi prujinani to‘la elastikligiga asoslangan. Bir o‘ramli prijinali manometrlar keng tarqalgan (6.21- rasm). Trubkali prujina to‘gri yoki oval shaklida bo‘lishi mumkin. Trubkani bir uchi payka qilingan va uzatish tizimi 3 orqali strelka 4 bilan bog‘langan. Bosim ortishi bilan prujina to‘g‘rilanishga harakat qiladi va strelkani suradi. Strelka shkalada bosimni ko‘rsatadi. Manometrni sezgirligini ortirish uchun ko‘p o‘ramli prujinalardan foydalaniladi.

6.21 – rasm. Trubka ko‘rinisidagi prujinali manometr
Silfonli bosim o‘lchagichning sezgir elementi silfon – elastik metalldan tayyorlangan gofrirovka qilingan ingichka devorli quti (6.22-rasm). Silfon 1 kameraga 2 joylashtiriladi, unga o‘lchangan bosim P yetkazib beriladi, bosim ta’sirida silfon pastki qismi harakat qiladi, harakat uzatish mexanizmi orqali qurilmaning ko‘rsatkichiga uzatiladi. 3- prujina ta’sirida bosimni bo‘shatgandan so‘ng, silfon asl holatiga qaytadi.

6.22 – rasm. Silifonli manometr
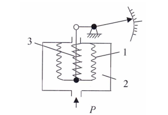
Diafragma bosim o‘lchagichlari po‘lat, rangli metallar va ularning qotishmalariga nisbatan neytral bo‘lgan quruq havo yoki gazlarning past bosimi va so‘rilishni (tyaganaporometr) o‘lchash uchun mo‘ljallangan. Diafragma bosim o‘lchagichida (6.23-rasm) ortiqcha bosim ta’sirida egilib, o‘lchov elementi sifatida qo‘llaniladi. Sezuvchi element sifatida gofrirovka qilingan elastik membranadan foydalaniladi.

6.23-rasm. Membranali manometr
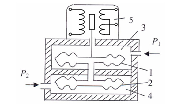
Diafragma differensial bosim ko‘rsatkichi DM (6.24-rasm) sezgir element sifatida ikkita membrana bo‘linmalarining 1 va 2 membrana blokiga ega. Bo‘linmalarning ichki bo‘shliqlari distirlangan suv bilan to‘ldirilgan va kanal orqali ulangan. Membrana qutilari alohida kameralarga joylashtirilgan P1 va P2 bosimlari bilan ta’minlangan 3 va 4, P1> P2…

6.24 – rasm. Membranali difmanometr
Bosim farqi ta’sirida membrana bo‘linmasidan 2 suv membrana bo‘linma 1 majburlanib, membrana qutisining yuqori devorining harakatlanishiga olib keladi. Shu bilan birga, unga ulangan differensial transformator sensori 5 ning yadrosi harakatga kelib, sensorning chiqish kuchlanishining kattaligi va fazasining o‘zgarishiga olib keladi.
Hozirgii zamon ishlab chiqarish korxonalarida texnologik jarayonlarni uzluksiz nazorat qilishda va texnologik jarayonlarni avtomatik boshqarish tizimlarida asosan elektron (elektrik) bosim datchiklaridan foydalaniladi. Ular quyidagilar:
– Pezoelektrik;
– Tenzorezistorli;
– Sig‘imli;
– Rezonansli;
– Induksion;
– ionizatsion.
Pezoelektrik bosim datchiklari. Kristallarni ma’lum tomoniga bosim berilganida qarama-qarshi tomonlarida zaryad to‘planish hodisasiga asoslangan.

6.25 – rasm. Pezoelektrik bosim datchigi sxemasi: 1- menbrana, 2- kvars, 3- metall qatlam
Rasm 6.25. da pezoelektrik bosim datchigi sxematik keltirilgan. R bosim 1 membrana orqali 3- kvarsga ta’sir etib, uni deformatsiyalaydi. Natijada pezoelektrik fizik hodisaga asosan. Z metall qatlamlarda turlicha ishorali zaryadlar hosil bo‘ladi.
Hosil bo‘layotgan zaryadni quyidagicha ifodalash mumkin;
Q = kF = kPS
bu yerda k – pezoelektrik doimiysi, P – ta’sir etuvchi bosim.
Datchik chiqishidagi kuchlanish
u = Q/C
ifodasi bilan aniqlanadi. Bu yerda C – o‘lchash zanjiridagi umumiy sig‘im.
Kvars boshqa pezo xususiyatlarga ega bo‘lgan segnetoelektriklar ichida mexanik jihatdan mustahkam va qattiqlikka ega bo‘lgani uchun membranani qattiq deformatsiyalanishiga yo‘l qo‘ymaydi. Bu esa pezoelektrik effektni uzatilishini kechiktirmaydi. Shuning uchun bunday pezoelektrik datchiklarni yuqori chastotali tebranishlarni aniqlashda ham ishlatish imkoniyatini beradi. Kvarsni pezoelektrik doiymisi 2 10—12 K/N bo‘lib temperaturaga kam bog‘liqligi yuqori temperaturali jarayonlarda bosim datchigi sifatida qo‘llanishiga olib keladi.
Tenzometrik bosim datchiklari ishlab chiqarishda qo‘llanilayotgan bosim datchiklari ichida asosiy o‘rinni egallamoqda. Ularni ishlash prinsipi turli formada tayyorlangan tenzorezistrli elastik membrana egilishi bilan elektr qarshiligini o‘zgarishiga asoslangan. Tenzoqarshiliklar plyonka yoki sim ko‘rinishida tayyorlanishi mumkin. Ularni asosiy xarakteristikasi elektr qarshiligini o‘zgarishini deformatsiya o‘zgarishiga nisbati bilan belgilanadi.

6.26 – rasm. Tenzoqarshilikli bosim o’lchash datchigini o’rnatilish sxemasi
Rossiyani asosiy bosim datchiklarini ishlab chiqaruvchi firmalarida tenzoqarshilik «sapfirga kremniy» strukturasi qo‘llanilmoqda. Bu strukturalar ko‘rinishida, avtomatlashtirish qurilmalarini ishlab chiqarishda dunyoda ikkinchi reytingda turuvchi Siemens firmasida ham ishlab chiqilmoqda.

6.27-rasm. Plenkali teziqarshilik
1-asos, 2-plenka.
Ko‘p adabiyotlarda tenzoqarshilikli bosim datchiklarini asosiy elenmentini tashqil etuvchi «tenzoqarshilik»ni «tenzoaylantiruvchi» deb ham atalmoqda.

6.28 – rasm. «Sapfir-22» markasidagi bosim datchigi sxematik tuzilishi. a) 1- tenzoqarshilik, 2- elektron blok. b) 1,2- menbrana, 3- kuchni uzatuvchi richag, 4- tenzoqarshilik, 5- elektron blok.
Tenzoqarshilikli bosim datchiklarida datchikga ta’sir etuvchi qismi ikki xil bo‘lishi mumkin. Bevosita bosim ta’sir etishi mumkin (6.28a-rasm) yoki natijaviy kuch richag orqali uzatilishi mumkin (6.28b-rasm). Bosim bevosita ta’sir etuvchi tenzoqarshilikli bosim datchiklarida o‘lchash intervali aniq belgilanadi. Bu oraliqni boshqa oraliqni o‘lchash uchun qayta sozlab bo‘lmaydi. Ikkinchi tur, ta’sir richag orqali kuch ta’sirida uzatiladigan tenzoqarshilikli bosim datchiklarida o‘lchash oraliqlarini ma’lum oraliqlarga qayta sozlash mumkin. Qayta sozlash datchikni elektron blokida joylashgan kalitlar orqali yoki agar tenzoqarshilikli bosim datchigi mikroprotsessorli bo‘lsa, maxsus programmator orqali amalga oshiriladi. Misol uchun «Sapfir-22M-DI» tenzoqarshilikli ortiqcha bosimni o‘lchash datchigini «2050» modelini quyidagi intervallardagi ortiqcha bosimni o‘lchashga sozlash mumkin:
0 dan 0,4 mPa.gacha;
0 dan 0,6 mPa.gacha;
0 dan 1,0 mPa.gacha;
0 dan 1,6 mPa.gacha;
0 dan 2,5 mPa.gacha.
O«lchash oraliqlarini tanlashda texnologik jarayondagi o‘lchanayotgan joydagi maksimal bosimga qaraladi. Agar maksimal bosim kichikroq bo‘lsada, tenzoqarshilikli bosim datchigini kattaroq oraliqqa sozlansa, o‘lchash aniqligi kamayadi. Chunki o‘lchashdagi birlik o‘lcham (sena deleniya) kattalashib ketadi. Shuning uchun tanlanayotgan tenzoqarshilikli bosim datchigini o‘lchash intervali texnologik jarayon bosimini o‘zgarish intervaliga mos bo‘lishi kerak.
Texnologik jarayonlarni avtomatik boshqarish tizimlarida keng qo‘llanilayotgan Rossiya kompaniyalarida ishlab chiqarilayotgan «Sapfir-22M» bosim o‘zgartirish datchigiga kengroq to‘xtalib o‘tamiz. Bu bosim datchigi normal va agressiv muhitlarni quyida keltirilgan bosim turlarini o‘lchab, masofaga keltirilgan elektr signali ko‘rinishida uzatuvchi qurilmadir:
«Sapfir-22M- DA» absolyut bosimni o‘lchash datchigi;
«Sapfir-22M- DI» ortiqcha bosimni o‘lchash datchigi;
«Sapfir-22M- DV» bosim kamayishi (разряжения) ni o‘lchash datchigi;
«Sapfir-22M- DIV» ortiqcha – kamaygan bosimni o‘lchash datchigi;
«Sapfir-22M- DD» bosim farqini o‘lchash datchigi.
«Sapfir-22M» bosim datchigi qo‘llanilayotgan o‘lchash tizimidagi ikklamchi o‘lchov vositasi keltirilgan elektr signallari 0 ÷ 5 mA, 4 ÷ 20 mA, 0 ÷ 20 mA, doimiy toklarni kiruvchi signal sifatida qabul qila olishi kerak. Bosim datchigi o‘zini markasiga qarab, 36 V yoki 24 V.li stabillashtirilgan doimiy tok manbai bilan birga ishlatiladi.
Tenzoqarshilikli bosimni o‘zgartiruvchi qurilmalarida asosiy qismlardan biri elektron blokidir. Uning vazifasi deformatsiya ostida sezuvchi elementni qarshiligini o‘zgarishini kalibrovkada keltirilgan bosimga mos chiqish elektr signalini tashkil etishdir.

6.29 – rasm. 4-simli ulanish sxemasi. I- bosim datchigi elektron bloki klemmnigi, II- tashqi klemmnik, III- kabel, IV- doimiy tok manbai., V- chiqish signali.

6.30- rasm. 2-simli ulanish sxemasi. I- bosim datchigi elektron bloki klemmnigi, II- tashqi klemmnik, III- kabel, IV- tok manbai va yuklama, chqish signali.
4-simli ulanishda bosim datchigiga tok manbai klemmnikni 1,2 nuqtalarga ulanib, chiqish signali klemmnikni 3,4 nuqtalardan tok kuchi ko‘rinishida olinadi. 2- simli ulanishda klemmnikni 3,4 chi nuqtalar o‘zaro tutashtirilib, tok manbai va yuklama, ya’ni ikkilamchi o‘lchash vositasi klemmnikni 1,2 nuqtalarga ulanadi. Bu turdagi bosim datchiklari o‘zlarini standart doimiy tok manbalari 22BP-36 bilan birga qo‘llaniladi. 22BP-36 doimiy tok manbai stabillashgan 36 V kuchlanishga ega bo‘lib, 1,2,4,6 kanalli bo‘ladi. 6- kanalli tok manbaiga bir vaqtni o‘zida 6 tagacha bosim datchigi ulanishi mumkin.
6.31 – rasmda II lar bosim datchiklari, Rn ikkilamchi o‘lchash vositalari.

6.31 – rasm. 6-kanalli tok manbaiga datchiklarni ulanish sxemasi I elektr tarmog‘i (220 V), II bosim datchiklari.
Dunyo bo‘yicha avtomatlashtirilgan tizimlarda qo‘llaniladigan qurilmalarni ishlab chiqaruvchi kompaniyalar juda ko‘p. Lekin ulardan Honuveyel, Simens, Advantech, va boshqa kompaniyalar qurilmalari o‘zlarini ishonchliligi, xatoligi kamligi, kalibrovkalash qulayligi va universalligi bilan ajralib turadi. Lekin ulardan tashqari Rossiya kompaniyalari ishlab chiqarayotgan tenzorezistorli bosim datchiklari Sapfir va Metran ham texnologik jarayonlarni nazorat qilishda keng qo‘llanilmoqda.
Metran bosim datchiklaridan hozirda ishlab chiqarilayotgani asosan mikroprotsessorli bo‘lib, o‘lchanayotgan bosim intervaliga programmator orqali programmalashtiriladi. Ba’zi Metran bosim datchiklarini chiqish signallari raqamli bo‘lib, bevosita kompyuterlarga vizualizatsiya va arxivlash uchun uzatilishi mumkin. Masalan quyidagi keltirilgan datchiklarni intellektual datchiklar deb atalib, programmalashtirilishiga qarab keltirilgan (unifitsirovanniy) yoki HART protokoli bo‘yicha raqamli elektr signali chiqaradi. O‘lchashdagi asosiy nisbiy xatolik 0,1% ni tashkil etadi.
– ortiqcha bosim o‘lchash datchigi – Metran-100-DI;
– absolyut bosim o‘lchash datchigi – Metran-100-DA;
– bosim pasayishi (разрежения) o‘lchash datchigi – Metran-100-DV;
– bosim – bosim pasayishi o‘lchash datchigi – Metran-100-DIV;
– bosim farqi (perepad) o‘lchash datchigi – Metran-100-DD;
– gidrostatik bosim o‘lchash datchigi – Metran-100-DG.

6.32 – rasm. Metran -100- DI ortiqcha bosim o‘lchash datchigi

6.33 – rasm. Metran -100- DD bosim farqini o‘lchash datchigi
Dunyoda keng tarqalgan bosim – pasaygan bosim va bosim farqi o‘lchash datchikalarini texnik kattaliklar va narxlarini quyidagi jadvallardan taqqoslash mumkin:



Texnologik jarayonlarni boshqarishni avtomatlashtirilgan tizimlarida foydalanishga qulay va arzon mikroprotsessorli tenzoqarshilikli kichik o‘lchamli bosimni o‘lchash datchiklari ham qo‘llanila boshlandi.

6.34 – rasm. Kichik o‘lchamli PD 100 ortiqcha bosim o‘lchash datchigi
Ularni asosiy qulayliklari quyidagilar:
– kichik o‘lchamli bo‘lganligi sababli o‘rnatishga ko‘p mehnat talab qilinmaydi;
– korpusini himoyalanishi IR65;
– programmalashtirish va kalibrovkalash shart emas;
– ulanish sxemasi sodda;
– talab qilingan tok manbai stabillashtirilmagan va 15 V – 36 V.gacha bo‘lishi mumkin;
– elektr energiyasini kam iste’mol qiladi;
– tashqi elektromagnit maydoniga turg‘un va chiqish signali stabillashtirilgan;
– aniqlilik klassi 0,5 yoki 1.
Kichik o‘lchamli bosim datchiklari ham ikki qisimdan iborat. 1-blok o‘lchash bloki 2- blok elektron blokidir.

6.35 – rasm. Kichik o‘lchamli bosim o‘lchami strukturasi. PZU —doimiy xotirlash qurilmasi, ASP – analog-raqamli aylantirish qurilmasi, ION- datchikni ta’minlovchi tok manbai, MP- mikroprotsessor, SAP – raqamli- analog aylantirish qurilmasi, Raqamli indikator, NART – ikkilik informatsiyali protokol
Datchik tokni ION tok manbaidan oladi (rasm 6.35). MP – mikroprotsessor ASP yordamida olingan qarshilik o‘zgarishini raqamli informatsiyaga aylantirib, PZU doimiy xotiraga yozib qo‘yilgan kattaliklar bo‘yicha real o‘lchov birligiga keltiradi. Bundan tashqari olingan natijani keltirilgan 4 ÷ 20 mA elektr signaliga yoki HART protokol yordamida informatsiyani ikkilamchi qurilmaga uzatishni tashkil etadi.

6.36 – rasm. Kichik o‘lchamli bosim o‘lchash datchiklarini ulanish sxemasi
1-bosim datchigi, 2-bosim datchigi ulanish kontaktlari, 3- doimiy tok manbai (12V÷36 V).
Kondensatorli datchik. Kondensator qatlamlari orasidagi masofani o‘zgarishi bilan elektrostatik sig‘imni o‘zgarishiga asoslangan. Ya’ni sig‘imni o‘zgarishi ta’sir etuvchi bosimni o‘zgarishini aks ettiradi. Qurilmadagi elektron blok bu o‘zgarishni elektir signaliga aylantiradi. Sig‘imli bosim datchiklar kremniyli yoki keramik bo‘lishi mumkin. Kondensator koplamlari orasiga odatda yog» yoki biror organik suyuqlik qo‘yiladi. Bu turdagi bosim o‘lchash datchiklar sezgir datchiklar hisoblanadi. Datchikni asosiy kamchiligi chiqish signalini chiziqli emasligidir.

6.37 – rasm. Sig’imli bosim o‘lchash datchigi o‘rnatilish sxemasi.
Sig‘imli bosim farqini o‘lchash datchiklari o‘lchash datchigi texnologik jarayonlarni boshqarish tizimlarida aniqligi yuqori bo‘lganligi sababli suyuqlik va gazlarning sarfini uzuluksiz o‘lchashda keng qo‘llanilmoqda.

6.38 – rasm. Sig‘imli bosim farqini o‘lchash datchigi. 1- kameralar membranalari, 2- sezuvchi element, 3,4- kondensatorni qo‘zg‘almas qoplamlari.

