
Каталитический риформинг бензинов. Теория и практика

Валерий Крылов
Каталитический риформинг бензинов. Теория и практика
Предисловие
В отечественной литературе есть несколько основных книг по каталитическому риформингу.
Среди них «Каталитический риформинг бензинов» Маслянского и Шапиро, две книги Сулимова с аналогичным названием, «Промышленные установки каталитического риформинга» под редакцией Ластовкина.
К сожалению, эти книги опубликованы практически 35 лет тому назад.
Классические книги по риформингу, изданные Marcel Dekker в 1995 и 2004 годах под названием Catalytic naphtha reforming. Science and technology, на русский язык не переводились и практически остаются недоступными для российских специалистов. То же касается огромного массива текущей информации по каталитическому риформингу, публикуемому в научных и технических журналах Applied Catalysis, Journal of Catalysis, Catalysis Today, Fuel, Hydrocarbon Engineering, Chemical Engineering, Petroleum Technology Quarterly, Oil & Gas и других зарубежных изданиях.
Особую ценность для практических работников представляют материалы ежегодных сессий «Вопросы и ответы», проводимых Национальной ассоциацией нефтепереработчиков США NPRA, ныне AFPM (American Fuel & Petrochemical Manufacturers). К сожалению, сегодня эти материалы также недоступны для большинства специалистов российской нефтепереработки.
В силу своей особой вовлеченности в предмет автор имел возможность доступа к указанным выше источникам и мог использовать их при подготовке рукописи предлагаемой книги.
Публикация этой книги является попыткой восполнить на современном уровне существующий пробел в отечественной литературе по каталитическому риформингу.
Автор не придерживался привычной подачи материала как констатации тех или иных фактов и сведений, предпочитая сопровождать их объяснением на основе так называемых первых принципов, то есть законов физики, химии, химической кинетики и термодинамики.
Примером такого подхода для автора стал в свое время замечательный учебник органической химии Дж. Робертса, опубликованный много лет назад издательством «Мир».
Использование первых принципов, по убеждению автора, обеспечивает более глубокое понимание предмета и дает возможность принятия правильных решений в нестандартных ситуациях, не укладывающихся в рамки существующего опыта. Такие ситуации нередко возникают при эксплуатации промышленных установок.
Большое внимание в книге уделено рассмотрению термодинамики и кинетики реакций риформинга, проанализированы механизмы реакций, режимы их протекания, роль поровой структуры катализатора, причины дезактивации, современные процедуры регенерации и реактивации катализаторов и др.
Особое внимание уделено природе каталитического действия платины, промотирующего эффекта рения и других элементов, используемых в катализаторах риформинга. Это сделано на основе современных представлений о ключевой роли хемосорбции в активировании молекул на поверхности катализатора. С этой целью подробно рассмотрен механизм образования донорно-акцепторной связи между d-зоной переходных металлов и молекулярными орбиталями адсорбата. Возможно, это наиболее трудная часть книги, которая тем не менее необходима для понимания основных закономерностей гетерогенного катализа.
Во всех случаях при изложении практических вопросов риформинга использовались лучшие практики, известные автору из открытых источников и собственного опыта эксплуатации установок каталитического риформинга.
С целью более глубокого усвоения материала, изложенного в основном тексте, в книгу вошел раздел вопросов и ответов. Читатель найдет в этом разделе ответы на различные вопросы, в том числе:
– почему платина остается до сих пор базовым элементом катализаторов риформинга;
– почему монооксид углерода и сероводород являются сильными ядами для катализаторов риформинга, а диоксид углерода и вода таковыми не являются;
– почему хлор является более сильным окислителем, чем кислород, и без него невозможно проведение редиспергирования платины;
– почему реакции крекинга являются медленными реакциями, а реакции дегидрирования, наоборот, быстрыми реакциями платформинга, несмотря на то что энергия связи С–Н выше энергии связи С–С;
– почему невозможно провести процесс риформинга при комнатной температуре;
– почему циклопентан и его гомологи являются сильными коксогенами в условиях риформинга, а циклогексан и его производные таковыми не являются;
– почему нельзя использовать оксид цинка (ZnO) для сероочистки циркуляционного газа риформинга, несмотря на его успешное применение в процессах производства водорода и синтез-газа;
– почему нельзя использовать микросферический катализатор в процессе платформинга, хотя такой катализатор использовался ранее в процессе гидроформинга в кипящем слое;
– почему не удалось осуществить процесс риформинга на иридиевом катализаторе, хотя сегодня иридий входит в состав некоторых полиметаллических катализаторов платформинга и т.д.
Выбор вопросов, включенных в раздел, продиктован желанием автора продемонстрировать еще раз роль и значение так называемых первых принципов.
В этом плане многие вопросы и разделы основного текста представляют интерес и для более широкого круга читателей, например, студентов и преподавателей учебных заведений, которые могут использовать их в курсах химии, гетерогенного катализа, химической термодинамики и кинетики.
Введение
Роль и значение каталитического риформинга. Основные этапы и достижения. Тренды дальнейшего совершенствования процесса
Каталитический риформинг бензинов занимает одно из ключевых мест в технологической структуре современных нефтеперерабатывающих заводов топливного профиля. Мощности процесса составляют более 13 % от мирового объема первичной переработки нефти.
Несмотря на введение ограничений на содержание ароматических углеводородов в автомобильных бензинах, катализаты риформинга остаются базовым их компонентом, и доля катализатов в бензиновых пулах в Европе и Азии достигает 50 %.
Каталитический риформинг сохраняет свое значение и как основной процесс для получения бензола, толуола и параксилола – исходного сырья для производства пластмасс и синтетических волокон.
Наличие ресурсов доступного водорода, вырабатываемого на установках риформинга, обеспечило в свое время широкое внедрение различных гидрогенизационных процессов для производства топлив, масел и других продуктов переработки нефти.
Сегодня риформинг продолжает играть важную роль в формировании водородного баланса на современных нефтеперерабатывающих заводах (НПЗ).
Рост потребления водорода, обусловленный увеличением добычи тяжелых нефтей, углублением переработки нефти и ужесточением экологических стандартов, повышает роль риформинга как поставщика самого дешевого водорода на НПЗ.
Основные изменения в технологии каталитического риформинга, прошедшие с момента внедрения гидроформинга, включают переход на платиновые бифункциональные катализаторы, применение гидроочистки сырья, позволившие перейти к хлорированным катализаторам и оптимизировать баланс металлической
и кислотной функций, повышение термической стабильности
и улучшение поровой структуры носителя, оптимизацию процедур регенерации катализатора, улучшение дизайна реакторов и т.д.
В числе главных достижений, связанных с развитием процесса каталитического риформинга, необходимо отметить переход к биметаллическим платинорениевым катализаторам и внедрение систем риформинга с непрерывной регенерацией, использующих платинооловянные катализаторы. Применение этих решений позволило практически в два раза уменьшить содержание платины в катализаторах риформинга и, что более важно, снизить рабочее давление процесса.
Сегодня установки риформинга полурегенеративного типа работают при давлении 1,2–1,5 МПа против 3,5–4,0 МПа ранее, а установки с непрерывной регенерацией катализатора могут работать при очень низком давлении, вплоть до 0,35 МПа. Снижение давления обеспечило значительное увеличение октановых чисел катализатов риформинга с 80 до 100 пунктов и более по исследовательскому методу при сохранении и даже увеличении выходов целевых продуктов и продолжительности реакционного цикла процесса.
Актуальными задачами дальнейшего развития процесса являются повышение селективности и стабильности катализаторов риформинга, адаптация процесса к изменению сырьевого пула, связанного с увеличением доли бензиновых фракций вторичного происхождения, отличающихся более высокой коксогенностью и трудностью риформирования по сравнению с прямогонным сырьем.
Для решения этих задач предусматривается проведение работ в области оптимизации кислотной функции, активности в реакции гидрогенолиза, поровой структуры носителя, гомогенизации металлической фазы и др.
Глава 1. ТЕРМИЧЕСКИЙ РИФОРМИНГ БЕНЗИНОВ
Великая депрессия в США открывает дорогу новому процессу переработки нефти.
Химизм и технология термического риформинга.
Генетическая связь процессов термического риформинга и термического крекинга. Непредельный характер бензинов термического риформинга.
Формирование разрыва между возможностями процесса и потребностями рынка в высокооктановых бензинах
Термический риформинг явился первым процессом для облагораживания низкооктановых бензиновых фракций прямой перегонки нефти.
До этого момента производство товарных автомобильных бензинов осуществлялось смешением бензинов прямой перегонки нефти с бензинами термического крекинга нефтяных остатков. На долю последних приходилось 43,9 % бензинов, произведенных в США в 1929 году [21].
Примечательно, что рождение нового процесса было обязано Великой депрессии, охватившей экономику США в начале XX века, что привело к снижению объемов переработки нефти из-за значительного падения промышленного производства.
Попытки рационального использования мощностей установок термического крекинга за счет переработки на них прямогонных бензинов привели к появлению в 1931 году нового процесса получения высокооктановых бензинов.
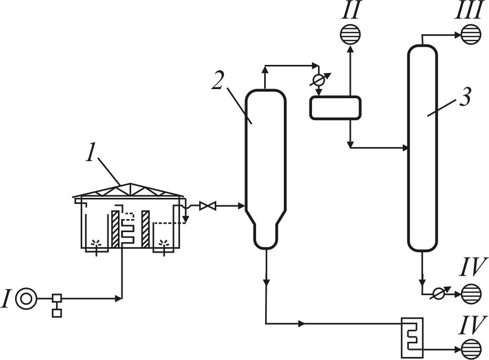
Технологическая схема термического риформинга представлена на рис. 1.
Процесс термического риформинга фактически являлся термическим крекингом и проводился в нагревательной печи по упрощенной схеме без рециркуляции продуктов и дополнительной реакционной камеры, используемых при переработке тяжелого сырья.

Рис. 1. Технологическая схема термического риформинга:
I – сырье – прямогонная лигроиновая фракция;
II – газ; III – бензин; IV – продукты уплотнения.
Внимание: здесь II и III – это потоки в верхней части рисунка,
IV – внизу. 1 – печь риформинга; 2 – реакционная камера;
3 – ректификационная колонна
Ниже представлены типичные условия проведения промышленного процесса и его результаты [5]:
– температура – 563 С;
– давление – 70 атм;
– время контакта – 20–40 секунд в зависимости от температуры процесса.
Применение повышенной температуры и отсутствие катализаторов обусловливало протекание процесса термического риформинга по свободнорадикальному механизму.
Основные стадии свободнорадикального механизма крекинга алканов в соответствии со схемой, предложенной Райсом – Косяковым, включают:
– зарождение цепи через гомолитический разрыв наиболее слабой связи в углеводородной молекуле; для алканов такой связью является углерод-углеродная связь, имеющая энергию диссоциации 310 кДж/моль (для н-октана), что на 84 кДж/моль меньше соответствующей энергии С–Н-связи при вторичном атоме углерода [3]: М = 2R*;
– продолжение (развитие) цепи:
R* = R*. + olefin,
R* + M = RH + M*;
– обрыв цепи:
R* + R* = RR,
R* + M* = RM,
M* + M* = MM.
Образующийся свободный радикал R* подвергается расщеплению с разрывом углерод-углеродной связи, находящейся в β-положении к радикальному центру, в результате чего образуется новый радикал с меньшей молекулярной массой и молекула олефина.
Обе реакции протекают с поглощением тепла и определяют высокую эндотермичность процесса.
Последовательное уменьшение молекулярной массы свободных радикалов в ходе протекания реакции расщепления приводит, в конечном счете, к глубокому крекингу с образованием низкомолекулярных олефинов.
Конкурентной данному превращению является реакция радикала с исходной молекулой, приводящая к насыщению свободного радикала, что блокирует и ограничивает уменьшение молекулярной массы продуктов крекинга. Данная реакция является бимолекулярной, поэтому изменение давления оказывает на нее более сильное влияние, чем на мономолекулярную реакцию расщепления радикала.
Изменение давления является инструментом, позволяющим регулировать отношение скоростей мономолекулярной и бимолекулярной реакций и контролировать показатели термического риформинга.
Высокое давление процесса ограничивает глубину превращения сырья, увеличивает выход жидких продуктов крекинга, но снижает октановое число из-за уменьшения содержания олефинов в продукте крекинга.
Снижение давления приводит к противоположным результатам.
Радикал-радикальные реакции обрыва цепи имеют нулевые или очень небольшие энергии активации (Еа), определяемые диффузией, и поэтому практически не зависят от изменения температуры.
В отличие от них, реакции зарождения цепи и реакции расщепления радикалов, связанные с разрывом углерод-углеродных связей, характеризуются более высокими Еа, и изменение температуры позволяет регулировать скорость этих реакций, контролируя глубину крекинга.
Легкость термического крекинга уменьшается в ряду:
алканы > олефины > нафтены > циклоолефины >
ароматические углеводороды.
Крекинг нафтенов проходит аналогично реакциям алканов с разрывом углерод-углеродной связи и раскрытием кольца с тем отличием, что продукт разрыва является бирадикалом.
При наличии боковой алифатической цепи в молекуле нафтена она также подвергается крекингу, в результате образуется нафтен с меньшей молекулярной массой и более высоким октановым числом.
Дегидрирование нафтенов с образованием ароматических углеводородов ограничено в связи с необходимостью разрыва более прочной С–Н-связи.
Наиболее устойчивыми в условиях термического крекинга являются ароматические углеводороды, делокализованная π-система которых обусловливает существование значительного энергетического барьера для разрыва С–С-связи.
Ароматические углеводороды с боковыми алифатическими радикалами подвергаются деалкилированию и крекингу в боковой цепи.
Что касается бензола, то в условиях термического крекинга происходит его конденсация с образованием бифенила [7].
Изменение углеводородного состава бензина термического риформинга в зависимости от глубины крекинга представлено на рис. 2 [5].

Рис. 2. Выход дебутанизированного
продукта риформинга
Повышение октанового числа бензина достигается за счет образования олефинов и циклоолефинов, а также удаления из бензина длинноцепочечных парафиновых и нафтеновых углеводородов.
Побочными продуктами термического риформинга являются газ и продукты уплотнения, образующиеся в результате реакций термической полимеризации, % масс.
– газ – 21,6;
в том числе
– Н2 + СН4 – 5,5;
– С2Н6 – 5,6;
– С2Н4 – 0,6;
– С3Н6 – 3,2;
– С3Н8 – 6,7;
– бензин (конец кипения 205 С) – 70,6;
– смолы – 7,8;
– октановое число бензина по моторному методу – 80,1.
Простота технологической схемы обеспечила широкое внедрение термического риформинга, однако процесс имел серьезные недостатки.
Возможности увеличения октанового числа бензина были ограничены значительным снижением выхода, сера в продукте снижала приемистость к тетраэтилсвинцу, а присутствие диенов снижало стабильность товарных автомобильных бензинов в процессе хранения.
Определенное улучшение выходов и октановых характеристик бензина было достигнуто за счет комбинирования термического риформинга с процессом каталитической полимеризации пропилена и бутиленов на фосфорной кислоте Catpoly, разработанного в американской компании UOP группой В.Н. Ипатьева и используемого в промышленности с 1935 года [5].
Материальный баланс и качество бензина комбинированного процесса в сравнении с термическим риформингом представлены ниже [5]:
– выход бензина, % объемн. – 74,1/85,2;
– октановое число по моторному методу – 80,3/81,3.
Однако очень скоро ограниченные возможности термического риформинга для повышения октановых характеристик бензинов становятся препятствием для массового внедрения более экономичных и мощных двигателей с повышенной степенью сжатия.
Новые потребности рынка стимулировали разработку и внедрение каталитического процесса риформинга.
Глава 2. ГИДРОФОРМИНГ
Каталитический процесс риформинга как ответ на новые потребности рынка.
Немецкие патенты облагораживания бензинов жидкофазной гидрогенизацией угля.
Схема и технология гидроформинга. Химические реакции гидроформинга.
Кардинальные отличия от термического процесса.
Формирование очередного разрыва между предложением и спросом
Гидроформинг явился первым процессом риформинга бензинов с использованием катализаторов.
Процесс был разработан в короткие сроки совместно Standard Oil of New Jersey, Standard Oil of Indiana и M.W. Kellogg на базе адаптации немецких патентов, успешно использованных ранее в Германии для облагораживания бензина, производимого в процессе жидкофазной гидрогенизации угля Бергиуса – Пира, и являлся аналогом процесса DHD (Druck-H2-Dehydrierung).
Первая промышленная установка гидроформинга на неподвижном слое алюмомолибденового катализатора введена в эксплуатацию на НПЗ Standard Oil of Indiana в 1940 году [5]. Гидроформинг стал основным источником толуола для производства взрывчатых веществ в годы Второй мировой войны. В качестве сырья использовались узкие фракции с высоким содержанием нафтеновых углеводородов
Условия проведения процесса гидроформинга:
– температура – 490–520 С, давление – 10–15 атм, рециркуляция Н2-содержащего газа – 500–750 м3/м3 сырья, объемная скорость подачи сырья – 0,4–0,6 ч–1, содержание Н2 в циркуляционном газе – 45–70 % объемн.;
– катализатор – 9 %МоО3/Al2O3;
– размер гранул 4,7–9,5 мм.
Материальный баланс представлен в табл. 1.
Таблица 1
Каталитический риформинг на алюмомолибденовом катализаторе при получении толуола
(процесс гидроформинга) [1; 26]
Сырье и продукты реакции
Пределы кипения
исходного сырья, °С
82–110
93–110
Углеводородный состав исходного сырья, % объемн.:
ароматические углеводороды
7
11
нафтеновые углеводороды
53
53
парафиновые углеводороды
40
36
Выход продуктов, % объемн. на сырье:
ароматические углеводороды
37,4
44,9
толуол
28,2
32,6
Количество ароматических углеводородов, образовавшихся из нафтеновых, % объемн.
57
64
Быстрая дезактивация катализатора, связанная с отложением кокса, ограничивала продолжительность реакционного цикла 20 часами, поэтому катализатор подвергался периодической регенерации, которая состояла в выжиге кокса, проводимом в среде инертного газа и воздуха.
Для снижения скорости термической дезактивации катализатора, связанной со спеканием носителя, содержание кислорода ограничивалось на уровне 2–3 %.
Срок жизни катализатора был достаточно коротким и составлял 9–12 месяцев.
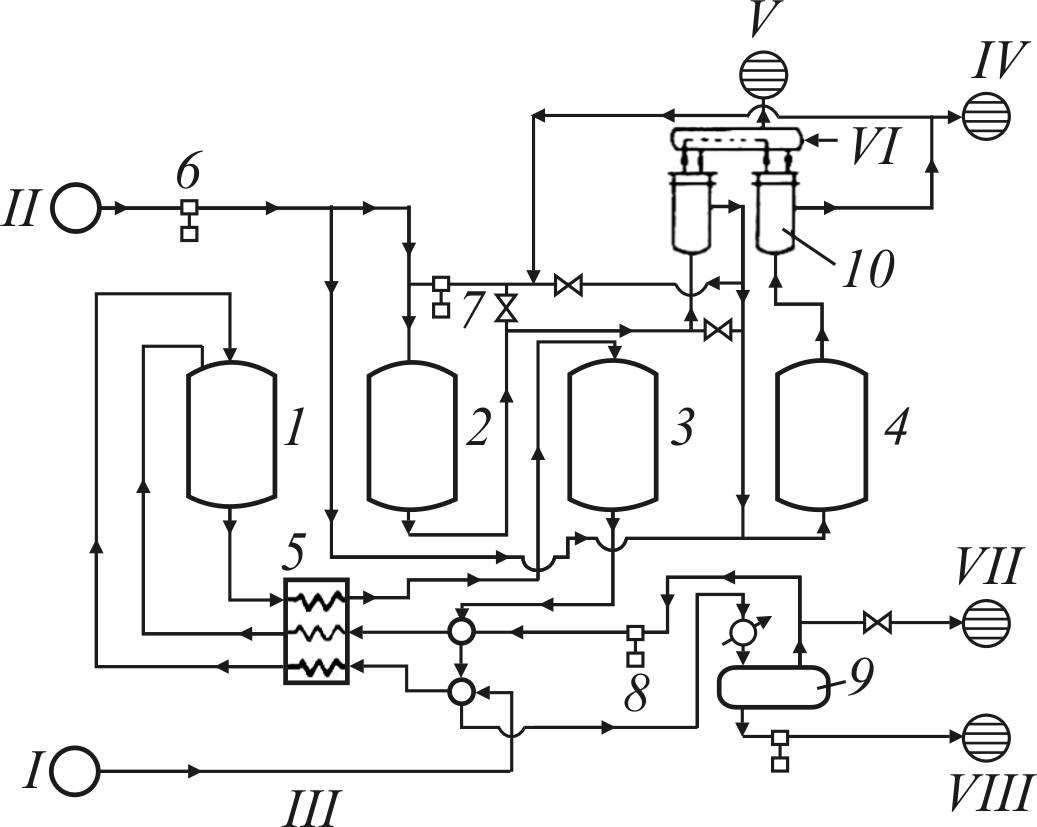
Технологическая схема процесса представлена на рис. 3.
Непрерывность процесса обеспечивалась при помощи нескольких реакторов, находящихся попеременно в цикле реакции и на регенерации.

Рис. 3. Схема гидроформинга с неподвижным слоем катализатора:
1 – 1-й реактор; 2 – регенератор с нисходящим перемещением зоны горения; 3 – 2-й реактор; 4 – регенератор с восходящим перемещением поверхности зоны горения; 5 – комбинированная печь; 6 – компрессор; 7 – насос рециркуляции продуктов сгорания; 8 – компрессор рециркулирующего газа; 9 – газосепаратор; 10 – котел-утилизатор. Линии: I – сырье – лигроин; II – воздух; III – теплообменник с системой ректификации; IV – продукты сгорания; V – водяной пар;
VI – питательная вода; VII – избыточный газ (к абсорберу);
VIII – продукты гидроформинга (в систему фракционирования)
Как правило, использовалось четыре реактора, работавших по схеме 2 + 2 (два в работе, два на регенерации).
Нагрев сырья и циркулирующего водородсодержащего газа (ВСГ) производился в комбинированной печи, причем сырье нагревалось отдельно от ВСГ.
В процессе каталитического риформинга DHD [24] использовался аналогичный алюмомолибденовый катализатор, однако процесс имел более длительные рабочие циклы (120–360 часов), обеспечиваемые за счет применения более высокого рабочего давления и повышенной кратности циркуляции водородсодержащего газа.
Увеличению продолжительности реакционного цикла способствовало также повышенное содержание 6-членных нафтенов в бензинах, получаемых при гидрировании угля и смол.
Особенностью схемы являлось применение до пяти реакторов в серии для каталитического риформинга и дополнительного реактора для гидрирования непредельных углеводородов при производстве толуола.
При близких объемных скоростях применение большего количества реакторов в процессе DHD снижало эффект квенчирования реакций ароматизации сырья, обеспечивая более эффективное использование катализатора. Сравнительно длительные рабочие циклы позволили отказаться от регенерации катализатора на режиме и проводить ее во время остановки установки.
Схемы установок DHD в целом были более прогрессивными по сравнению с гидроформингом и явились прототипом современных установок каталитического риформинга полурегенеративного типа.
Альтернативные варианты технологического оформления, обеспечивающие непрерывность процесса (схемы с использованием кипящего слоя катализатора и движущего слоя гранулированного катализатора), заимствованные из технологии каталитического крекинга, не нашли широкого применения в технологии гидроформинга.
Идея непрерывной регенерации с использованием движущегося слоя катализатора позднее была реанимирована и использована в значительно измененном виде в схемах платформинга CCR (continuos catalyst regeneration), разработанных компаниями UOP и IFP.
В отличие от термического риформинга, основными реакциями гидроформинга являются каталитические реакции дегидрирования 6-членных нафтенов с образованием ароматических углеводородов.
Для ароматизации 5-членных нафтенов требуется предварительное расширение кольца, которое было ограничено из-за недостаточной кислотности алюмомолибденового катализатора.
Основным маршрутом для превращения 5-членных нафтенов является крекинг и дегидрирование.
Последнее приводит к образованию циклопентадиеновых структур, являющихся предшественниками кокса.
Парафиновые углеводороды ароматизируются по схеме, представленной на рис. 4 на примере н-гексана и включающей следующие стадии:
– последовательное дегидрирование до гексатриена;
– термическую циклизацию триена с образованием циклогексадиена;
– каталитическое дегидрирование циклогексадиена до бензола.

Рис. 4. Схема ароматизации н-гексана [1]
Побочной реакцией является полимеризация триенов с образованием кокса.
Жесткие условия осуществления процесса, необходимые для глубокой ароматизации сырья, приводили к быстрому накоплению кокса и дезактивации катализатора.
Крекинг парафиновых углеводородов играл менее важную роль по сравнению с процессом термического риформинга, его вклад ограничен более низкими температурами процесса, что определяло больший выход бензина и меньшее газообразование.
Увеличение октанового числа бензина в процессе гидроформинга достигалось принципиально другим способом за счет ароматизации сырья.
Практическое отсутствие в продукте гидроформинга олефинов и диенов обеспечивало высокую стабильность при хранении, а обессеривание, проходившее на катализаторе в среде водорода, давало значительное увеличение приемистости к тетраэтилсвинцу (ТЭС), что оказалось существенным преимуществом нового процесса в эпоху широкого применения свинцовых антидетонаторов, начавшуюся с открытия в 1921 году в лаборатории General Motors эффекта ТЭС.

