
Частотный синтез на основе ФАПЧ. Обзор методов синтеза

Частотный синтез на основе ФАПЧ
Обзор методов синтеза
Виталий Иванович Козлов
© Виталий Иванович Козлов, 2022
ISBN 978-5-0056-2904-3
Создано в интеллектуальной издательской системе Ridero
Предисловие
Синтезатор частоты является необходимым блоком современных телекоммуникационных и измерительных систем и в значительной мере определяет их основные характеристики. Чтобы обеспечить высокое качество связи и измерений, сам синтезатор должен удовлетворять высоким требованиям, наиболее важными из которых являются спектральная чистота генерируемого сигнала, скорость переключения частоты и частотное разрешение (шаг сетки частот). Также важны, особенно для мобильных систем, малое потребление электроэнергии, малые размеры и вес, низкая стоимость. Поэтому главной задачей для разработчиков таких систем является поиск путей для максимально возможного выполнения этих требований.
Существует множество фундаментальных публикаций, например [1÷17], в которых рассматриваются как теоретические основы частотного синтеза, так и вопросы практического построения таких систем. Не умаляя заслуг авторов этих работ и не подвергая сомнению важность изложенного ими материала, его несомненную полезность для разработчиков аппаратуры данного класса, следует, тем не менее, признать, что в этих работах отсутствует систематизированный анализ совершенствования систем частотного синтеза с течением времени. Это путь от простейшей структуры однопетлевого синтезатора с делителем частоты с целочисленным переменным коэффициентом деления (ДПКД), через трансформацию последнего в делитель частоты с переменным дробным коэффициентом деления (ДДПКД) и с компенсацией помех дробности, через усложнённые многопетлевые схемы и – снова к однопетлевым схемам, но уже на более высоком уровне: с расщеплением фаз и с использованием дельта-сигма модуляции. В данной монографии предпринята попытка восполнить этот пробел, причём основное внимание обращено к системам синтеза на основе фазовой автоподстройки частоты (ФАПЧ) как наиболее перспективному направлению, получившему самое широкое применение в синтезаторах телекоммуникационной и измерительной аппаратуры.
Данный материал может оказаться интересным и полезным как для разработчиков радиоаппаратуры, так и для студентов соответствующих специальностей.
Введение
Одной из наиболее важных задач при построении синтезатора частоты является одновременное обеспечение достаточно высоких характеристик как спектральной чистоты сигнала, так и его быстродействия. Для этого прибегают к сложным структурам, дорогим и со значительным потреблением электроэнергии. Но всегда существовало стремление сделать это как можно проще, например, в однопетлевой системе ФАПЧ или в прямом цифровом синтезаторе (DDS).
В данной работе рассмотрены как ранние, не очень удачные попытки в этом направлении, так и более поздние и более успешные технические решения. Рассмотрение начинается с простейшей, однопетлевой структуры с делителем частоты с целочисленным переменным коэффициентом деления [18, 19], обладающей существенными недостатками, из-за чего область её возможного применения как самостоятельного устройства весьма ограничена. Тем не менее, есть интересные идеи, как получить сравнительно неплохие результаты при использовании нескольких несложных петель ФАПЧ на основе ДПКД.
Мощный стимул к улучшению характеристик однопетлевых синтезаторов частоты был сделан Лопозером, предложившим использовать в петле ФАПЧ делитель частоты с дробным переменным коэффициентом деления [20], после чего последовал ряд работ с анализом возможностей такой структуры, например [21; 22]. Это позволило значительно поднять частоту сравнения в синтезаторе, сохраняя высокую разрешающую способность по частоте, расширить полосу пропускания петли, то есть повысить скорость переключения частоты. Но при этом потребовались технические решения по компенсации помех дробности, создаваемых ДДПКД. Примеры таких решений будут приведены ниже в соответствующих разделах.
Суть компенсации заключается в формировании корректирующего сигнала такой же формы и величины, как и помеха дробности в цепи управления генератора, управляемого напряжением (ГУН), но противоположной фазы. В сумме с помехой этот корректирующий сигнал дает лишь постоянную составляющую, и таким образом помеха дробности исключается, то есть компенсируется введенным сигналом. Однако порою трудно и часто просто невозможно поддерживать амплитуду и форму компенсирующего сигнала с требуемой точностью в широком диапазоне частот синтезатора, а также получить достаточно точное его аналоговое суммирование с помехой, чтобы обеспечить необходимую спектральную чистоту синтезируемого сигнала. Поэтому, чтобы достичь приемлемого малого остаточного уровня помех дробности, приходится опять-таки строить многопетлевые системы.
Другой метод компенсации помех дробности заключается в использовании дельта-сигма модуляции, и об этом будет позже, в разделе 5.
Здесь важно отметить, что упомянутые основные характеристики однопетлевого синтезатора зависят от способа фазового сравнения опорного и подстраиваемого сигналов. Требуется ли при этом приводить их частоты к равенству и если так, то каким образом это достигается, или же имеются иные способы фазового детектирования непосредственно на неравных частотах. Поэтому при рассмотрении синтезаторов на базе ФАПЧ особое внимание будет уделено именно возможным вариантам построения фазовых детекторов (ФД).
Приведенный ниже анализ различных новшеств в области частотного синтеза завершается рассмотрением новой структуры однопетлевого синтезатора, воплощение которой в интегральной микросхеме позволит достичь исключительно высоких характеристик спектральной чистоты и быстродействия.
Материал излагается в максимально доступной форме, без излишней математизации, наглядно иллюстрирован рисунками схем и диаграммами для пояснения их работы, что может способствовать улучшению его восприятия широким кругом читателей.
1. Схемы с целочисленным переменным коэффициентом деления
1.1. Простейшая однопетлевая структура
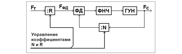
Впервые однопетлевой синтезатор частоты с ДПКД был запатентован, практически одновременно, американцами Юнгом и Вудвардом [18; 19]. Правда, схемы, приведенные в описаниях изобретений, довольно своеобразны, они изображены на элементах тогдашнего технологического уровня, не используемых теперь, но, тем не менее, идея такого технического решения вполне понятна и может быть иллюстрирована упрощённой схемой, представленной на рисунке 1. По принятой впоследствии терминологии, такая структура называется теперь как Integer-N PLL синтезатор.

Рис.1. Integer-N PLL синтезатор
Синтезатор содержит генератор, управляемый напряжением (ГУН), работающий в требуемом диапазоне частот сигнала. Он охвачен отрицательной обратной связью через ДПКД с управляемым коэффициентом деления N, содержит также фазовый детектор (ФД) и фильтр нижних частот (ФНЧ). После ФНЧ может быть установлен также усилитель постоянного тока для получения необходимого размаха управляющего напряжения. На другой вход фазового детектора подаётся опорный сигнал, частота FФД которого равна требуемому шагу сетки частот. В фазовом детекторе формируется сигнал ошибки, который через фильтр нижних частот поступает в цепь управления ГУН, приводя его частоту Fc к равенству
FC=NFФД
Частота FФД, используемая для сравнения в фазовом детекторе, может быть получена путём деления в R раз частоты Fr опорного источника. Тогда выражение для частоты Fc на выходе синтезатора может быть записано в виде
FC=NFr/R.
В качестве примера положим, что требуется получить сетку частот с шагом 10 кГц в диапазоне частот Fc=700÷800 МГц при использовании опорной частоты Fr, равной Fr=10 МГц. Тогда следует выбрать коэффициент деления R, равным R=1000, чтобы частота сравнения FФД оказалась равной FФД=10 кГц. Понятно, что поставленная задача будет решена при выборе коэффициента N в диапазоне значений от 70000 до 80000.
Очевидным достоинством рассмотренной схемы является её исключительная простота. Однако имеются и весьма существенные недостатки. Помехи с выхода ФД модулируют ГУН, создавая боковые полосы дискретных помех в спектре сигнала. Для их подавления полоса пропускания ФНЧ должна быть по крайней мере на порядок меньше частоты сравнения FФД. Это существенно ограничивает быстродействие синтезатора.
Кроме того, есть и другая проблема со спектральной чистотой сигнала. Выражение для фазового шума на выходе синтезатора в пределах полосы пропускания ФАПЧ можно записать как
G=GФД+20lgN
где GФД составляет сумму шумов собственно фазового детектора и шумов опорного источника и делителей частоты на N и R, пересчитанные ко входу ФД. Соответственно шумовой спектр сигнала существенно ухудшается при желании получить мелкую сетку, увеличивая коэффициент N. Также при этом, из-за соответствующего сужения полосы пропускания ФАПЧ, слабо подавляются шумы ГУН, что даёт дополнительный вклад в деградацию спектра сигнала.
Названную проблему можно несколько смягчить, сделав коэффициент деления R так же, как и N, управляемым. Это позволяет получать сетку частот с более мелким шагом dF при частоте сравнения такого же порядка, как и в случае постоянства этих коэффициентов. Это можно показать с помощью Табл.1, в которую сведены значения R, FФД, N, dF и получаемой при этом частоты Fc.

Таблица 1
Как видно из таблицы, шаг сетки частот dF уменьшается на три порядка, но при этом диапазон возможных значений частоты Fc также сокращается до такой исключительно малой величины как всего лишь 5 кГц. Однако же не исключаются и такие уникальные случаи, в которых описанная идея может найти своё воплощение.
Вместе с тем диапазон частот Fc может быть получен и более широким, если выбирать значения коэффициента R не столь большими, как это показано в Табл.2. Там этот коэффициент уменьшен на порядок, благодаря чему диапазон частот Fc расширен также на порядок, до 50 кГц. Но при этом шаг сетки стал значительно крупнее по сравнению с предыдущим случаем, максимальное его значение стало равным 990 Гц, и всё же он оказался на порядок меньшим, чем в варианте с постоянным значением FФД=10 кГц. Кроме того, на порядок возросла частота сравнения в ФД и соответственно уменьшился коэффициент умножения помех, приведенных к его входу, что способствует улучшению как спектральной чистоты, так и быстродействия синтезатора.

Таблица 2
Из приведенных таблиц для случаев управляемого коэффициента N можно видеть насколько прост алгоритм выбора этого коэффициента. Чтобы не было пропусков при перестройке в диапазоне частот, при каждом изменении R на единицу, коэффициент N меняется на 70 единиц. Также можно заметить, что если выбирать только верхние частоты диапазона, то там шаг сетки значительно уменьшается.
В пользу любого из вариантов однопетлевого синтезатора имеется тот факт, что в спектре помех на выходе ФД присутствуют только помехи с частотой сравнения и их гармоники, и нет никаких комбинаций других частот, сопутствующих постоянной составляющей. Это упрощает фильтрацию помех.
Некоторого улучшения разрешения по частоте можно достичь с использованием дробных коэффициентов R и N в расчёте на фильтрацию дробных компонентов в ФАПЧ. Но при этом разрядность дробей не должна быть высокой, чтобы сужение полосы ФАПЧ для их фильтрации не приводило к существенному снижению быстродействия синтезатора.
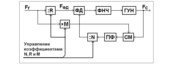
1.2. Схема со смесителем частоты
Для улучшения спектральных характеристик однопетлевого синтезатора можно использовать смеситель частоты (СМ), включенный в цепь обратной связи, как это показано на рисунке 2. На один из входов смесителя подаётся умноженная в М раз опорная частота Fr. Сигнал разностной частоты Fc-MFr отфильтровывается полосовым фильтром (ПФ) и поступает на вход ДПКД с коэффициентом деления N.

Рис.2. Схема со смесителем частоты в петле ФАПЧ
В соответствии с представленной схемой частотное образование выглядит как
.FC= (N/R+M) Fr.
Если положить, что Fr=10 МГц, R=1000, М=60 и N=10000÷19999, то приведенная формула даёт результат Fc=700÷799,99 МГц, Шаг сетки остаётся прежним, то есть dF=10 кГц. Но в данной схеме на порядок уменьшился коэффициент деления в петле ФАПЧ, а это значит, что во столько же раз снизился коэффициент усиления помех, приведенных ко входу фазового детектора. В этом и состоит главное достоинство схемы. Также важно и то, что ДПКД в этой схеме работает на пониженной частоте, из-за чего он дешевле и меньше потребляет от источника питания. Недостаток такого технического решения состоит в сравнительной сложности схемы и возможности образования на её выходе дополнительных помех комбинационного характера, получающихся в смесителе и проходящих далее по петле в цепь управления частотой ГУН. Поэтому требуется тщательная проработка схемы и конструкции узлов смесителя и умножителя частоты.
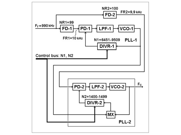
1.3. Схема Толлефсона
Заслуживает внимания структура, предложенная Толлефсоном [23] и показанная на рисунке 3. Это две петли фазовой автоподстройки частоты: ФАПЧ-1 и ФАПЧ-2, связанные друг с другом через смеситель СМ. Каждая из них содержит ГУН, ДПКД, ФД и фильтр нижних частот (ФНЧ), обозначенные номерами соответствующих ФАПЧ. Частоты сравнения FR1 и FR2 у них разные, но получены от одного опорного источника частоты Fr с помощью соответствующих делителей частоты ДЧ-1 и ДЧ-2 с коэффициентами деления NR1 и NR2 соответственно.
Для облегчения понимания как схема работает, на ней приведен числовой пример её параметров. При частоте опорного генератора, равной Fr=990 кГц, частоты сравнения FR1 и FR2 в соответствующих ФАПЧ, получаемые с помощью делителей частоты ДЧ-1 и ДЧ-2 с соответствующими коэффициентами NR1 и NR2, равны FR1=990/99=10 кГц и FR2=990/100=9,9 кГц. При этом на выходе синтезатора обеспечивается шаг сетки частот, равный 100 Гц, то есть равный разнице между частотами сравнения FR1 и FR2. Покажем это на числовом примере.

Рис.3. Схема Толлефсона
Исходя из приведенной структуры синтезатора, частота на его выходе может быть вычислена по формуле
FC=FR1×N1-FR2×N2
Тогда нижняя частота диапазона синтезатора, получаемая при коэффициентах N1=6451 и N2=1400, равна 50,650 МГц. Для получения следующей частоты диапазона необходимо одновременно сдвинуть на единицу коэффициенты N1 и N2 (таков алгоритм управления этими коэффициентами), и в результате частота сигнала окажется равной 50,6501 МГц, что на 100 Гц выше предыдущей. И далее с каждым добавлением единиц в коэффициентах N1 и N2 по указанному алгоритму добавляется 10 кГц к частоте сигнала за счёт действия первой петли и вычитается 9,9 кГц за счёт действия второй петли, и в результате частота сигнала увеличивается с шагом 100 Гц. По приведенной формуле нетрудно вычислить и верхнюю частоту диапазона. Она получается при коэффициентах N1=9509 и N2=1499 и равна 80,2499 МГц.
Достоинство схемы состоит в возможности получать мелкий шаг сетки частот при сравнительно высоких частотах сравнения. Однако эти возможности ограничены сложностью получения двух частот от одного опорного источника, когда эти частоты достаточно высоки, а разница между ними мала. Это чтобы одновременно обеспечить высокую спектральную чистоту синтезируемого сигнала и высокое быстродействие синтезатора при высокой разрешающей способности по частоте. Например, при желании иметь частоты сравнения порядка 1 МГц и шаг сетки 1 Гц, надо получить частоты 1 МГц и 1,000001 МГц, что весьма затруднительно.
Следует также отметить, что схема Толлефсона фактически вытекает из способа, предложенного Денисовым Г. В. на 11 лет ранее [24].
1.4. Схема Мартина
Интересна также идея Мартина [25], схематически показанная на рисунке 4.

Рис.4. Схема Мартина
Генератор, управляемый напряжением, ГУН1, охвачен широкополосной петлёй ФАПЧ c ДПКД1, имеющим сравнительно малые коэффициенты деления. В петлю входят также фазовый детектор ФД-1 и фильтр нижних частот ФНЧ-1. Опорная частота для этой петли берётся от ГУН2, охваченного второй, узкополосной петлёй ФАПЧ с ДПКД2 со сравнительно большими коэффициентами деления и довольно низкой частотой сравнения. Во вторую петлю входят также фазовый детектор ФД-2 и фильтр нижних частот ФНЧ-2. Но назвать вторую петлю отдельной, самостоятельной нельзя, поскольку ДПКД2 работает от того же ГУН1 и вторая петля замыкается через первую петлю. Поэтому некоторые отечественные разработчики называют такую структуру как «полтора кольца», а иногда и «тандемом». Оба ДПКД сопряжены так, что старшие разряды в них переключаются одновременно. На рисунке показан также пример получения в такой схеме октавного диапазона.
Частота сигнала на выходе синтезатора равна Fc=Fr×N2=500,000÷999,999 МГц и переключается с шагом 1 кГц. Опорная частота для первой петли лежит в диапазоне Fx=Fr×N2/N1=1,000÷1,001 МГц.
В такой структуре диапазон перестройки ГУН2 значительно меньший, чем у ГУН1, и поэтому может быть обеспечена его высокая спектральная чистота даже в узкополосной петле ФАПЧ. А поскольку частота его сигнала является опорной для широкополосной петли, работающей на выход, то достигается и улучшение спектра сигнала на выходе синтезатора. Достоинство предложенной схемы состоит также в возможности быстрого переключения частоты крупными шагами. Проблема инерционности системы при переключении частоты мелкими шагами остаётся нерешённой.
1.5. Синтезатор на базе каскадного включения систем ФАПЧ
Принцип такого частотного синтеза можно пояснить с помощью схемы, представленной на рисунке 5
.

Рис.5. Последовательное включение двух петель ФАПЧ с ДПКД
На нём показаны две петли ФАПЧ, включенные последовательно. Обе петли идентичны друг другу, и каждая из них содержит генератор, управляемый напряжением (ГУН), делитель частоты с переменным коэффициентом деления (ДПКД), фазовый детектор (ФД) и фильтр нижних частот (ФНЧ). Каждый из названных элементов имеет номер на схеме в соответствии с номером петли. Системы ФАПЧ-1 и ФАПЧ-2 связаны друг с другом через ДПКД-3. Первая из них, с участием ДПКД-3, формирует переменную опорную частоту для второй, которая завершает структуру синтезатора. Для пояснения работы такой структуры, на рисунке показан числовой пример.
Приведём ниже ряд вычислений для частоты Fc на выходе синтезатора при опорной частоте Fr=50МГц:
N1=60 F1=3000 N3=59 N2=30 Fc=1 525,424 МГц
N1=59 F1=2950 N3=58 N2=30 Fc=1 525,862 МГц
N1=58 F1=2900 N3=57 N2=30 Fc=1 526,316 МГц
и
N1=59 F1=2950 N3=58 N2=58 Fc=2 950,000 МГц
N1=58 F1=2900 N3=57 N2=58 Fc=2 950,877 МГц
N1=57 F1=2850 N3=56 N2=58 Fc=2 951,786 МГц
Как видно из приведенных расчётов, получаемая дискретность сетки частот оказывается значительно меньшей исходной опорной частоты Fr. В нижней части синтезируемого диапазона частот она составляет порядка 450 кГц, а в верхней – порядка 900 кГц.
Коэффициенты деления N1 и N3 желательно выбирать со значениями, близкими друг к другу (в рассмотренном примере они отличаются на единицу). Тогда формируемая опорная частота F2 для второй петли мало отличается от исходной опорной частоты Fr, то есть также оказывается довольно высокой. Благодаря этому, полоса пропускания второй петли может быть выбрана столь же широкой, как и первой петли.
Можно также заметить, что диапазон частот, формируемый первой петлёй, не обязательно должен быть равным диапазону второй петли и может быть значительно меньшим (в приведенных вычислениях он равен всего лишь 150 МГц), из-за чего собственные шумы генератора ГУН-1 могут быть значительно снижены. Эти два фактора способствуют улучшению характеристик спектральной чистоты и быстродействия.
Однако же для получения меньшего шага сетки частот, требуется увеличивать коэффициенты деления всех трёх ДПКД и уменьшать значение опорной частоты Fr, что, естественно, приводит к ухудшению спектральной чистоты сигнала и к снижению быстродействия. Можно, конечно, решить эту задачу путём увеличения каскадов в данной структуре, то есть добавлением одной или нескольких петель ФАПЧ, но, понятно, это не всегда приемлемо из-за возрастающей сложности.
Другой возможный путь – это использование дробных делителей частоты с компенсацией помех дробности, включая вариант Fractional-N PLL петли. Примером такого решения можно назвать каскадное включение двух микросхем типа HMC830 фирмы Hittite (ныне в составе Analog Devices). Эта микросхема и есть Fractional-N PLL синтезатор с интегрированным в ней VCO (ГУН).
Важной особенностью рассматриваемой структуры является следующее. При достаточно большом наборе коэффициентов деления, включая их дробные значения, практически одну и ту же частоту на выходе можно получить при различных комбинациях этих коэффициентов. Это даёт возможность использовать наиболее удачные их комбинации, чтобы избавляться от побочных составляющих спектра (ПСС), таких, например, как Integer Boundary Spurs (IBS). Это когда частота ГУН наиболее близка к одной из гармоник опорной частоты.
Ниже показан пример, где в первой строке приведен случай IBS, то есть когда дробный коэффициент N2 наиболее близок к его целочисленному значению N2=58.
N1=45 F1=2250 N3=44 N2=58,000000000001 Fc=2 965,909 090 909 МГц
N1=46 F1=2300 N3=44 N2=56,739 130 435 Fc=2 965,909 090 920 Мгц
Вторая строка иллюстрирует случай, когда c изменением коэффициента деления N2 получена фактически та же самая частота (разница в несколько тысячных долей герца), но при этом обеспечена значительная отстройка от случая IBS. Предпочтительные комбинации коэффициентов деления могут быть запрограммированы в виде справочной таблицы по аналогии с таблицей LUT в синтезаторе типа DDS.
1.6. Трёхпетлевая схема
Из более сложных структур синтезаторов частоты наибольшее распространение получила, пожалуй, трёхпетлевая схема, показанная на рисунке 6. В ней функционально можно выделить две петли – мелкой и крупной сеток частот и третью – суммирующую петлю. На рисунке наименования блоков петли мелкой сетки снабжены индексом «1», а крупной сетки – индексом «2». В петлях мелкой и крупной сеток используются делители частоты с управляемыми коэффициентами: ДПКД-1 c коэффициентом N1 и ДПКД-2 c коэффициентом N2 соответственно. Опорные частоты F01 и F02 (суть частоты сравнения в фазовых детекторах) соответственно петель мелкой и крупной сеток получаются от общего источника опорной частоты Fr с помощью ДФКД – делителя частоты с фиксированным коэффициентом деления.

Рис.6. Трёхпетлевая схема синтезатора
Выход петли мелкой сетки завершается делителем частоты с фиксированным коэффициентом M, за счёт чего на 20lgM снижаются шумы сигнала FМС на входе последующего фазового детектора ФД суммирующей петли ФАПЧ. Параметры петли мелкой сетки выбираются таким образом, чтобы получить как можно меньший шаг dFМС=F01/M сетки при, по возможности, наибольшей частоте сравнения F01. Диапазон частот FМС, получаемый при этом, может быть небольшим, значительно меньшим требуемого диапазона частот FС на выходе синтезатора.
Во второй петле ФАПЧ формируется крупный шаг dFКС сетки, равный этому ограниченному диапазону FМС, то есть dFКС=FМС. Суммирование сеток, крупной и мелкой, происходит в суммирующей петле. Для этого в неё включен смеситель частоты СМ, в котором происходит вычитание частоты FКС из частоты Fc или наоборот. Результат вычитания фильтруется фильтром Ф, который может быть как полосовым, так и фильтром нижних частот. Сигнал разностной частоты с выхода фильтра поступает на второй вход фазового детектора для фазового сравнения с сигналом FМС. Таким образом, крупная сетка заполняется мелкой, и в итоге выражение для частоты FC на выходе синтезатора может быть записано как

